电脑桌面
添加小米粒文库到电脑桌面
安装后可以在桌面快捷访问

风电场施工组织设计(DOC68页)VIP免费

风电场施工组织设计(DOC68页)_第1页
1/58
风电场施工组织设计(DOC68页)_第2页
2/58
风电场施工组织设计(DOC68页)_第3页
3/58
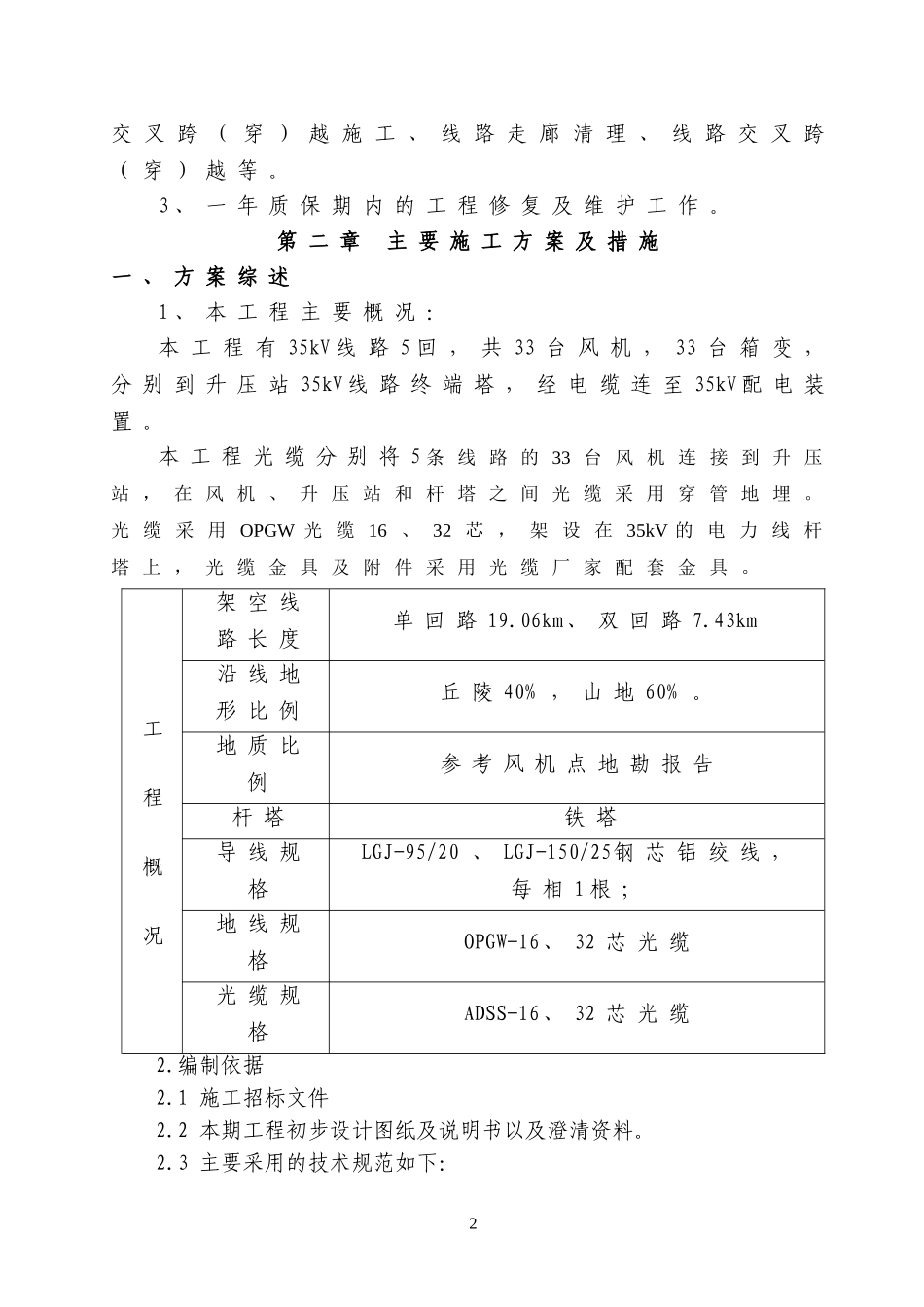
第一章工程概况及特点一、工程概况1、华能义县白石砬沟风电场工程装机规模为49.5MW。安装33台单机容量为1500kW的风力发电机组。2、本工程为场内集电线路施工,该工程共分为2条主干线,为单双混合线路,另有2条回路接入原老龙口风电场线路,全部采用自立式铁塔组立,场内线路采用架空、地埋电缆形式。二、施工环境2.1地理位置及自然环境条件:华能义县白石砬沟风电场工程场内集电线路施工位于义县大榆树堡镇瓦子峪乡,距离义县23km左右,场区范围大致处于东经12126~12130、北纬4136~4140。场址一般海拔高度在160~300m,场址地形为丘陵。2.2施工难点场内集电线路位于山区,施工范围大,涉及面宽;施工电源因场地分散,施工地点远,施工需临时布置柴油发电机。施工与土建专业交接面多和广,施工进度影响因素复杂。三、工程范围1、风机箱式变压器安装调试、风机至风机变电缆、风机变高压侧电缆到升压站35kV开关柜完整的输变电线路工程(包含光缆),升压站内电缆(包含控制电缆)敷设及安装。电缆工程,电缆沟槽开挖及回填,电缆保护管敷设,电缆常规试验,光缆架设,光缆熔接及试验。2、土石方及基础工程:35kV杆塔材料采购、组立工程及接地工程;架线及附件安装工程;导线、避雷器、隔离开关、绝缘子等终端设备的采购、安装与交接试验;施工中发生的占地、地面附着物补偿、线路1交叉跨(穿)越施工、线路走廊清理、线路交叉跨(穿)越等。3、一年质保期内的工程修复及维护工作。第二章主要施工方案及措施一、方案综述1、本工程主要概况:本工程有35kV线路5回,共33台风机,33台箱变,分别到升压站35kV线路终端塔,经电缆连至35kV配电装置。本工程光缆分别将5条线路的33台风机连接到升压站,在风机、升压站和杆塔之间光缆采用穿管地埋。光缆采用OPGW光缆16、32芯,架设在35kV的电力线杆塔上,光缆金具及附件采用光缆厂家配套金具。工程概况架空线路长度单回路19.06km、双回路7.43km沿线地形比例丘陵40%,山地60%。地质比例参考风机点地勘报告杆塔铁塔导线规格LGJ-95/20、LGJ-150/25钢芯铝绞线,每相1根;地线规格OPGW-16、32芯光缆光缆规格ADSS-16、32芯光缆2.编制依据2.1施工招标文件2.2本期工程初步设计图纸及说明书以及澄清资料。2.3主要采用的技术规范如下:2风力发电场项目建设工程验收规程(DL/T5191—2004)工程建设标准强制性条文(电力工程部分)建标[2006]102号工程测量规范(GB50026-2007)建筑地基基础工程施工质量验收规范(GB50202-2002)建筑用砂(GB/T14684-2001)建筑用卵石、碎石(GB/T14685-2001)钢筋混凝土用钢第1部分:热轧光圆钢筋(GB1499.1-2008)钢筋混凝土用钢第2部分:热轧带肋钢筋(GB1499.2-2007)通用硅酸盐水泥(GB175-2007)电力金具通用技术条件(GB/T2314-2008)普通混凝土用砂、石质量标准试验方法(JGJ52-2006)混凝土质量控制标准(GB50164-1992)电气装置安装工程电缆线路施工及验收规范(GB50168-2006)电气装置安装工程接地装置施工及验收规范(GB50169-2006电气装置安装工程质量检验及评定规程第5部分:电缆线路施工质量检验(DL/T5161.5-2002)第6部分:接地装置施工质量检验(DL/T5161.6-2002)第10部分:35kV及以下架空电力线路施工质量检验(DL/T5161.10-2002)110~500kV架空电力线路施工及验收规范(GB50233-2005)110~500kV架空电力线路工程施工质量及评定规程(DL/T5168-2002)跨越电力线路架线施工规程(DL5106—1999)施工现场临时用电安全技术规范(JGJ46-2005)电力建设安全工作规程(架空电力线路部分)(DL5009.2-2004)建设工程文件归档整理规范(GB/T50328-2001)科学技术档案案卷构成的一般要求(GB/T11822—2008)以及相关的施工及验收规范、法规、规程等。3.安全、质量目标3.1安全目标:在本工程施工中,我公司的安全施工目标是:杜绝重伤及以上伤亡事故;杜绝重大施工机械设备损坏事故;不发生重大火灾事故;不发生负同等责任的重大交通事故;不发生环境污染事故和重大垮(坍)塌事故。轻伤事故率低于1‰。33.2质量目标:建筑、安装各分项工程合格率为100%,建筑工程优良率大于90%,安装工程优良率...

1、当您付费下载文档后,您只拥有了使用权限,并不意味着购买了版权,文档只能用于自身使用,不得用于其他商业用途(如 [转卖]进行直接盈利或[编辑后售卖]进行间接盈利)。
2、本站所有内容均由合作方或网友上传,本站不对文档的完整性、权威性及其观点立场正确性做任何保证或承诺!文档内容仅供研究参考,付费前请自行鉴别。
3、如文档内容存在违规,或者侵犯商业秘密、侵犯著作权等,请点击“违规举报”。

碎片内容

风电场施工组织设计(DOC68页)

确认删除?
VIP
微信客服
  • 扫码咨询
会员Q群
  • 会员专属群点击这里加入QQ群
客服邮箱
回到顶部