电脑桌面
添加小米粒文库到电脑桌面
安装后可以在桌面快捷访问

齿轮泵零件示意图汇总VIP免费

齿轮泵零件示意图汇总_第1页
1/11
齿轮泵零件示意图汇总_第2页
2/11
齿轮泵零件示意图汇总_第3页
3/11
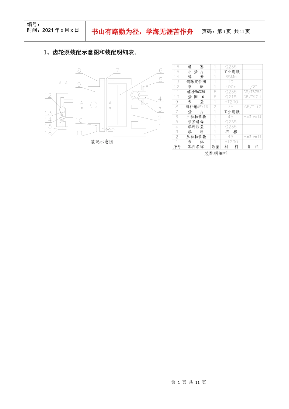
第1页共11页编号:时间:2021年x月x日书山有路勤为径,学海无涯苦作舟页码:第1页共11页1、齿轮泵装配示意图和装配明细表。装配明细栏装配示意图螺塞工业用纸小垫片弹簧钢珠定位圈钢珠螺栓M6X20垫圈6泵盖圆柱销工业用纸垫片主动轴齿轮锁紧螺母填料压盖石棉填料从动轴齿轮泵体备注材料零件名称数量序号第2页共11页第1页共11页编号:时间:2021年x月x日书山有路勤为径,学海无涯苦作舟页码:第2页共11页2、从动齿轮轴的零件图。3、主动齿轮轴的零件图。ⅠⅠⅡⅡ齿形角模数齿数技术要求数量比例1.未注倒角均为1X45°2.调质处理HB=220-250图名材料其余第3页共11页第2页共11页编号:时间:2021年x月x日书山有路勤为径,学海无涯苦作舟页码:第3页共11页4、锁紧螺母的零件图。ⅡⅠⅡⅠ2.调质处理HB=220-2501.未注倒角均为1X45°技术要求齿数模数齿形角其余数量比例材料图名其余数量比例材料图名第4页共11页第3页共11页编号:时间:2021年x月x日书山有路勤为径,学海无涯苦作舟页码:第4页共11页5、填料压盖的零件图。6、小垫片的零件图。其余比例数量图名材料第5页共11页第4页共11页编号:时间:2021年x月x日书山有路勤为径,学海无涯苦作舟页码:第5页共11页7、螺塞的零件图。数量比例材料图名小垫片全部比例数量图名材料螺塞发蓝处理技术要求:第6页共11页第5页共11页编号:时间:2021年x月x日书山有路勤为径,学海无涯苦作舟页码:第6页共11页8、钢珠定位圈的零件图。9、弹簧的零件图。比例数量图名材料第7页共11页第6页共11页编号:时间:2021年x月x日书山有路勤为径,学海无涯苦作舟页码:第7页共11页10、泵盖的零件图。弹簧5.弹簧两端磨平4.旋向右3.展开长度L=323.62.总圈数n1=9.51.有效圈数n=7技术要求:比例数量图名材料1.未注明铸造圆角R3技术要求:泵盖其余2.不加工面应涂防锈漆第8页共11页第7页共11页编号:时间:2021年x月x日书山有路勤为径,学海无涯苦作舟页码:第8页共11页11、齿轮油泵泵体的零件图。12、齿轮油泵装配图。泵体其余2.不加工面应涂防锈漆1.未注明铸造圆角R3技术要求:第9页共11页第8页共11页编号:时间:2021年x月x日书山有路勤为径,学海无涯苦作舟页码:第9页共11页齿轮油泵螺塞工业用纸数量材料石棉备注弹簧螺栓M6X20钢珠钢珠定位圈泵盖锁紧螺母垫片主动轴齿轮圆柱销垫圈6填料零件名称泵体序号从动轴齿轮填料压盖小垫片工业用纸第10页共11页第9页共11页编号:时间:2021年x月x日书山有路勤为径,学海无涯苦作舟页码:第10页共11页12、齿轮油泵装配图爆炸图(参考)。第11页共11页第10页共11页编号:时间:2021年x月x日书山有路勤为径,学海无涯苦作舟页码:第11页共11页

1、当您付费下载文档后,您只拥有了使用权限,并不意味着购买了版权,文档只能用于自身使用,不得用于其他商业用途(如 [转卖]进行直接盈利或[编辑后售卖]进行间接盈利)。
2、本站所有内容均由合作方或网友上传,本站不对文档的完整性、权威性及其观点立场正确性做任何保证或承诺!文档内容仅供研究参考,付费前请自行鉴别。
3、如文档内容存在违规,或者侵犯商业秘密、侵犯著作权等,请点击“违规举报”。

碎片内容

齿轮泵零件示意图汇总

确认删除?
VIP
微信客服
  • 扫码咨询
会员Q群
  • 会员专属群点击这里加入QQ群
客服邮箱
回到顶部