电脑桌面
添加小米粒文库到电脑桌面
安装后可以在桌面快捷访问

食品分227析讲稿VIP免费

食品分227析讲稿_第1页
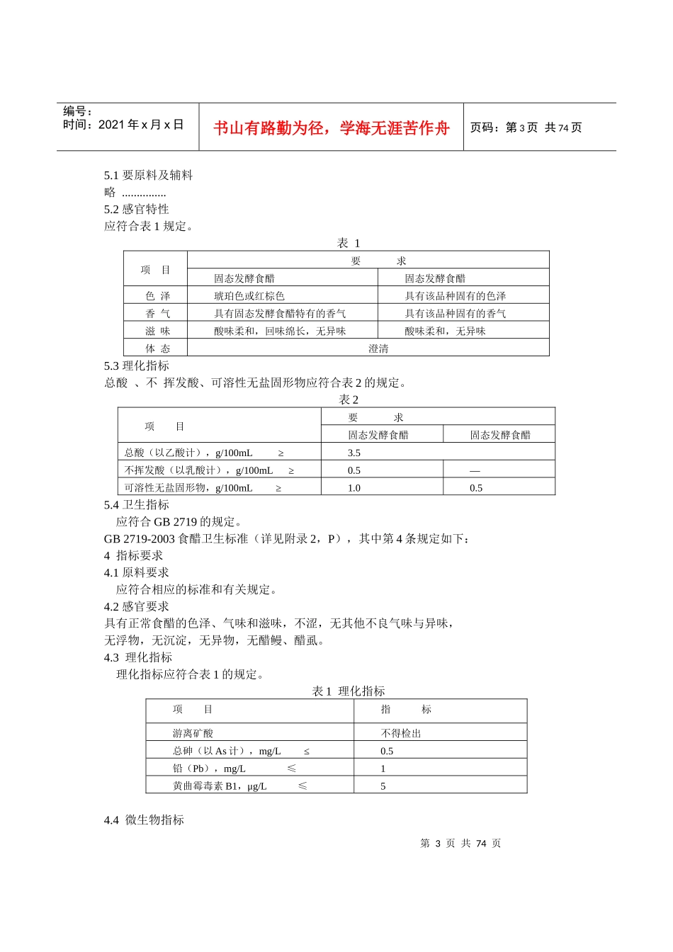
1/74
食品分227析讲稿_第2页
2/74
食品分227析讲稿_第3页
3/74
第1页共74页编号:时间:2021年x月x日书山有路勤为径,学海无涯苦作舟页码:第1页共74页食品分析与检验方法总论1绪论1.1食品分析与食品检验的基本概念食物、食品最基本的使用价值(功能)是可食用,能充饥、使人有饱腹感。同时提供人类生命活动所需要的能量和各种营养素,是促进人体生长发育、保证正常的生命活动最基本的物质来源。人们对“吃”的质量要求是随着社会经济的发展和生活水平的日益提高而不断改变,食品不但拥有色、香、味、型,营养素丰富,同时还应卫生安全,不仅把膳食看成是基本的生活需求,还是一种享受,而且是一种预防、缓解某种疾病、增进健康,提高生活质量的一条重要途径。人类的文明社会的进步赋予食品更广泛的内涵,使其承载着先进加工技术、预防保健功效、民族区域文化和生活品位等。因此确保从田间、圈舍到餐桌提供给消费者的是安全卫生、风味适宜、具有一定营养的合格食物、食品是民生大事,是社会责任。食品分析与食品检验是既有联系又有区别的两个概念,很多时候讨论颇多的是相近、有联系的一面,而对区别之处没有一个鲜明的概念。食品分析是指采用物理、化学、现代仪器及生物技术方法对食品中的已知和未知成分物质,进行定性定量的分析和流变学特性的分析。食品检验是指依据食品标准,采用标准中规定的感官、物理、化学、现代仪器方法、生物技术以及微生物学方法,对食品标准中所规定的指标进行感官、定性定量、微生物检测,除此而外其他方面如:净含量、标签、保质期、运输贮藏等应符合标准规定的条款,并对产品进行合格评价。所以不难看出这两个概念在分析检验方法和分析检验对象、方法来源上有共同之处,这也是为么这两个概念经常同时出现的原因所在。两个概念不同之处是要达到的目的不相同,关键在于食品分析不依照食品标准,不以产品的合格评价为目的。食物中某些成分含量的高低是衡量该食物营养保健价值或经济价值的标志,如大豆中的蛋白质、脂肪;粮谷类中的糖类物质、海产品中的磷脂、大枣、猕猴桃中的维生素C;黑木耳中的多糖;发酵产品中的氨基酸等等,还有一些成分是因为自身不稳定,容易受到温度、氧气、光照的破坏从而引起含量多变化,例如维生素C;所以这些成分物质的含量,通常被作为评价指标进行分析测定,应用于考察评价新食物资源的特性、可开发利用价值、新产品配方研制、食品加工工艺参数确定、储运贮藏技术改良的研究中。所以食品分析方法的目的一方面是作为认识食品成分物质的一种手段之一,应用于食品科学研究。另外一些成分物质是因其对人体健康有毒有害,如油脂中的酸败物质、粮食中的黄曲霉毒素、果蔬中的重金属、亚硝酸盐以及农药残留、兽药残留,通过含量测定探讨在食品中的暴露水平。此外保健功效成分的提取分离纯化、结构表征、化学组成鉴定等也属于食品分析范畴。因此食品分析的作用目的意义涵盖范围更为广泛,不仅限于对已知成分物质的常规分析,还涉及到对成分物质的研究、探索、认知,以及新分析测定方法的建立和对经典分析测定方法的改良等诸多方面。建立一个重现性、再现性比较稳定、操作简单安全、应用广泛、成本低的分析测定方法,并通过权威机构的标准化工作后形成文件,规定为国家标准测定方法而被引用在食品标准中。所以可以说食品分析是为食品检验技术服务的、是基础,食品检验技术的先进与否取决于食品分析技术的发展,而食品分析技术要依赖于其他诸多技术的提高和进步。食品检验全部建立在食品标准的前提下,所有规定的测定方法、测定项目、评价指标以及各项都必须按照标准的要求规定执行。这些要求、规定不仅仅是通常意义上的保证产品具有营养价值,第2页共74页第1页共74页编号:时间:2021年x月x日书山有路勤为径,学海无涯苦作舟页码:第2页共74页达到优质,而是要根据生产的产品的食用价值制订相应的检验项目和指标,如:婴幼儿奶粉,产品的食用价值是为婴幼儿这一特殊人群提供营养素,所以在三大营养素、热量、矿物质、维生素这些营养成分都有明确的要求规定;又如食醋和蒸馏酒,其食用价值分别是调酸味和的,不是以提供营养素为目的的,所以检验项目中有对醋酸含量和酒精的要求,规定保证产品应...

1、当您付费下载文档后,您只拥有了使用权限,并不意味着购买了版权,文档只能用于自身使用,不得用于其他商业用途(如 [转卖]进行直接盈利或[编辑后售卖]进行间接盈利)。
2、本站所有内容均由合作方或网友上传,本站不对文档的完整性、权威性及其观点立场正确性做任何保证或承诺!文档内容仅供研究参考,付费前请自行鉴别。
3、如文档内容存在违规,或者侵犯商业秘密、侵犯著作权等,请点击“违规举报”。

碎片内容

食品分227析讲稿

您可能关注的文档

确认删除?
VIP
微信客服
  • 扫码咨询
会员Q群
  • 会员专属群点击这里加入QQ群
客服邮箱
回到顶部