电脑桌面
添加小米粒文库到电脑桌面
安装后可以在桌面快捷访问

满堂脚手架支撑施工方案满堂脚手架支撑施工方案VIP免费

满堂脚手架支撑施工方案满堂脚手架支撑施工方案_第1页
1/19
满堂脚手架支撑施工方案满堂脚手架支撑施工方案_第2页
2/19
满堂脚手架支撑施工方案满堂脚手架支撑施工方案_第3页
3/19
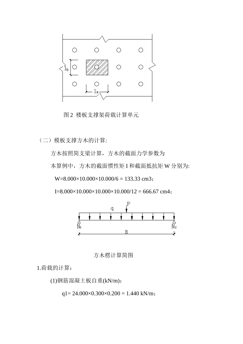
一、工程概况二、编制依据《建筑施工扣件式钢管脚手架安全技术规范》(JGJ130-2001)《混凝土结构设计规范》GB50010-2002《建筑结构荷载规范》(GB50009-2001)《钢结构设计规范》(GB50017-2003)三、板高支撑架计算书(一)参数信息:1.脚手架参数横向间距或排距(m):1.00;纵距(m):0.90;步距(m):1.50;立杆上端伸出至模板支撑点长度(m):0.10;脚手架搭设高度(m):6.00;采用的钢管(mm):Φ48×3.5;扣件连接方式:双扣件,扣件抗滑承载力系数:0.80;板底支撑连接方式:方木支撑;2.荷载参数模板与木板自重(kN/m2):0.350;混凝土与钢筋自重(kN/m3):24.000;楼板浇筑厚度(m):0.200;倾倒混凝土荷载标准值(kN/m2):2.000;施工均布荷载标准值(kN/m2):1.000;3.木方参数木方弹性模量E(N/mm2):9500.000;木方抗弯强度设计值(N/mm2):13.000;木方抗剪强度设计值(N/mm2):1.300;木方的间隔距离(mm):300.000;木方的截面宽度(mm):80.00;木方的截面高度(mm):100.00;图2楼板支撑架荷载计算单元(二)模板支撑方木的计算:方木按照简支梁计算,方木的截面力学参数为本算例中,方木的截面惯性矩I和截面抵抗矩W分别为:W=8.000×10.000×10.000/6=133.33cm3;I=8.000×10.000×10.000×10.000/12=666.67cm4;方木楞计算简图1.荷载的计算:(1)钢筋混凝土板自重(kN/m):q1=24.000×0.300×0.200=1.440kN/m;(2)模板的自重线荷载(kN/m):q2=0.350×0.300=0.105kN/m;(3)活荷载为施工荷载标准值与振倒混凝土时产生的荷载(kN):p1=(1.000+2.000)×0.900×0.300=0.810kN;2.强度计算:最大弯矩考虑为静荷载与活荷载的计算值最不利分配的弯矩和,计算公式如下:均布荷载q=1.2×(1.440+0.105)=1.854kN/m;集中荷载p=1.4×0.810=1.134kN;最大弯距M=Pl/4+ql2/8=1.134×0.900/4+1.854×0.9002/8=0.443kN.m;最大支座力N=P/2+ql/2=1.134/2+1.854×0.900/2=1.401kN;截面应力σ=M/w=0.443×106/133.333×103=3.322N/mm2;方木的计算强度为3.322小13.0N/mm2,满足要求!3.抗剪计算:最大剪力的计算公式如下:Q=ql/2+P/2截面抗剪强度必须满足:T=3Q/2bh<[T]其中最大剪力:Q=0.900×1.854/2+1.134/2=1.401kN;截面抗剪强度计算值T=3×1401.300/(2×80.000×100.000)=0.263N/mm2;截面抗剪强度设计值[T]=1.300N/mm2;方木的抗剪强度为0.263小于1.300,满足要求!4.挠度计算:最大弯矩考虑为静荷载与活荷载的计算值最不利分配的挠度和,计算公式如下:均布荷载q=q1+q2=1.440+0.105=1.545kN/m;集中荷载p=0.810kN;最大变形V=5×1.545×900.0004/(384×9500.000×6666666.67)+810.000×900.0003/(48×9500.000×6666666.67)=0.403mm;方木的最大挠度0.403小于900.000/250,满足要求!(三)木方支撑钢管计算:支撑钢管按照集中荷载作用下的三跨连续梁计算;集中荷载P取纵向板底支撑传递力,P=1.854×0.900+1.134=2.803kN;支撑钢管计算简图支撑钢管计算弯矩图(kN.m)支撑钢管计算变形图(kN.m)支撑钢管计算剪力图(kN)最大弯矩Mmax=0.943kN.m;最大变形Vmax=2.412mm;最大支座力Qmax=10.192kN;截面应力σ=0.943×106/5080.000=185.715N/mm2;支撑钢管的计算强度小于205.000N/mm2,满足要求!支撑钢管的最大挠度小于1000.000/150与10mm,满足要求!(四)扣件抗滑移的计算:按照《建筑施工扣件式钢管脚手架安全技术规范培训讲座》刘群主编,P96页,双扣件承载力设计值取16.00kN,按照扣件抗滑承载力系数0.80,该工程实际的旋转双扣件承载力取值为12.80kN。纵向或横向水平杆传给立杆的竖向作用力设计值R=10.192kN;R<12.80kN,所以双扣件抗滑承载力的设计计算满足要求!(五)模板支架荷载标准值(轴力):作用于模板支架的荷载包括静荷载、活荷载和风荷载。1.静荷载标准值包括以下内容:(1)脚手架的自重(kN):NG1=0.129×6.000=0.775kN;钢管的自重计算参照《扣件式规范》附录A双排架自重标准值,设计人员可根据情况修改。(2)模板的自重(kN):NG2=0.350×1.000×0.900=0.315kN;(3)钢筋混凝土楼板自重(kN):NG3=24.000×0.200×1.000×0.900=4.320kN;经计算得到,静荷载标准值NG=NG1+NG2+NG3=5.410kN;2.活荷载为施工荷载标准值与振倒混凝土时产生的荷...

1、当您付费下载文档后,您只拥有了使用权限,并不意味着购买了版权,文档只能用于自身使用,不得用于其他商业用途(如 [转卖]进行直接盈利或[编辑后售卖]进行间接盈利)。
2、本站所有内容均由合作方或网友上传,本站不对文档的完整性、权威性及其观点立场正确性做任何保证或承诺!文档内容仅供研究参考,付费前请自行鉴别。
3、如文档内容存在违规,或者侵犯商业秘密、侵犯著作权等,请点击“违规举报”。

碎片内容

满堂脚手架支撑施工方案满堂脚手架支撑施工方案

您可能关注的文档

确认删除?
VIP
微信客服
  • 扫码咨询
会员Q群
  • 会员专属群点击这里加入QQ群
客服邮箱
回到顶部