电脑桌面
添加小米粒文库到电脑桌面
安装后可以在桌面快捷访问

静态平衡阀价格VIP免费

静态平衡阀价格_第1页
1/65
静态平衡阀价格_第2页
2/65
静态平衡阀价格_第3页
3/65
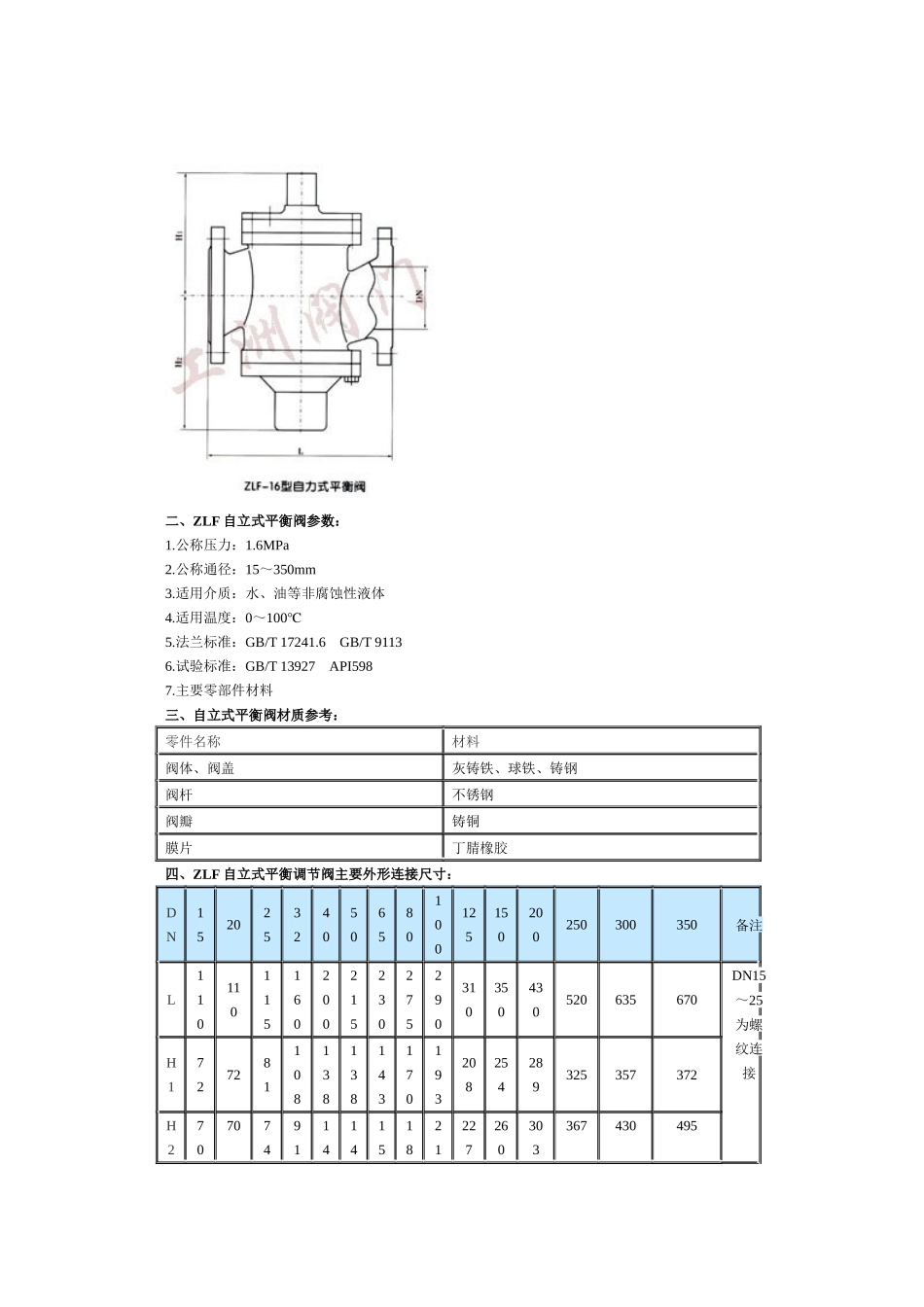
静态平衡阀价格大型离心式热泵机组式,并设有两台不同型号的压缩机,按照冬夏两种模式进行。能源利用效率达到122%,节煤率39.1%。按照50万平方米使用面积计算,每年节煤6370吨。减少粉尘、二氧化硫、氮化物和二氧化碳的排放。电监会:科技进步推动电力工业健康有序发展王野平在第十届科博会中国能源战略高层管理论坛发表演讲近日,第十届科博会中国能源战略高层管理论坛在京开幕。国家电力监管委员会副主席王野平、国家安全生产监督管理总局副局长王显政、国家能源领导小组办公室副主任徐锭明国家电网公司总工程师栾军等出席了开幕式并发言。首页>>产品中心>>ZLF自立式平衡调节阀一、产品[自立式平衡阀]的详细资料:产品型号:ZLF产品名称:自立式平衡阀产品特点:ZLF自立式平衡阀,是一种利用介质本身的压力变化来进行自我调控从而保持流经该被控系统流量不变的阀门,ZLF自立式平衡阀具有流量指示,可在线调节,适用于供热及空调系统等非腐蚀性介质的流量控制。运行前一次性测试调节,可使系统流量自动恒定在预先设置的设定值。该阀门流量调节准确,操作简单,运作平稳,性能可靠,使用寿命长。ZLF自立式平衡阀,自立式平衡阀,平衡阀。二、ZLF自立式平衡阀参数:1.公称压力:1.6MPa2.公称通径:15~350mm3.适用介质:水、油等非腐蚀性液体4.适用温度:0~100℃5.法兰标准:GB/T17241.6GB/T91136.试验标准:GB/T13927API5987.主要零部件材料三、自立式平衡阀材质参考:零件名称材料阀体、阀盖灰铸铁、球铁、铸钢阀杆不锈钢阀瓣铸铜膜片丁腈橡胶四、ZLF自立式平衡调节阀主要外形连接尺寸:DN1520253240506580100125150200250300350备注L110110115160200215230275290310350430520635670DN15~25为螺纹连接H1727281108138138143170193208254289325357372H270707491141415182122726030336743049577491流量m3/h0.1~10.1~1.50.2~20.5~41~62~103~155~2510~3515~5030~8040~180100~300150~500200~700订货须知:一、①ZLF自立式平衡调节阀产品名称与型号②ZLF自立式平衡调节阀口径③ZLF自立式平衡调节阀是否带附件二、若已经由设计单位选定公司的ZLF自立式平衡调节阀型号,请按ZLF自立式平衡调节阀型号三、当使用的场合非常重要或环境比较复杂时,请您尽量提供设计图纸和详细参数,相关产品:ZZWPE自力式电控温度调节阀ZZYP自力式压力调节阀ZZWP型自力式温度调节阀首页>>产品中心>>KPF型平衡阀一、产品[平衡阀]的详细资料:产品型号:KPF-16型产品名称:平衡阀产品特点:本厂生产的KPF一16型平衡阀是一种具有特殊功能的阀门,具有良好的流量特性,能够合理的分配流量,实现流量定量,可以有效地解决供热(空调)系统中存在的室温冷热不匀问题。由于该阀门设有开启度指示.开度锁定装置及用于流量测定的测压小阀,所以只要在各支路及用户入口装上适当规格的平衡阀,并用专用智能仪表进行一次性调试后锁定,将系统的总水量控制在合理的范围内,从而克服了”大流量,小温差”的不合理化现象。该产品是供热系统中的理想产品,最高介质温度为100℃,欢迎选购。二、主要技术参数:公称压力PN(MPa)试验压力(MPo)工作压力(MPa)工作介质介质温度()℃壳体密封P20P1216241761516水0-100三、主要零件材料:零件名称阀体、阀盖、阀瓣、填料压套阀杆密封圈阀杆螺母垫圈填料材料灰铸铁不锈钢铸铜橡胶石棉板膨胀石墨四、KPF一16型平衡阀主要外型尺寸(法兰连接PNl.6MPA按JB/T79—94标准):型号KPF-16公称压力PN(Mpa)1.6公称通径DN(MPa)1520253240506580100125150200250300350400500600尺寸L131516018202302931350404849562698789197812(mm)0000000027495H150160182192250264380413446540623687782914968103714401790H116017019720727028441044850659568876286710091073115214401790D0801808090100120200200240240360400500500680680五、平衡阀安装使用注意事项:平衡阀的安装位置:平衡阀既可以安装在供水管上,也可以安装在回水管上。一般我们建议装在回水管上,尤其对于高温环路为方便调试,更要装在回水管上,安装了平衡阀的供(回)水管就不必再设截止阀。订货须知:一、①KPF一16型平衡阀产品名称与型号②KPF一...

1、当您付费下载文档后,您只拥有了使用权限,并不意味着购买了版权,文档只能用于自身使用,不得用于其他商业用途(如 [转卖]进行直接盈利或[编辑后售卖]进行间接盈利)。
2、本站所有内容均由合作方或网友上传,本站不对文档的完整性、权威性及其观点立场正确性做任何保证或承诺!文档内容仅供研究参考,付费前请自行鉴别。
3、如文档内容存在违规,或者侵犯商业秘密、侵犯著作权等,请点击“违规举报”。

碎片内容

静态平衡阀价格

黄金阁书苑+ 关注
实名认证
内容提供者

热爱教学事业,对互联网知识分享很感兴趣

确认删除?
VIP
微信客服
  • 扫码咨询
会员Q群
  • 会员专属群点击这里加入QQ群
客服邮箱
回到顶部