电脑桌面
添加小米粒文库到电脑桌面
安装后可以在桌面快捷访问

青天路施工方案VIP免费

青天路施工方案_第1页
1/111
青天路施工方案_第2页
2/111
青天路施工方案_第3页
3/111
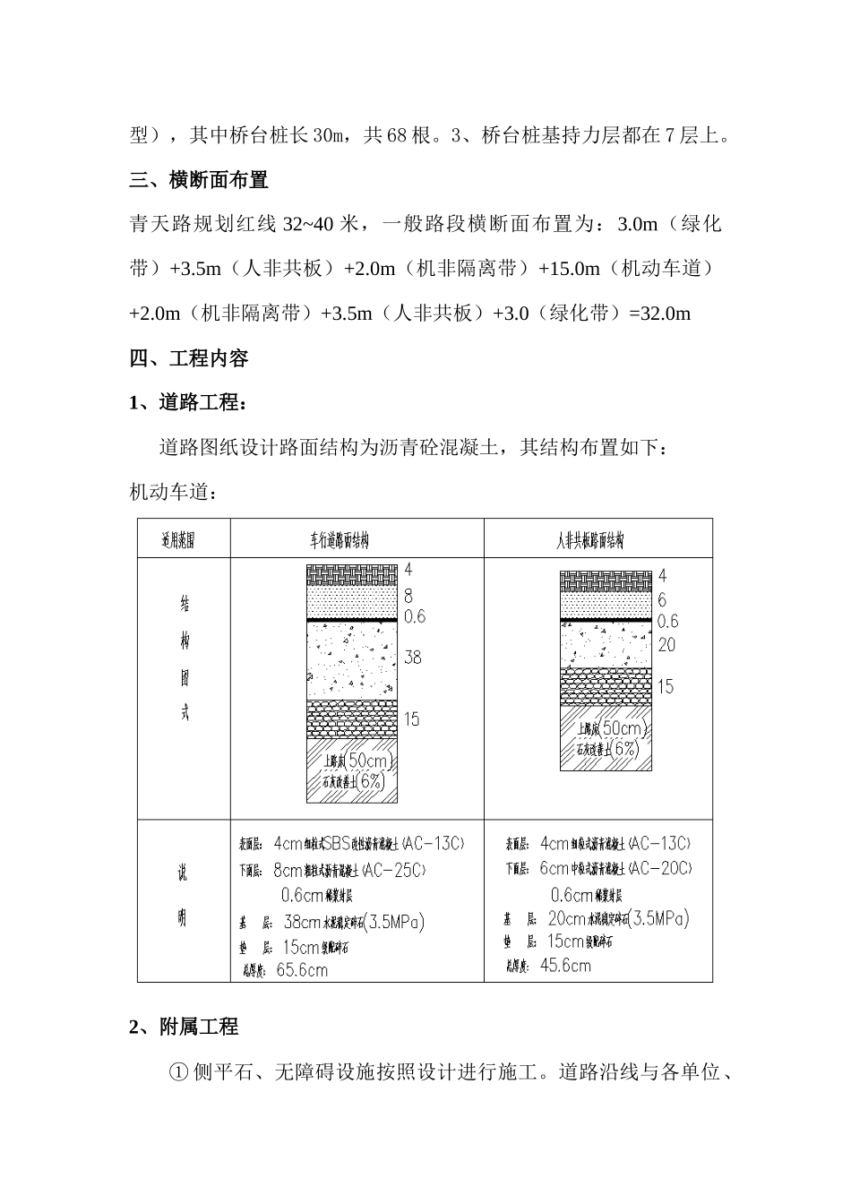
松江区青天路(规划路~松江区界)新建工程施工方案第一章工程概况第一节工程简介1、工程名称:松江区青天路(规划路~松江区界)新建工程2、设计单位:上海浦东建筑设计研究院有限公司3、监理单位:上海福达工程建设监理咨询有限公司4、建设单位:上海市松江区公路(市政)建设项目办5、施工单位:上海开天建设(集团)有限公司6、工程位置:青天路(规划路至松江区界)7、工程内容:包括道路、雨污水管道、桥梁。第二节主要工程内容概述一、工程概况佘山镇地处松江区西北,北与青浦区相接,南以佘天昆公路--辰花公路为界,东至嘉松公路,西达西大盈港,紧邻松江大学城,距虹桥交通枢纽仅18公里。青天路为松江区佘山镇西北区域内的南北向规划道路,南起沈砖公路,北至青昆路,规划道路全长3.7km。本工程为规划路~松江区界路段,道路全长643.71m,规划道路红线宽度为32m~40m。二、工程范围拟建青天路(规划路~松江区界)南起规划路,北至松江区界,路线全长643.71m(起点坐标:X=-14342.121,Y=-34299.857、里程桩号:K0+000;终点坐标:X=-13707.203,Y=-34398.949、里程桩号:K0+643.71),规划道路红线宽度为32m~40m,路面结构采用沥青混凝土路面结构。工程内容包括:1、道路工程2、桥梁工程3、排水工程4、附属工程。道路宽度26m,两边再各预留3m绿化带,设双向机动车道、两侧人非共板。按城市次干道设计,计算行车速度40Km/h。排水体系采用雨污分流制。雨水管采用钢筋混凝土承插式管道(管径Φ800-Φ1000),支管采用HDPE双壁缠绕塑料管SD≥8.0KN/㎡(管径DN300-DN400);污水管道采用HDPE双壁缠绕塑料管SD≥12.5.0KN/㎡(管径DN300)。银祥浜桥梁跨径组成为单跨22m简支梁桥形式(桩号K0+444至K0+466),桥梁标准横断面为:0.3m(栏杆)+2.7m(人行道)+3.5m(非机动车道)+2.0m(机非隔离带)+15m(机动车道)+2.0m(机非隔离带)+3.5m(非机动车道)+2.7m(人行道)+0.3m(栏杆)=32.0m。设计道路中心线法线与河道中心线逆交25°。上部结构:0#台~1#台为22m板梁,采用预应力混凝土空心板梁,梁高h=0.95m,梁长21.96m,逆交25°,全桥共18块。其中梁顶宽1.475m的边板共6块,梁顶宽1.25m的中板12块。边板悬臂长度为0.3m。下部结构:1、桥台采用薄壁式高桥台。2、桩基采用直径600PHC管桩(采用AB型),其中桥台桩长30m,共68根。3、桥台桩基持力层都在7层上。三、横断面布置青天路规划红线32~40米,一般路段横断面布置为:3.0m(绿化带)+3.5m(人非共板)+2.0m(机非隔离带)+15.0m(机动车道)+2.0m(机非隔离带)+3.5m(人非共板)+3.0(绿化带)=32.0m四、工程内容1、道路工程:道路图纸设计路面结构为沥青砼混凝土,其结构布置如下:机动车道:2、附属工程①侧平石、无障碍设施按照设计进行施工。道路沿线与各单位、里弄进口坡除另有规定均采用牛腿式进口坡施工。对市政及公用事业地下管线设施按设计要求采取保护措施。②路面雨水通过横坡及道路两侧街沟进入雨水口,雨水口收集的雨水通过连管排水系统下雨水管道统一排放。③本工程在桥头高填土区域,道路两侧设置挡土墙。挡土墙起止桩号分别为K0+386.54~K0+436.54;K0+458.68~K0+523.46两段。挡土墙型式为悬臂式钢筋混凝土结构,采用C30砼现浇。3、排水工程排水体系采用雨污分流制。雨水管采用钢筋混凝土承插式管道(管径Φ800-Φ1000),支管采用HDPE双壁缠绕塑料管SD≥8.0KN/㎡(管径DN300-DN400);污水管道采用HDPE双壁缠绕塑料管SD≥12.5.0KN/㎡(管径DN300)。4、桥梁工程银祥浜桥梁跨径组成为单跨22m简支梁桥形式(桩号K0+444至K0+466),桥梁标准横断面为:0.3m(栏杆)+2.7m(人行道)+3.5m(非机动车道)+2.0m(机非隔离带)+15m(机动车道)+2.0m(机非隔离带)+3.5m(非机动车道)+2.7m(人行道)+0.3m(栏杆)=32.0m。设计道路中心线法线与河道中心线逆交25°。上部结构:0#台~1#台为22m板梁,采用预应力混凝土空心板梁,梁高h=0.95m,梁长21.96m,逆交25°,全桥共18块。其中梁顶宽1.475m的边板共6块,梁顶宽1.25m的中板12块。边板悬臂长度为0.3m。下部结构:1、桥台采用薄壁式高桥台。2、桩基采用直径600PHC管桩(采用AB型),...

1、当您付费下载文档后,您只拥有了使用权限,并不意味着购买了版权,文档只能用于自身使用,不得用于其他商业用途(如 [转卖]进行直接盈利或[编辑后售卖]进行间接盈利)。
2、本站所有内容均由合作方或网友上传,本站不对文档的完整性、权威性及其观点立场正确性做任何保证或承诺!文档内容仅供研究参考,付费前请自行鉴别。
3、如文档内容存在违规,或者侵犯商业秘密、侵犯著作权等,请点击“违规举报”。

碎片内容

青天路施工方案

您可能关注的文档

确认删除?
VIP
微信客服
  • 扫码咨询
会员Q群
  • 会员专属群点击这里加入QQ群
客服邮箱
回到顶部