电脑桌面
添加小米粒文库到电脑桌面
安装后可以在桌面快捷访问

超威蓄电池售后指导书VIP免费

超威蓄电池售后指导书_第1页
1/6
超威蓄电池售后指导书_第2页
2/6
超威蓄电池售后指导书_第3页
3/6
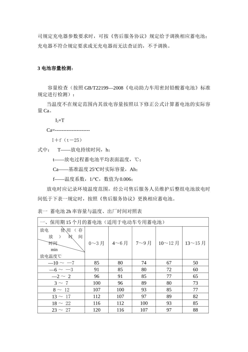
超威企业技术文件版本第1版版次第0次修改蓄电池退货检测判定方法页码共5页第1页受控编号一目的、范围为了规范退货电池检测分析管理,保护客户和公司的利益,对退货电池检测方法进行统一和规范。本文件规定了超威公司销售的电动助力车用蓄电池出现常见故障时检测及判定方法。本文件适用于本公司售后服务人员为用户检测判定以及退回电池的检测判定。二引用文件1GB/T22199—2008《电动助力车用密封铅酸蓄电池》2中国电器工业协会铅酸蓄电池分会于2006年12月制定的《电动助力车用密封铅酸蓄电池运输、安装、使用技术规范》3超威电池有限公司CWQB245—200805《蓄电池退货标准》三蓄电池的检测方法及判定1蓄电池外观检查:包装、售后服务人员应仔细观察蓄电池有无漏液、变形、破裂等明显外观缺陷;检查整组或单只电池有无人为外观改变(尤其是上盖片和加液孔改变,以及底部或侧面金属异物钉入等),对于人为外观改变的不予更换。2变形电池检查:在保修期内,发现电池变形现象时,要求对原配充电器进行检测,符合公司规定充电器参数要求时,可按《售后服务协议》规定给予调换相应蓄电池;充电器不符合规定要求或无充电器而无法查证的,不予调换。3电池容量检测:容量检查(按照GB/T22199—2008《电动助力车用密封铅酸蓄电池》标准规定进行检测):当温度不在规定范围内其放电容量按照以下修正公式计算蓄电池的实际容量Ca。I2×TCa=---------------------I+f(t-25)式中:T——放电持续时间,h;t——放电过程蓄电池平均表面温度,℃;Ca——基准温度25℃时实际容量,Ah;f——温度系数,1/℃,数值为0.006;放电时应记录环境温度范围,经公司售后服务人员维护后整组电池放电时间低于下表一规定时,按照《售后服务协议》更换相应蓄电池。表一蓄电池2h率容量与温度、出厂时间对照表一、保用期15个月的蓄电池(适用于电动车专用蓄电池)放电使用(存放)时间时间min放电温度℃0~3月4~6月7~9月10~12月13~15月—10~—78580746750—6~—39185807260—2~296918577653~7100968980738~1210710093857713~1711210797898218~22116112100938523~27120116107978828~321241201121009133~371271241161039338~4213012712010595二、保用期12个月的蓄电池(适用于电动三轮车专用蓄电池)放电使用(存放)时间时间min放电温度℃0~3月4~6月7~9月10~11月12~月—10~—78580746760—6~—39185807265—2~296918577693~7100968981728~1210710093857713~1711210797898118~22116112100938523~27120116107978828~321241201121009133~371271241161039338~4213012712010595三、保用期11个月的蓄电池(适用于电摩专用蓄电池)放电使用(存放)时间时间min放电温度℃0~2月3~4月5~6月7~8月9~11月—10~—78580746760—6~—39188807265—2~295918577693~7101958981738~1210710093857713~1711210597898118~22116108101938523~27120112104978828~321241161081009133~371271191101039338~4213012111410595四、保用期10个月的蓄电池放电使用(存放)时间时间min放电温度℃0~2月3~4月5~6月7~8月9~10月—10~—78580746760—6~—39185807265—2~296918577693~7100968981728~1210710093857713~1711210797898118~22116112100938523~27120116107978828~321241201121009133~371271241161039338~4213012712010595五、保用期18个月的蓄电池放电使用(存放)时间时间min放电温度℃0~3月4~6月7~9月10~11月12~月—10~—78580726760—6~—39186807265—2~296918577693~7101958981728~1210410093857713~1711210597898118~22116108101938523~27120112104978828~321241161081009133~371271191111039338~42130121116105954单只过放电电池的判定:蓄电池在使用过程中出现落后现象属于正常的,整组电池放电容量压差不一致有多种原因造成,对于人为过放电原因造成的落后电池按下述方法处理。落后电池补充电:首先应对落后电池进行单只充电,单只充电可采用单只充电器或整组充电器串联电阻丝进行充电,单只充电最高电压14.8V/只(指12V电池,其他型号电池以此类推)...

1、当您付费下载文档后,您只拥有了使用权限,并不意味着购买了版权,文档只能用于自身使用,不得用于其他商业用途(如 [转卖]进行直接盈利或[编辑后售卖]进行间接盈利)。
2、本站所有内容均由合作方或网友上传,本站不对文档的完整性、权威性及其观点立场正确性做任何保证或承诺!文档内容仅供研究参考,付费前请自行鉴别。
3、如文档内容存在违规,或者侵犯商业秘密、侵犯著作权等,请点击“违规举报”。

碎片内容

超威蓄电池售后指导书

您可能关注的文档

确认删除?
VIP
微信客服
  • 扫码咨询
会员Q群
  • 会员专属群点击这里加入QQ群
客服邮箱
回到顶部