电脑桌面
添加小米粒文库到电脑桌面
安装后可以在桌面快捷访问

亚信IOM系统培训文档VIP免费

亚信IOM系统培训文档_第1页
1/68
亚信IOM系统培训文档_第2页
2/68
亚信IOM系统培训文档_第3页
3/68
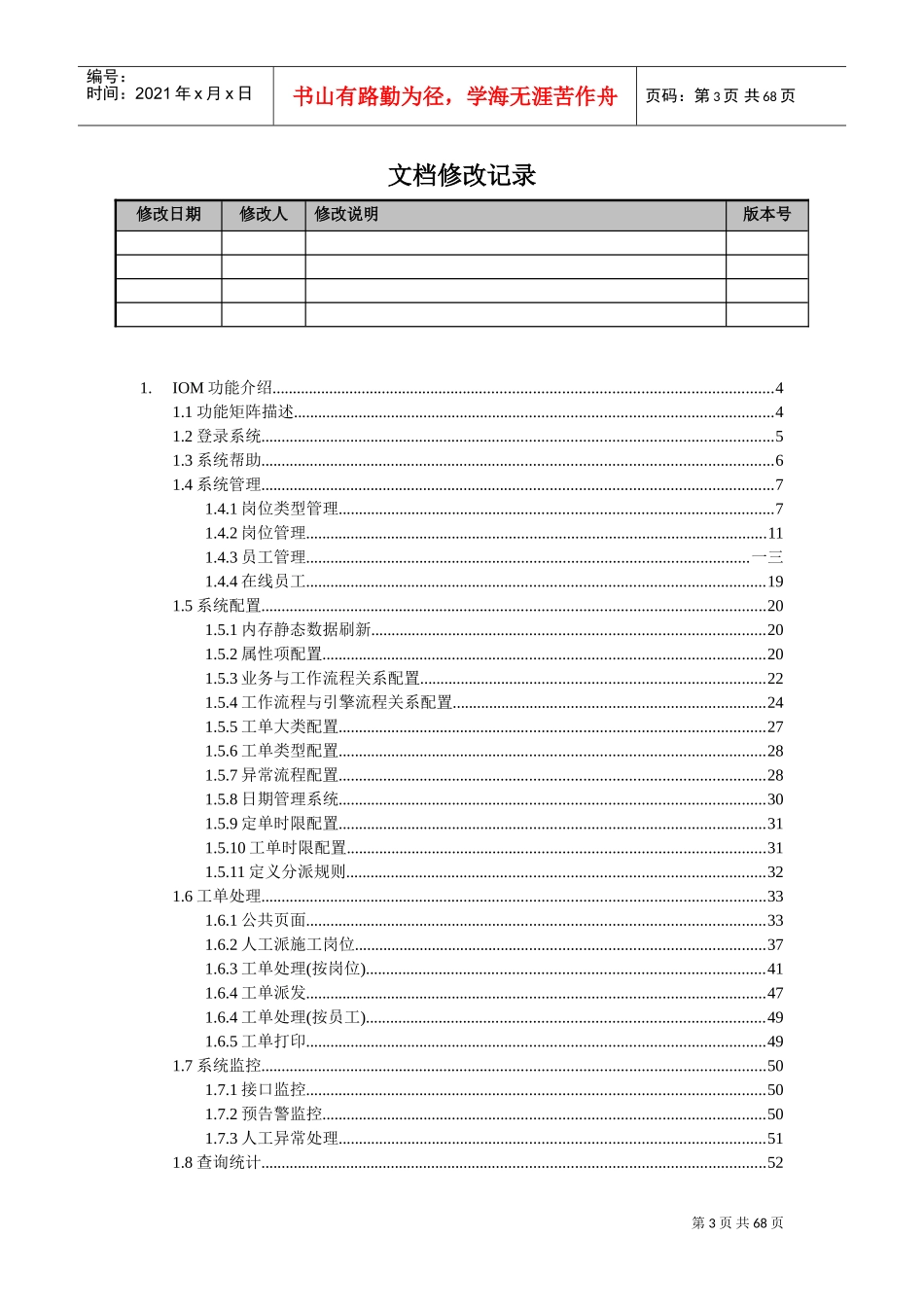
IOM培训文档亚信IOM系统培训文档培训对象:运行维护文档编号:创建日期:2010-10-19最后修改2010-10-19日期:版本号:0.1电子版文件名:IOM培训文档.doc第3页共68页编号:时间:2021年x月x日书山有路勤为径,学海无涯苦作舟页码:第3页共68页文档修改记录修改日期修改人修改说明版本号1.IOM功能介绍..........................................................................................................................41.1功能矩阵描述.....................................................................................................................41.2登录系统.............................................................................................................................51.3系统帮助.............................................................................................................................61.4系统管理.............................................................................................................................71.4.1岗位类型管理..........................................................................................................71.4.2岗位管理................................................................................................................111.4.3员工管理............................................................................................................一三1.4.4在线员工................................................................................................................191.5系统配置...........................................................................................................................201.5.1内存静态数据刷新................................................................................................201.5.2属性项配置............................................................................................................201.5.3业务与工作流程关系配置....................................................................................221.5.4工作流程与引擎流程关系配置............................................................................241.5.5工单大类配置........................................................................................................271.5.6工单类型配置........................................................................................................281.5.7异常流程配置........................................................................................................281.5.8日期管理系统........................................................................................................301.5.9定单时限配置........................................................................................................311.5.10工单时限配置......................................................................................................311.5.11定义分派规则......................................................................................................321.6工单处理...........................................................................................................................331.6.1公共页面................................................................................................................331.6.2人工派施工岗位....................................................................................................371.6.3工单处理(按岗位)....................

1、当您付费下载文档后,您只拥有了使用权限,并不意味着购买了版权,文档只能用于自身使用,不得用于其他商业用途(如 [转卖]进行直接盈利或[编辑后售卖]进行间接盈利)。
2、本站所有内容均由合作方或网友上传,本站不对文档的完整性、权威性及其观点立场正确性做任何保证或承诺!文档内容仅供研究参考,付费前请自行鉴别。
3、如文档内容存在违规,或者侵犯商业秘密、侵犯著作权等,请点击“违规举报”。

碎片内容

亚信IOM系统培训文档

您可能关注的文档

确认删除?
VIP
微信客服
  • 扫码咨询
会员Q群
  • 会员专属群点击这里加入QQ群
客服邮箱
回到顶部