电脑桌面
添加小米粒文库到电脑桌面
安装后可以在桌面快捷访问

拆迁房屋货币补偿基准价格及相关修正系数及拆迁房屋货币补偿基准VIP免费

拆迁房屋货币补偿基准价格及相关修正系数及拆迁房屋货币补偿基准_第1页
1/6
拆迁房屋货币补偿基准价格及相关修正系数及拆迁房屋货币补偿基准_第2页
2/6
拆迁房屋货币补偿基准价格及相关修正系数及拆迁房屋货币补偿基准_第3页
3/6
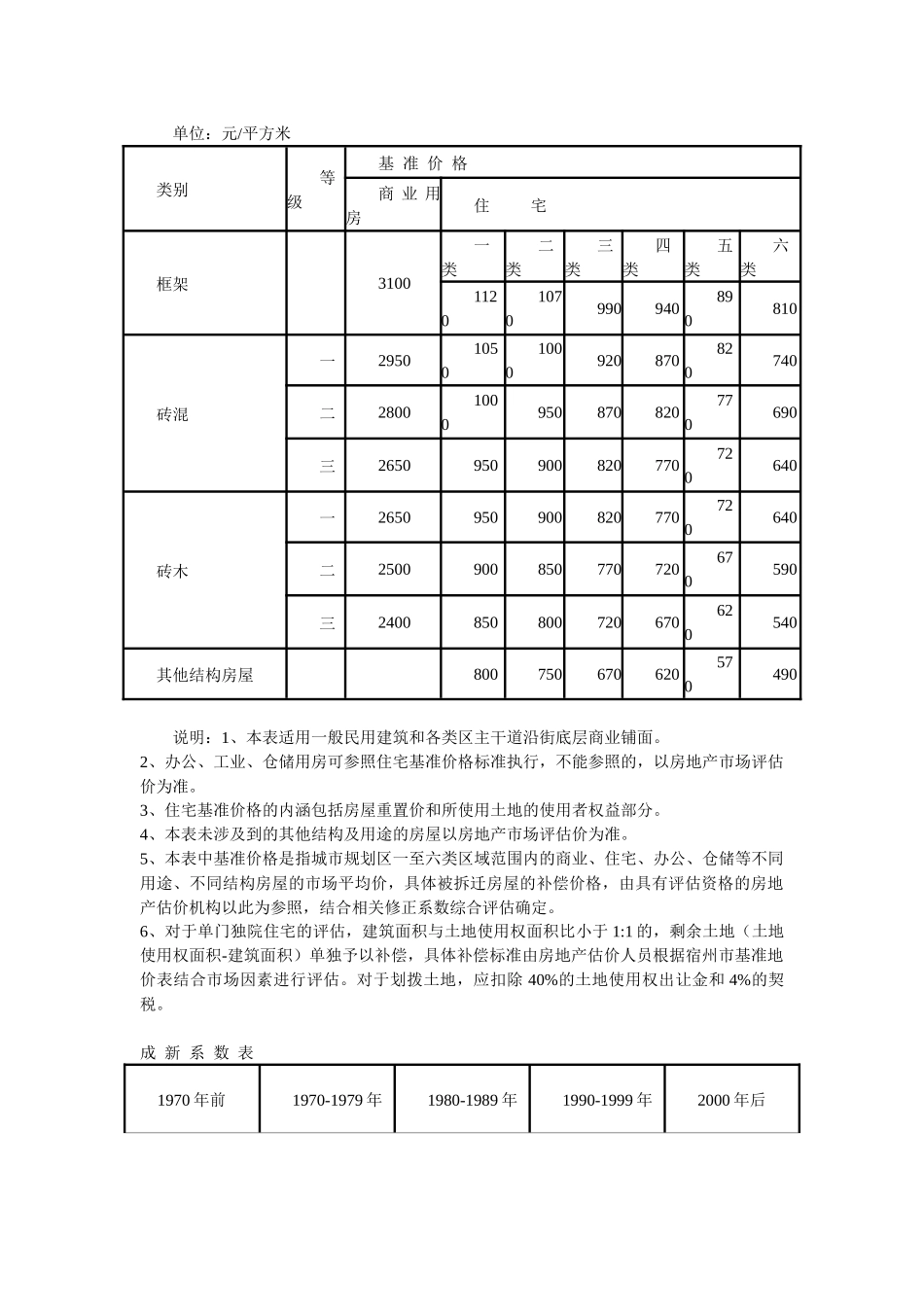
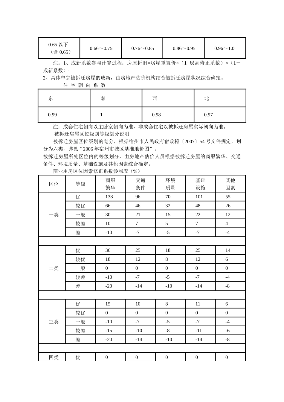
单位:元/平方米类别等级基准价格商业用房住宅框架3100一类二类三类四类五类六类11201070990940890810砖混一295010501000920870820740二28001000950870820770690三2650950900820770720640砖木一2650950900820770720640二2500900850770720670590三2400850800720670620540其他结构房屋800750670620570490说明:1、本表适用一般民用建筑和各类区主干道沿街底层商业铺面。2、办公、工业、仓储用房可参照住宅基准价格标准执行,不能参照的,以房地产市场评估价为准。3、住宅基准价格的内涵包括房屋重置价和所使用土地的使用者权益部分。4、本表未涉及到的其他结构及用途的房屋以房地产市场评估价为准。5、本表中基准价格是指城市规划区一至六类区域范围内的商业、住宅、办公、仓储等不同用途、不同结构房屋的市场平均价,具体被拆迁房屋的补偿价格,由具有评估资格的房地产估价机构以此为参照,结合相关修正系数综合评估确定。6、对于单门独院住宅的评估,建筑面积与土地使用权面积比小于1:1的,剩余土地(土地使用权面积-建筑面积)单独予以补偿,具体补偿标准由房地产估价人员根据宿州市基准地价表结合市场因素进行评估。对于划拨土地,应扣除40%的土地使用权出让金和4%的契税。成新系数表1970年前1970-1979年1980-1989年1990-1999年2000年后0.65以下(含0.65)0.66~0.750.76~0.850.86~0.950.96~1.0注:1、成新系数参与计算过程:房屋折旧=房屋重置价×(1+层高修正系数)×(1-成新系数);2、具体单宗被拆迁房屋的成新,由房地产估价机构结合被拆迁房屋状况综合确定。住宅朝向系数东南西北0.9910.980.97注:成套住宅朝向以主卧室朝向为准,非成套住宅以被拆迁房屋实际朝向为准。被拆迁房屋区位级别等级划分说明被拆迁房屋区位级别的划分,根据宿州市人民政府宿政秘〔2007〕54号文件规定,划分为六类,详见“2006年宿州市城区基准地价图”。被拆迁房屋所处区位内的等级划分,由房地产估价人员根据被拆迁房屋的商服繁华、交通条件、环境质量、基础设施及其他因素综合确定。商业用房区位因素修正系数参照表(%)区位等级商服繁华交通条件环境质量基础设施其他因素一类优138967010155较优6646324826一般3021152212较差107574差-10-7-5-7-4二类优3625182514较优18128126一般00000较差-10-7-5-7-4差-20-14-10-14-8三类优15108116较优00000一般-10-7-5-7-4较差-15-10-8-11-6差-20-14-10-14-8四类优00000较优-5-3.5-2.5-3.5-2一般-10-7-5-7-4较差-20-14-10-14-8差-22.5-16-11-17-10五类优00000较优-6-4.5-3.5-4.5-3一般-11-8-6-8-5较差-21-15-11-15-9差-23.5-17-12-18-11六类参照五类类别内一般等级修正系数以下执行住宅用房区位因素修正系数参照表(%)区位等级区位繁华交通状况生活设施公用配套设施环境因素其他因素一类优131317141211较优779766一般000000较差-1-1-1-0.5-1-1差-2-2-2-1-2-2二类优12121613129较优6686.564.5一般000000较差-1.5-1.5-2-1-1-1.5差-3-3-4-2-2-3三类优10111412128较优57.57664一般000000较差-2.5-2-2.5-1.5-2-2差-5-4-5-3-4-4四类优891210126较优44.56563一般000000较差-3.5-2.5-4-2-2.5-3.5差-7-5-8-4-5-7五类优78119115较优33.55452一般000000较差-4.5-3.5-5-3-3.5-4.5差-8-6-9-5-6-8六类参照五类修正系数执行拆迁房屋重置价格参照表单位:元/平方米类别等级结构设备重置价框架框架剪力墙、梁柱承重,现浇屋面,铝塑门窗,高级粉刷,水电卫齐全。620砖混一240砖墙,钢筋混凝土梁承重,层层设置圈梁和构造柱,现浇屋面,铝塑门窗,高级粉刷,水电卫齐全。500二240砖墙承重,设置圈梁或构造柱,多孔板屋面,标准木门窗一玻一纱,中级粉刷,水电卫齐全。450砖木一240砖墙,瓦屋面,木桁条,标准门窗,水泥地坪,水电卫齐全,外墙粉刷。400二240或180砖墙,瓦屋面,木桁条或预制桁条,标准门窗,水泥地坪,水电齐全,清水墙。350三240或180砖墙或土墙,简易屋面,非标准门窗,水电齐全。300其他结构房屋低于砖木三等以下的标准房屋。250注:以上价格是指各类标准层(檐)高(2.8米~3.0米)房屋的重置价格。拆迁房屋层(檐)高修正系数参照表类别层(檐)高...

1、当您付费下载文档后,您只拥有了使用权限,并不意味着购买了版权,文档只能用于自身使用,不得用于其他商业用途(如 [转卖]进行直接盈利或[编辑后售卖]进行间接盈利)。
2、本站所有内容均由合作方或网友上传,本站不对文档的完整性、权威性及其观点立场正确性做任何保证或承诺!文档内容仅供研究参考,付费前请自行鉴别。
3、如文档内容存在违规,或者侵犯商业秘密、侵犯著作权等,请点击“违规举报”。

碎片内容

拆迁房屋货币补偿基准价格及相关修正系数及拆迁房屋货币补偿基准

确认删除?
VIP
微信客服
  • 扫码咨询
会员Q群
  • 会员专属群点击这里加入QQ群
客服邮箱
回到顶部