电脑桌面
添加小米粒文库到电脑桌面
安装后可以在桌面快捷访问

《岗位分析与岗位评价适应资料》光盘内容VIP免费

《岗位分析与岗位评价适应资料》光盘内容_第1页
1/72
《岗位分析与岗位评价适应资料》光盘内容_第2页
2/72
《岗位分析与岗位评价适应资料》光盘内容_第3页
3/72
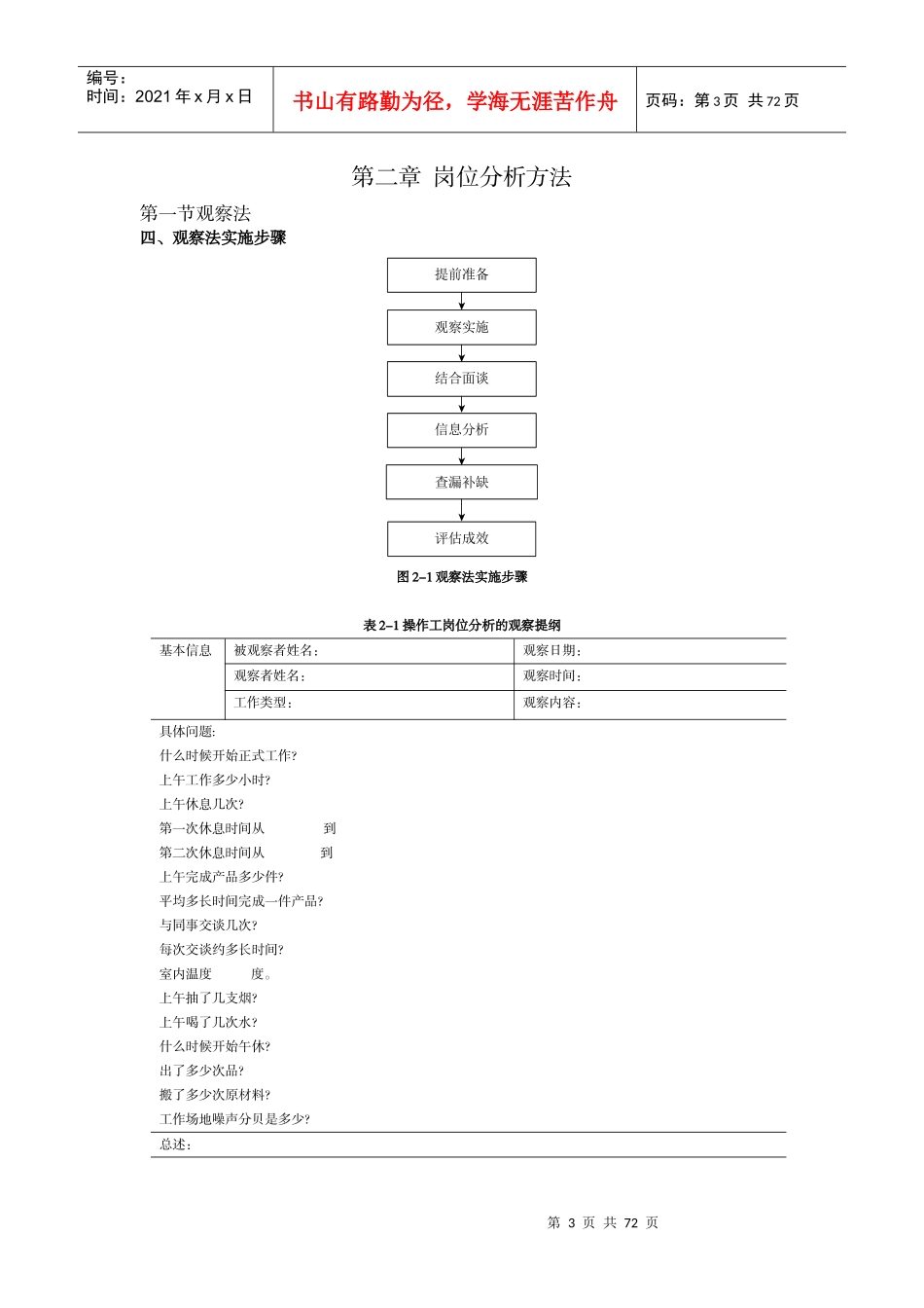
第1页共72页编号:时间:2021年x月x日书山有路勤为径,学海无涯苦作舟页码:第1页共72页《岗位分析与岗位评价》光盘内容第一章岗位分析概述第一节岗位分析的涵义二、岗位分析的基本术语图1-1岗位分析相关术语间的关系第二节岗位分析的目的、内容和作用三、岗位分析的作用图1-2岗位分析与组织人力资源各模块的关系第三节岗位分析的程序二、实施步骤表1-1岗位分析的实施步骤序号主要步骤关键环节点备.注1确定岗位分析的目的和适用范围对现有岗位分层分类要素任务职责岗位工作职业工作族责任职权工作设计组织结构设计人力资源规划职业生涯薪酬设计岗位分析绩效评估培训与开发人员选聘与录用第2页共72页第1页共72页编号:时间:2021年x月x日书山有路勤为径,学海无涯苦作舟页码:第2页共72页2选择被分析的工作选择信息来源选择使用者选择适用的方法和系统3分配进行岗位分析活动的责任和权限控制方面管理方面设计方面收集、分析方面结果表达方面运用方面4收集、分析、综合工作执行标准报酬因素工作族第3页共72页第2页共72页编号:时间:2021年x月x日书山有路勤为径,学海无涯苦作舟页码:第3页共72页第二章岗位分析方法第一节观察法四、观察法实施步骤图2-1观察法实施步骤表2-1操作工岗位分析的观察提纲基本信息被观察者姓名:观察日期:观察者姓名:观察时间:工作类型:观察内容:具体问题:什么时候开始正式工作?上午工作多少小时?上午休息几次?第一次休息时间从到第二次休息时间从到上午完成产品多少件?平均多长时间完成一件产品?与同事交谈几次?每次交谈约多长时间?室内温度度。上午抽了几支烟?上午喝了几次水?什么时候开始午休?出了多少次品?搬了多少次原材料?工作场地噪声分贝是多少?总述:提前准备观察实施结合面谈信息分析查漏补缺评估成效第4页共72页第3页共72页编号:时间:2021年x月x日书山有路勤为径,学海无涯苦作舟页码:第4页共72页第二节问卷调查法三、调查问卷的设计表2-2职位信息问卷尊敬的某某公司的广大员工:您好!我们是北京xx管理咨询有限公司。我们正与您一起为贵公司迎接未来的挑战、持续提高业绩而努力。此次问卷调查的目的,是要全面准确地掌握公司各岗位的现状,以便于我们能够正确地编制岗位说明书,从而有力地指导公司的人力资源管理工作。导论职位信息问卷是用来收集您所从事工作的有关信息。它包含公司所认定的每项工作中最重要的成分。职位信息问卷将向您询问以下问题:--从事该职位所运用的技能6知识--职责的复杂性--职位对企业的影响--工作环境1.工作综述●工作概要:您所从事工作的主要目标是什么?(它为什么存在,该工作在公司中起什么作用?)例如:通过执行办公室和行政职责为本部门提供秘书支持。以最小的成本采购产品和服务以满足特定的需求。从事涉及计算机运用的开发$安装维护工作的系统分析。提示:在回答该问题之前可以先列出工作职责__________________________________________________________________________________________________●您所从事工作的主要职责是什么?在下面的空白处列出您的工作中最重要/最常见的五项职责。然后,在右边相应的位置上注明您在每一项职责上所花费的时间。工作职责所花费时间比例(总计不得超过100%)(1)______________________________________________________________________________(2)______________________________________________________________________________(3)______________________________________________________________________________(4)______________________________________________________________________________(5)______________________________________________________________________________2.所运用的技能知识●正规培训或教育:为开始您的工作需要什么样的正规培训/教育水平?例如:高中毕业,两年数据处理的技术背景,化学学士学位等。_________________________________________________第5页共72页第4页共72页编号:时间:2021年x月x日书山有路勤为径,学海无涯苦作舟页码:第5页共72页为开始您的工作,还需要什么样的培训、资格认证、执照、例...

1、当您付费下载文档后,您只拥有了使用权限,并不意味着购买了版权,文档只能用于自身使用,不得用于其他商业用途(如 [转卖]进行直接盈利或[编辑后售卖]进行间接盈利)。
2、本站所有内容均由合作方或网友上传,本站不对文档的完整性、权威性及其观点立场正确性做任何保证或承诺!文档内容仅供研究参考,付费前请自行鉴别。
3、如文档内容存在违规,或者侵犯商业秘密、侵犯著作权等,请点击“违规举报”。

碎片内容

《岗位分析与岗位评价适应资料》光盘内容

您可能关注的文档

确认删除?
VIP
微信客服
  • 扫码咨询
会员Q群
  • 会员专属群点击这里加入QQ群
客服邮箱
回到顶部