电脑桌面
添加小米粒文库到电脑桌面
安装后可以在桌面快捷访问

人力资源-2022K179“加”969顶进涵专项施工方案培训资料VIP免费

人力资源-2022K179“加”969顶进涵专项施工方案培训资料_第1页
1/46
人力资源-2022K179“加”969顶进涵专项施工方案培训资料_第2页
2/46
人力资源-2022K179“加”969顶进涵专项施工方案培训资料_第3页
3/46
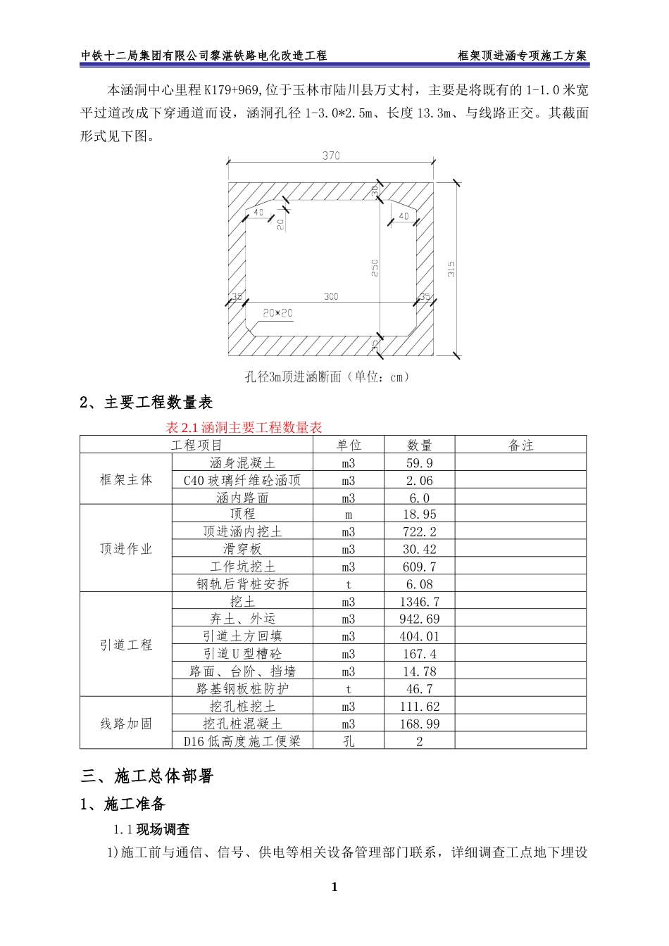
中铁十二局集团有限公司黎湛铁路电化改造工程框架顶进涵专项施工方案K179+969框架涵顶进施工方案一、编制依据、原则及目的1、编制依据1)《铁路安全管理条例》(中华人民共和国国务院令第639号)2)《铁路营业线施工安全管理办法》(铁运【2012】280号)3)《南宁铁路局普速铁路营业线施工安全管理实施细则》(宁铁运【2013】26号)4)《普速铁路工务安全规则》(铁总运【2014】272号)5)建工函[2009]260号《大型机械临近营业线施工管理规定》6)铁道部第32号《铁路交通事故应急救援规则》等有关文件及规定7)《营业线铁路安全事故应急救援条例》8)《建设工程安全生产管理条例》9)施工图、施工现场调查资料10)改建营业线和增建第二线铁路工程施工技术暂行规定(铁建设[2008]14号)11)《铁路工程施工安全技术规程》(TB10401-2003,J259-2003)等2、编制原则1)严格执行“安全生产,持证上岗”的原则,参建人员须经安全教育培训,考试合格后,持证上岗。2)当施工与铁路行车安全发生矛盾时,遵循“安全第一”的原则,服从铁路行车的需要;行车不施工,施工不行车。3)营业线施工严格执行一人一机专职防护、车过机停、营业线施工安全“三有、九不准”原则。4)施工前对所有人员进行技术交底,掌握技术要点及注意的安全事项,确保施工万无一失,严格按照批准的施工方案进行。5)遵循最大限度地减少对铁路运营干扰的原则。3、编制目的明确顶进框架涵作业的施工方法、工艺流程、操作要点、工艺标准和安全防护方案。二、工程简介1、项目概况0中铁十二局集团有限公司黎湛铁路电化改造工程框架顶进涵专项施工方案本涵洞中心里程K179+969,位于玉林市陆川县万丈村,主要是将既有的1-1.0米宽平过道改成下穿通道而设,涵洞孔径1-3.0*2.5m、长度13.3m、与线路正交。其截面形式见下图。2、主要工程数量表表2.1涵洞主要工程数量表工程项目单位数量备注框架主体涵身混凝土m359.9C40玻璃纤维砼涵顶m32.06涵内路面m36.0顶进作业顶程m18.95顶进涵内挖土m3722.2滑穿板m330.42工作坑挖土m3609.7钢轨后背桩安拆t6.08引道工程挖土m31346.7弃土、外运m3942.69引道土方回填m3404.01引道U型槽砼m3167.4路面、台阶、挡墙m314.78路基钢板桩防护t46.7线路加固挖孔桩挖土m3111.62挖孔桩混凝土m3168.99D16低高度施工便梁孔2三、施工总体部署1、施工准备1.1现场调查1)施工前与通信、信号、供电等相关设备管理部门联系,详细调查工点地下埋设1中铁十二局集团有限公司黎湛铁路电化改造工程框架顶进涵专项施工方案的电力,通信光缆等地下管线情况。2)地下管、线、电缆等隐蔽设施无法提供准确位置时采取人工开挖探槽,探沟深度不小于1.2m,探清管线数量及线路走向。3)现场用白灰标出既有地下管线位置,在管线两侧设警示标示杆、牌。积极与设备管理单位取得联系改移,在地下管线改移、保护完成后再进行基坑开挖施工。1.2技术准备1)组织人员核实现场地形地貌、水文条件等是否与设计相符合,编制施工方案、材料计划。2)框架涵顶进施工前,根据设计院交桩点、设计图纸准确放出中线位置,进行框架涵精确的定位及高程控制。3)组织架子队人员进场,开工前进行技术和安全交底。靠近既有线施工时,按批准的施工防护方案先防护后施工。4)检查施工用机械、机具、材料全部到位,能否满足施工进度要求。1.3施工用水用电施工用水采用地方的自来水及河道用水,并对施工用水进行水质检验,确保符合施工用水,施工用电采用地方用电和自发电结合的方式进行,确保施工需要。2、施工工期安排本涵洞为营业线施工,为最大限度的减少对铁路运营的影响,尽量共用天窗,相邻地段多开工点,根据铁路局批复的计划准时施工。计划开工工期2015年8月1日,完工日期2015年9月21日。工期安排详见下表3.1要点计划详见表3.2表3.1顶进涵工序及时间安排序号工作地点工作内容起讫日期工期(天)备注1K179+969开挖工作坑2015年8月1日~2015年8月5日52滑板施工2015年8月6日~2015年8月8日33框架涵预制2015年8月9日~2015年8月18日104后背墙施工2015年8月9日~2015年8月18日105挖孔桩施工2015年8月1日~2015年8月21日212中铁十二局集团有限公司黎湛铁路电...

1、当您付费下载文档后,您只拥有了使用权限,并不意味着购买了版权,文档只能用于自身使用,不得用于其他商业用途(如 [转卖]进行直接盈利或[编辑后售卖]进行间接盈利)。
2、本站所有内容均由合作方或网友上传,本站不对文档的完整性、权威性及其观点立场正确性做任何保证或承诺!文档内容仅供研究参考,付费前请自行鉴别。
3、如文档内容存在违规,或者侵犯商业秘密、侵犯著作权等,请点击“违规举报”。

碎片内容

人力资源-2022K179“加”969顶进涵专项施工方案培训资料

您可能关注的文档

确认删除?
VIP
微信客服
  • 扫码咨询
会员Q群
  • 会员专属群点击这里加入QQ群
客服邮箱
回到顶部