电脑桌面
添加小米粒文库到电脑桌面
安装后可以在桌面快捷访问

玻璃幕墙_门窗施工方案VIP免费

玻璃幕墙_门窗施工方案_第1页
1/28
玻璃幕墙_门窗施工方案_第2页
2/28
玻璃幕墙_门窗施工方案_第3页
3/28
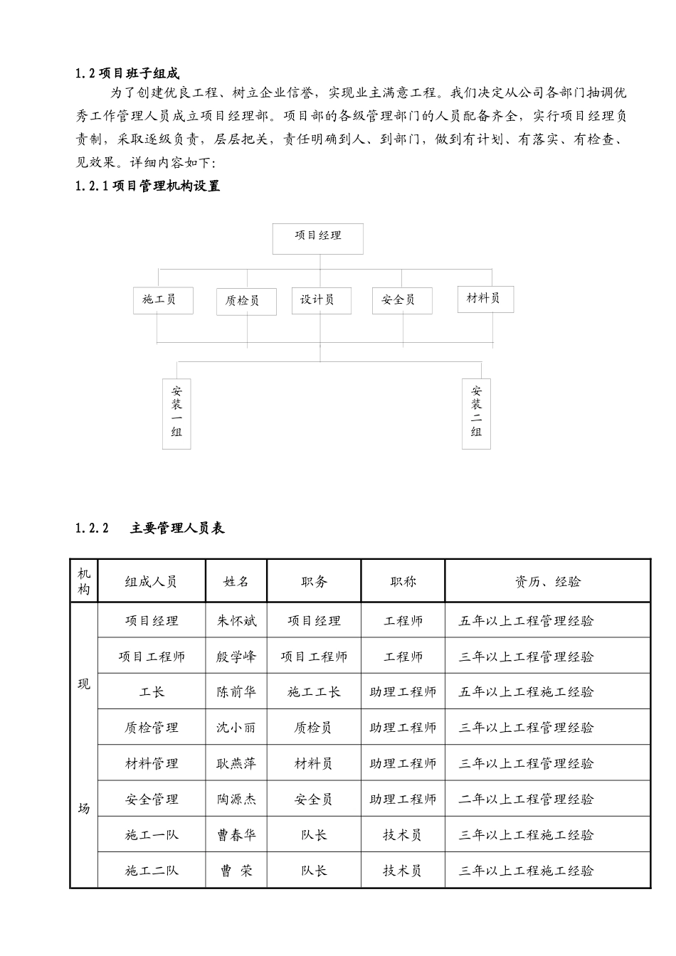
目录1.施工准备1.1工程概况1.2项目班子组成1.3项目部劳动力配备及主要施工设备1.4施工用水、电、场地2.施工进度计划2.1施工进度计划2.2工期保证措施及控制办法3.材料来源及主要加工工序技术措施3.1主要材料标准3.2工程选用的主要材料及质量检验说明3.3玻璃幕墙组件结构胶注胶质量控制4.幕墙现场安装施工工艺及技术措施4.1玻璃幕墙安装工艺流程4.2施工前准备4.3玻璃幕墙的安装施工5.质量保证措施5.1工程质量目标5.2质量保证措施5.3玻璃幕墙质量自检6.成品保护措施6.1加工阶段材料及成品的保护6.2包装阶段材料及成品的保护6.3运输过程中材料与成品的保护6.4施工阶段材料、成品(半成品)的保护7.施工配合措施7.1与业主及土建的配合8.安全、文明施工保证措施8.1安全生产管理目标和文明施工管理目标8.2安全生产及文明施工管理机构的设置和运行程序8.3安全生产及文明施工保证措施9.编制依据1.施工准备1.1工程概况(一)工程名称:南通航海楼门窗、幕墙工程(二)工程地点:南通市开发区(三)建设单位:南通航院(四)工程内容:铝合金门窗、玻璃幕墙(五)工程质量标准:一次性验收合格1.2项目班子组成为了创建优良工程、树立企业信誉,实现业主满意工程。我们决定从公司各部门抽调优秀工作管理人员成立项目经理部。项目部的各级管理部门的人员配备齐全,实行项目经理负责制,采取逐级负责,层层把关,责任明确到人、到部门,做到有计划、有落实、有检查、见效果。详细内容如下:1.2.1项目管理机构设置1.2.2主要管理人员表机构组成人员姓名职务职称资历、经验现场项目经理朱怀斌项目经理工程师五年以上工程管理经验项目工程师殷学峰项目工程师工程师三年以上工程管理经验工长陈前华施工工长助理工程师五年以上工程施工经验质检管理沈小丽质检员助理工程师三年以上工程管理经验材料管理耿燕萍材料员助理工程师三年以上工程管理经验安全管理陶源杰安全员助理工程师二年以上工程管理经验施工一队曹春华队长技术员三年以上工程施工经验施工二队曹荣队长技术员三年以上工程施工经验项目经理施工员质检员设计员材料员安装二组安装一组安全员1.2.3现场管理机构正常运行的保证措施(1)为确保幕墙、门窗工程施工顺利进行,完成合同条件所规定的内容,项目经理部建立一套行之有效的各项规章管理制度,如施工质量管理、安全生产管理、进度计划管理、材料机具管理、文明施工管理、消防保卫管理等。(2)制定岗位责任制项目经理部实行项目经理负责制。制定项目经理部所有管理人员从项目经理到一般工作人员的岗位责任制,制定各职能科室的岗位职责。(3)实行考核考察制度按各职能科室岗位职责和管理人员的岗位责任制,每周定期进行一次考核考查,每月定期进行一次评比会,对不胜任工作岗位的人员及时进行调换。为调动大家积极性,实行激励机制、奖优罚劣。(4)保持信息渠道畅通项目部配备先进的通讯设施,利用公司严格的报表制度,保证公司和项目经理部管理控制措施及时下达,下面的各种实际情况及时向上反馈,出现的问题及时得到解决。(5)建立例会制度和请示汇报制度建立项目经理部各种例会制度,如每天的生产、质量、安全碰头会、每周的工作总结会、每月检查评比会等,并建立请示汇报制度。1.2.4项目经理部岗位职责(1)项目经理岗位职责负责从工程准备至安装完工交付全过程的实施和管理,对工程的质量、进度、安全、供应、财务等全面负责;协调和处理甲、乙双方及土建总包单位的关系、项目部内部各职能机构的关系、以及项目部与公司内各部门之间的关系;代表项目部对外签订有关合同;对于重大问题负责向公司主管副总汇报。最终实现工程项目的总目标。项目经理向公司负责。(2)设计员岗位职责在总工程师领导下,对工程设计方案图进行深化设计任务,并确保施工图纸完整准确,并报业主及设计师签字认可,协助质检员监督施工是否符合设计要求及相关规范。(3)质检员岗位责任制严格执行设计、工艺质量标准检验制度,组织对工程材料及施工质量的自检、互检、抽检和终检,经常分析质量状况,掌握质量动态;各分项工程开工前作好质量及规范要求布置会;在检查过程中做到各负其责,不错检、不漏检...

1、当您付费下载文档后,您只拥有了使用权限,并不意味着购买了版权,文档只能用于自身使用,不得用于其他商业用途(如 [转卖]进行直接盈利或[编辑后售卖]进行间接盈利)。
2、本站所有内容均由合作方或网友上传,本站不对文档的完整性、权威性及其观点立场正确性做任何保证或承诺!文档内容仅供研究参考,付费前请自行鉴别。
3、如文档内容存在违规,或者侵犯商业秘密、侵犯著作权等,请点击“违规举报”。

碎片内容

玻璃幕墙_门窗施工方案

您可能关注的文档

黄金阁书苑+ 关注
实名认证
内容提供者

热爱教学事业,对互联网知识分享很感兴趣

确认删除?
VIP
微信客服
  • 扫码咨询
会员Q群
  • 会员专属群点击这里加入QQ群
客服邮箱
回到顶部