电脑桌面
添加小米粒文库到电脑桌面
安装后可以在桌面快捷访问

力工具STQ024机电安装工程培训资料VIP免费

力工具STQ024机电安装工程培训资料_第1页
1/125
力工具STQ024机电安装工程培训资料_第2页
2/125
力工具STQ024机电安装工程培训资料_第3页
3/125
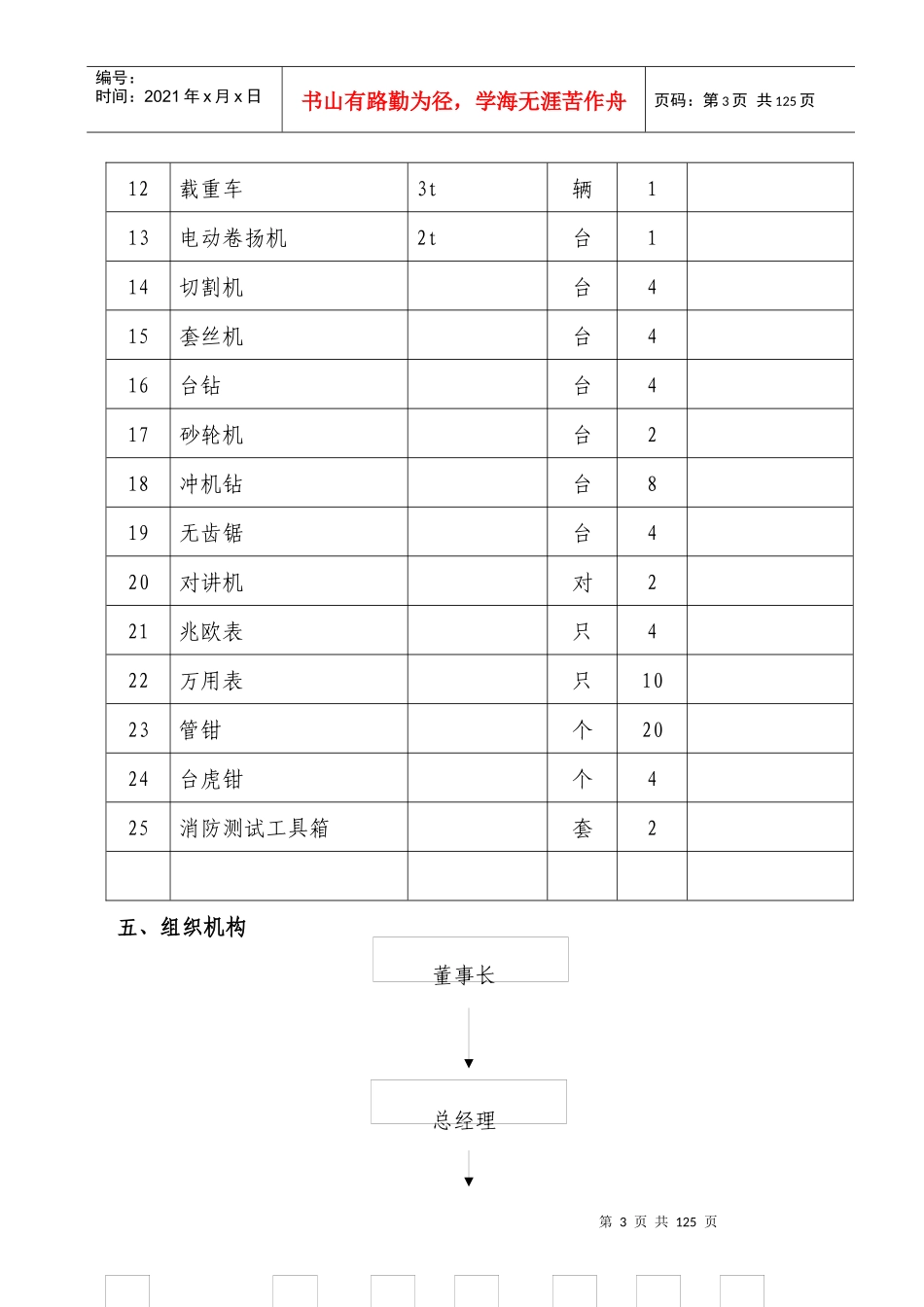
第1页共125页编号:时间:2021年x月x日书山有路勤为径,学海无涯苦作舟页码:第1页共125页一、工程概况1、工程名称:动力工具STQ024机电安装工程2、建筑单位:尔动力工具()有限公司3、设计单位:4、总承包方:5、现场位置:出口加工区6、工程范围:7、开、竣工日期:计划开工日期:2006年4月1日计划竣工日期:2006年6月20日8、质量目标:优良二、工程特点施工周期短、工程量体大,施工图设计深度不够,需进一步细化。三、进度计划(见附图)及劳力动态图四、劳力、机具计划1、劳力计划序号工种人数备注1铆工202钳工103电工284管工30第2页共125页第1页共125页编号:时间:2021年x月x日书山有路勤为径,学海无涯苦作舟页码:第2页共125页5仪表工46电焊工127气焊工58氩弧焊工19起重工510油工811电维修212辅助工202、主要施工机械、机具使用计划序号设备名称规格单位数量备注1交流焊机32KVA台42直流焊机20KW台83氩弧焊机台14电焊条烘箱0—400℃台15电动低压泵台16自控仪表阀校设备套17电气仪表阀校设备套18设备安装测试仪套19水准仪台110轮胎起重机16t辆111载重车20t辆1第3页共125页第2页共125页编号:时间:2021年x月x日书山有路勤为径,学海无涯苦作舟页码:第3页共125页12载重车3t辆113电动卷扬机2t台114切割机台415套丝机台416台钻台417砂轮机台218冲机钻台819无齿锯台420对讲机对221兆欧表只422万用表只1023管钳个2024台虎钳个425消防测试工具箱套2五、组织机构董事长总经理第4页共125页第3页共125页编号:时间:2021年x月x日书山有路勤为径,学海无涯苦作舟页码:第4页共125页总经济总工程师总会计师副总经理企培信政资市人工总业训息治金场力程经发中中工运开资管办展心心作作发源理公部部部部部部室中三天南厦山杭新南马北上国通来三氧津京门东州疆宁西京海安化亚金锌分分分分分分分分办办属避公结雷公公公公公公公司事事构器厂公司司司司司司司处处司第5页共125页第4页共125页编号:时间:2021年x月x日书山有路勤为径,学海无涯苦作舟页码:第5页共125页工程项目部经理六、施工组织及开工前技术准备工作1、为确保该工程安全、优质、按期交付使用,依据《质量体系生产、安装和服务质量保证模式》各要素和公司质量体系文件的要求,采用项目法施工。2、项目部管理系统项目经理部组织机构项目经理项目副经理项目技术负责人设管电焊资质材备道气接料量料第6页共125页第5页共125页编号:时间:2021年x月x日书山有路勤为径,学海无涯苦作舟页码:第6页共125页安安仪技计、、装装表术量安设技技技负员全备术术术责员员负负负人责责责人人人3、项目经理部职能与责任(1)项目经理部在项目经理的领导下组成管理班子,合理地组织本工程第7页共125页第6页共125页编号:时间:2021年x月x日书山有路勤为径,学海无涯苦作舟页码:第7页共125页项目的生产要素的优化组合,使施工方法先进,组织管理合理,精心组织施工。(2)编制月、旬、周生产计划,落实工期目标,质量目标及成本目标,确保项目的顺利完成。(3)将施工安全、质量、工期、成本及文明施工等责任落实到人,根据工程项目的具体情况,定期召开生产协调会议,解决施工中的问题。(4)严格按照《建筑法》组织施工,将施工管理纳入法制管理,注重提高对按规范,规程标准组织施工的认识,并认真执行。(5)项目经理对安全、质量全面负责,坚持项目经理领导下的项目安全生产领导小组正常工作,为切实抓好项目的安全与质量,项目经理部设安全员、质量员一名,并在各施工队安排兼职安全、质量员。4、开工前的技术准备(1)项目岗位责任职责按公司体系文件《项目管理岗位责任制》执行。(2)认真学习设计图纸及相关规范、规程及标准,并对图纸中的问题进行整理记录,请设计单位进行设计交底、图纸会审。(3)结合本工程特点,总结以住安装经验,优化施工方案积极采及先进的施工工艺。(4)明确工程的特殊工序,编制详细的施工方案或作业指导书。重点突出施工办法,技术要求的质量标准。(5)进行用电负荷计算,绘制临时用电平面图,编制临时施工用电组织设计。第8页共125页第7页共125页编号:时间:2021年x月x日书山有路勤为径,学海无...

1、当您付费下载文档后,您只拥有了使用权限,并不意味着购买了版权,文档只能用于自身使用,不得用于其他商业用途(如 [转卖]进行直接盈利或[编辑后售卖]进行间接盈利)。
2、本站所有内容均由合作方或网友上传,本站不对文档的完整性、权威性及其观点立场正确性做任何保证或承诺!文档内容仅供研究参考,付费前请自行鉴别。
3、如文档内容存在违规,或者侵犯商业秘密、侵犯著作权等,请点击“违规举报”。

碎片内容

力工具STQ024机电安装工程培训资料

您可能关注的文档

确认删除?
VIP
微信客服
  • 扫码咨询
会员Q群
  • 会员专属群点击这里加入QQ群
客服邮箱
回到顶部