电脑桌面
添加小米粒文库到电脑桌面
安装后可以在桌面快捷访问

工程部部长绩效考核方案VIP免费

工程部部长绩效考核方案_第1页
1/8
工程部部长绩效考核方案_第2页
2/8
工程部部长绩效考核方案_第3页
3/8
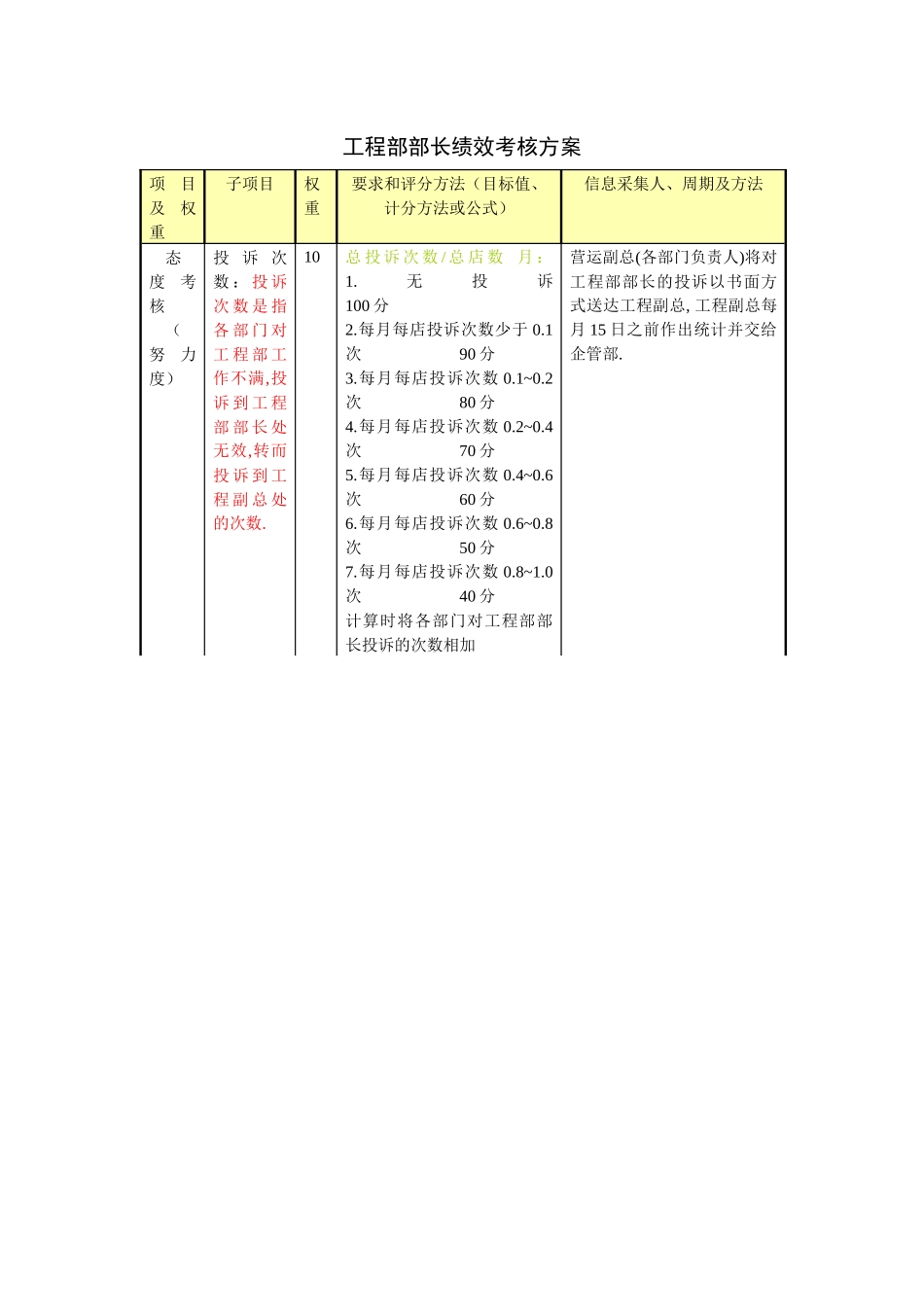
工程部部长绩效考核方案项目及权重子项目权重要求和评分方法(目标值、计分方法或公式)信息采集人、周期及方法态度考核(努力度)投诉次数:投诉次数是指各部门对工程部工作不满,投诉到工程部部长处无效,转而投诉到工程副总处的次数.10总投诉次数/总店数月:1.无投诉100分2.每月每店投诉次数少于0.1次90分3.每月每店投诉次数0.1~0.2次80分4.每月每店投诉次数0.2~0.4次70分5.每月每店投诉次数0.4~0.6次60分6.每月每店投诉次数0.6~0.8次50分7.每月每店投诉次数0.8~1.0次40分计算时将各部门对工程部部长投诉的次数相加营运副总(各部门负责人)将对工程部部长的投诉以书面方式送达工程副总,工程副总每月15日之前作出统计并交给企管部.第2页共8页编号:时间:2021年x月x日书山有路勤为径,学海无涯苦作舟页码:第2页共8页仓库配件重新使用及封存设备启用完好率:工程部对一些暂时不用的设备保养后按设备封存程序进行封存和入库,重新启用时应确保设备的完好和正常使用,仓库配件重新使用及封存设备启用完好率是指由于工程部的原因致使重新启用设备不能正常使用的台数占总启用设备台数的百分率.10启用设备能正常使用台数/总启用设备台数季:1.100%100分2.90%~100%90分3.70%~90%70分4.50%~70%50分5.50%以下0分如果可以使用设备没有利用,每发现一台扣一分.中心仓库每三个月统计一次设备库存情况,季末将清单交给工程部副总,15日内工程部副总将统计情况交给企管部.完好率:?完好条件?第3页共8页第2页共8页编号:时间:2021年x月x日书山有路勤为径,学海无涯苦作舟页码:第3页共8页能力考核保养计划、排班计划及本部门月度工作计划合格率:工程部部长每月28日之前应交下一月的设备保养计划,工程部责任维修工月排班计划,工程部经理月排班计划,工程部部长月排班计划和工程部月工作计划、保养计划、排班计划及本部门月度工作计划合格率是指上述计划的合格份数占总份数的比率.10计划合格份数/总份数月:1.100%100分2.90%~100%90分3.70%~90%70分4.50%~70%50分5.50%以下0分如果未按时交付,则每份计划每迟交一天扣0.5分合格条件?(考核人与被考核人充分沟通并达成一致)工程副总每月作出统计,第二个月的10日之前将结果送交企管部.第4页共8页第3页共8页编号:时间:2021年x月x日书山有路勤为径,学海无涯苦作舟页码:第4页共8页未发现下属工作失误次数:工程部部长应按排班和工程部部长岗位指导书中对巡店的要求到各部门巡查下属工作情况未发现下属工作失误次数10未发现(所有)下属工作失误次数季:1.0次100分2.5次以下90分3.5~10次80分4.10~15次70分5.15~20次60分6.20~25次50分7.25~30次40分8.30次以上0分在一个考核期内,将其他人和工程部部长所发现的工程部责任维修工工作失误次数相加所得的次数(?巡视以后所发现的)工程副总每月作出统计,第二个月的10日之前将结果送交企管部.(怎样收集?)公司及工程部组织培训成绩合格率(统计对象?)(合格线?)10公司组织的培训:工程部合格人数/工程部参加人数;工程部组织全公司培训:所有合格人数/所有参加人数;工程部内部培训:合格人数/参加人数。季:1.100%100分2.90%~100%90分3.70%~90%70分4.50%~70%50分5.50%以下0分由培训部随时提供考试成绩(交谁?)第5页共8页第4页共8页编号:时间:2021年x月x日书山有路勤为径,学海无涯苦作舟页码:第5页共8页业绩各项制度完成及健全率:是指工程部部长按质完成的条例数目占公司(分管副总)下达的条例总数的比率.10完成的条例/分管副总下达须完成的条例月:1.100%100分2.90%~100%90分3.70%~90%70分4.50%~70%50分5.50%以下0分如果未按时交付,则每份条例每迟交一天扣0.5分每月各店平均值?工程副总每月作出统计,第二个月的10日之前将结果送交企管部.保养设备故障率:工程部应按“设备保养计划及记录表”的内容和要求对设备进行计划保养。保养设备故障率是指在保养周期内设备出现故障的台次数与所有需保养设备总数的比率10出现故障的台数/所有保养总数设备月:1.5%以下100分2.5%~10%90分3.10%~15%80分4.15%~20%70分5.20%~25%60分6.25%~30%50分7.30%以上0分每月各店平均值(所有店所有保养设备)工程副总每...

1、当您付费下载文档后,您只拥有了使用权限,并不意味着购买了版权,文档只能用于自身使用,不得用于其他商业用途(如 [转卖]进行直接盈利或[编辑后售卖]进行间接盈利)。
2、本站所有内容均由合作方或网友上传,本站不对文档的完整性、权威性及其观点立场正确性做任何保证或承诺!文档内容仅供研究参考,付费前请自行鉴别。
3、如文档内容存在违规,或者侵犯商业秘密、侵犯著作权等,请点击“违规举报”。

碎片内容

工程部部长绩效考核方案

教育教学文库+ 关注
实名认证
内容提供者

本店有大量的教育教学资料,课件

确认删除?
VIP
微信客服
  • 扫码咨询
会员Q群
  • 会员专属群点击这里加入QQ群
客服邮箱
回到顶部