电脑桌面
添加小米粒文库到电脑桌面
安装后可以在桌面快捷访问

压力真空释放阀价格VIP免费

压力真空释放阀价格_第1页
1/71
压力真空释放阀价格_第2页
2/71
压力真空释放阀价格_第3页
3/71
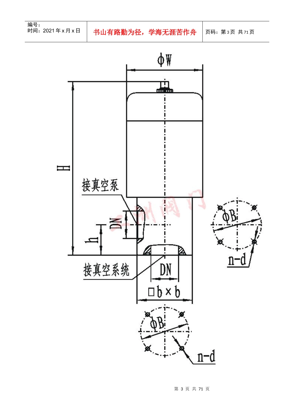
第1页共71页编号:时间:2021年x月x日书山有路勤为径,学海无涯苦作舟页码:第1页共71页压力真空释放阀价格此次检查使用贷款分类偏离度现场检查抽样调查系统,从华夏银行、深圳发展银行的全部正常贷款客户中抽取样本客户,推断出上述两家股份制商业银行的不良贷款比例绝对偏离度。元(约14亿港元),要高于原计划平均1.6亿美元的额度。有消息人士向《第一财经日报》透露,由于企业投资者反应非常热烈,最终承销团决定将该部分规模由原定的不超过20亿美元,增加到22亿美元。而已持有4.8%中行股份的淡马锡,将行使反稀释权,在中行上市时认购5亿美元股份,以防止股权被稀释。但苏格兰皇家银行银团将不行使预留配售的权利,这样上市后其持股比例将从10%降至9.61%。为了应对投资者高涨的认购热情,承销团共安排了包括中银香港、汇丰、渣打在内的六家银行共60间分行作为收票银行,并会印发25万本招股说明书、300万份申请表格。大福证券资料研究部执行董事兼主管麦德光表示:“中行获得香港大户们的入股肯定会加强散户认购的热情,从以往的经验来看,李嘉诚、李兆基等香港富豪认购的都是一些长线走好的股票,很多香港股民都是跟着这些富豪来认购新股。”麦德光还表示,目前香港并不缺乏资金,每天的成交量维持在300亿~400亿港元,完全可以消化中行庞大的招股活动,从近几个交易日的情况来看,不少基金已在抛售其他股票,为认购中行首页>>产品中心>>真空充气阀类>>DDC-JQ系列电磁真空带充气阀DDC-JQ系列电磁真空带充气阀是安装在机械式真空泵上的专用阀门。阀门与泵接在同一电源上,泵的开启与停止直接控制了阀的开启与关闭。当泵停止工作或电源突然中断时,阀能自动将真空系统封闭,第2页共71页第1页共71页编号:时间:2021年x月x日书山有路勤为径,学海无涯苦作舟页码:第2页共71页并将大气通过泵的进气口充入泵腔,避免泵油返流污染真空系统。适用的工作介质为空气及非腐蚀性气体。注:快卸及活套法兰连接方式请参阅DDC-JQ-B系列电磁真空带充气阀(内有DN100规格).主要技术性能适用范围(Pa)105~1x10-2阀门漏率(Pa.L/S)<6.7x10-4适用温度()℃-25~+50线圈温升()℃≤65开闭时间(S)≤3电源电压(V/Hz)220±10%/50法兰标准JB919连接及外形尺寸型号通径(DN)ΦWΦBHhbxbn-d匹配机械泵型号DDC-JQ16A1668421762848x484-M52XZ-0.5/1DDC-JQ25A2582551993558x584-M62XZ-2/4DDC-JQ323292642264068x684-M62XZ-4DDC-JQ4040110702454480x804-M62XZ-8DDC-JQ50A50125902905695x954-M82X-15DDC-JQ656513510532065115x1154-M82X-30ADDC-JQ808016512536775140x1404-M82X-70A第3页共71页第2页共71页编号:时间:2021年x月x日书山有路勤为径,学海无涯苦作舟页码:第3页共71页第4页共71页第3页共71页编号:时间:2021年x月x日书山有路勤为径,学海无涯苦作舟页码:第4页共71页首页>>产品中心>>真空充气阀类>>DDC-JQ-B系列电磁真空带充气阀DDC-JQ-B系列电磁真空带充气阀是安装在机械式真空泵上的专用阀门。阀门与泵接在同一电源上,泵的开启与停止直接控制了阀的开启与关闭。当泵停止工作或电源突然中断时,阀能自动将真空系统封闭,并将大气通过泵的进气口充入泵腔,避免泵油返流污染真空系统。适用的工作介质为空气及非腐蚀性气体。主要技术性能适用范围(Pa)105~1x10-2阀门漏率(Pa.L/S)<6.7x10-4适用温度()℃-25~+50线圈温升()℃≤65开闭时间(S)≤3电源电压(V/Hz)220±10%/50连接及外形尺寸型号通径ΦΦDΦBHAn-d法兰标准第5页共71页第4页共71页编号:时间:2021年x月x日书山有路勤为径,学海无涯苦作舟页码:第5页共71页(DN)WDDC-JQ16B16683017.219140/GB4982DDC-JQ25B25824026.220250DDC-JQ32B32925541.224450DDC-JQ40B401105541.227565DDC-JQ50B5012511090314804-Φ9GB/T6070DDC-JQ65B65135130110343884-Φ9DDC-JQ80B80135145125387954-Φ9DDC-JQ100B1001651651453991088-Φ9首页>>产品中心>>真空充气阀类>>DYC-Q系列低真空电磁压差充气阀第6页共71页第5页共71页编号:时间:2021年x月x日书山有路勤为径,学海无涯苦作舟页码:第6页共71页DYC-Q系列低真空电磁压差充气阀是安装在机械真空泵进气口上一种新...

1、当您付费下载文档后,您只拥有了使用权限,并不意味着购买了版权,文档只能用于自身使用,不得用于其他商业用途(如 [转卖]进行直接盈利或[编辑后售卖]进行间接盈利)。
2、本站所有内容均由合作方或网友上传,本站不对文档的完整性、权威性及其观点立场正确性做任何保证或承诺!文档内容仅供研究参考,付费前请自行鉴别。
3、如文档内容存在违规,或者侵犯商业秘密、侵犯著作权等,请点击“违规举报”。

碎片内容

压力真空释放阀价格

教育教学文库+ 关注
实名认证
内容提供者

本店有大量的教育教学资料,课件

确认删除?
VIP
微信客服
  • 扫码咨询
会员Q群
  • 会员专属群点击这里加入QQ群
客服邮箱
回到顶部