电脑桌面
添加小米粒文库到电脑桌面
安装后可以在桌面快捷访问

供水及水处理系统土建工程概述VIP免费

供水及水处理系统土建工程概述_第1页
1/60
供水及水处理系统土建工程概述_第2页
2/60
供水及水处理系统土建工程概述_第3页
3/60
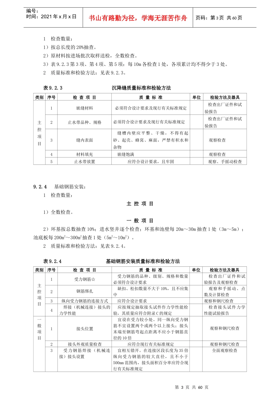
第1页共60页编号:时间:2021年x月x日书山有路勤为径,学海无涯苦作舟页码:第1页共60页9供水及水处理系统土建工程9.1一般规定9.1.1本章适用于火力发电厂供水及水处理系统的岸边水泵房、进水口、进水闸、滤网间、进排水钢筋混凝土管沟、混凝土水池、双曲线钢筋混凝土冷却水塔、循环水泵房及排水口等水工建筑物、构筑物及其金属结构制作、安装工程。9.1.2本章未列项目的验收,应符合本部分第5章相应条款的规定。9.1.3本章第9.2节、第9.3节、第9.4节、第9.5节、第9.6节、第9.7节、第9.8节、第9.9节适用于现浇筒壁双曲线钢筋混凝土冷却水塔(基础、人字柱、筒壁、淋水构架及淋水装置等)工程。9.1.4本章第9.10节适用于大开挖法、沉井法和地下防渗墙法施工的岸边水泵房工程,以及相类似的进水口、进水闸、滤网间、排水口等工程。循环水泵房地下结构采用沉井法施工时,可参照执行。9.1.5本章第9.11节适用于现场制作的预应力混凝土输水管的循环水管、进(排)水管、补给水管、回水管管道工程的管道制作及安装。场外采购管材时,管道安装可参照执行。不适用于焊接钢管的制作安装。9.1.6本章第9.12节适用于现浇钢筋混凝土方沟。9.1.7本章第9.13节适用于现浇钢筋混凝土水池工程(含预沉池、加速澄清池、虹吸滤池、清水池、无阀滤池、中和池、加药池及污水池)。9.2双曲线钢筋混凝土冷却塔基础工程9.2.1垫层混凝土:1检查数量:主控项目1)原材料按进场批次及现行有关标准规定取样批量抽样送检。2)混凝土强度试块按现行有关标准规定留置。一般项目3)每200m2~300m2检查1处,但不少于10处。2质量标准和检验方法:见表9.2.1。第2页共60页第1页共60页编号:时间:2021年x月x日书山有路勤为径,学海无涯苦作舟页码:第2页共60页表9.2.1垫层混凝土质量标准和检验方法类别序号检查项目质量标准单位检验方法及器具主控项目1原材料及配合比混凝土垫层采用的粗骨料,其最大粒径不应大于垫层厚度的2/3;含泥量不应大于2%。砂为中粗砂,其含泥量不应大于3%;配合比必须符合设计要求和现行有关标准的规定检查试验报告和出厂证件,观察,检查进场复验报告、配合比设计资料2混凝土强度混凝土的强度等级应符合设计要求,且不应小于C10检查混凝土强度试验报告3混凝土原材料每盘称量偏差水泥、掺合料±2%复称粗、细骨料±3%水、外加剂±2%4混凝土运输、浇筑及间歇时间应符合现行有关标准的规定观察,检查施工记录一般项目1施工配合比及开盘鉴定施工配合比应符合现行有关标准的规定,首次使用的混凝土配合比应进行开盘鉴定检查开盘鉴定资料和试件强度试验报告2养护应符合施工技术方案和现行有关标准的规定观察,检查施工记录3几何尺寸及半径偏差±30mm经纬仪和钢尺检查4顶面标高偏差+10~-20mm水准仪检查5上表面平整度≤20mm2m靠尺和楔形塞尺检查9.2.2底板沥青防水层:1检查数量:1)每200m2~300m2抽查1处(5m2~10m2),但不少于10处。2)原材料按不同进场批次及相关现行有关标准规定批量取样抽样送检。3)基层表面和防水层表面:全数检查。2质量标准和检验方法:见表9.2.2。表9.2.2底板沥青防水层质量标准和检验方法类别序号检查项目质量标准单位检验方法及器具主控项目1沥青种类、质量必须符合设计要求及现行有关标准规定检查出厂证件和试验报告2防水层厚度或遍数必须符合设计要求观察检查、检查施工记录3基层表面基层平整、干燥、洁净,冷底子油涂刷均匀观察检查4防水层表面涂刷均匀,无空鼓观察检查9.2.3沉降缝:第3页共60页第2页共60页编号:时间:2021年x月x日书山有路勤为径,学海无涯苦作舟页码:第3页共60页1检查数量:1)按总长度的20%抽查。2)原材料按进场批次取样送检,全数检查。3)表9.2.3第3项、第4项、第5项:每10m各检查1处,各项累计均不得少于3处。2质量标准和检验方法:见表9.2.3。表9.2.3沉降缝质量标准和检验方法类别序号检查项目质量标准单位检验方法及器具主控项目1嵌缝材料必须符合设计要求及现行有关标准规定检查出厂证件和试验报告2止水带品种、规格必须符合设计要求及现行有关标准规定检查出厂证件和试验报告3缝内表面缝槽内壁应平整、干燥,不得有起砂、起壳、蜂窝、麻面,严...

1、当您付费下载文档后,您只拥有了使用权限,并不意味着购买了版权,文档只能用于自身使用,不得用于其他商业用途(如 [转卖]进行直接盈利或[编辑后售卖]进行间接盈利)。
2、本站所有内容均由合作方或网友上传,本站不对文档的完整性、权威性及其观点立场正确性做任何保证或承诺!文档内容仅供研究参考,付费前请自行鉴别。
3、如文档内容存在违规,或者侵犯商业秘密、侵犯著作权等,请点击“违规举报”。

碎片内容

供水及水处理系统土建工程概述

教育教学文库+ 关注
实名认证
内容提供者

本店有大量的教育教学资料,课件

确认删除?
VIP
微信客服
  • 扫码咨询
会员Q群
  • 会员专属群点击这里加入QQ群
客服邮箱
回到顶部