电脑桌面
添加小米粒文库到电脑桌面
安装后可以在桌面快捷访问

人力资源-2022104规约培训VIP免费

人力资源-2022104规约培训_第1页
1/31
人力资源-2022104规约培训_第2页
2/31
人力资源-2022104规约培训_第3页
3/31
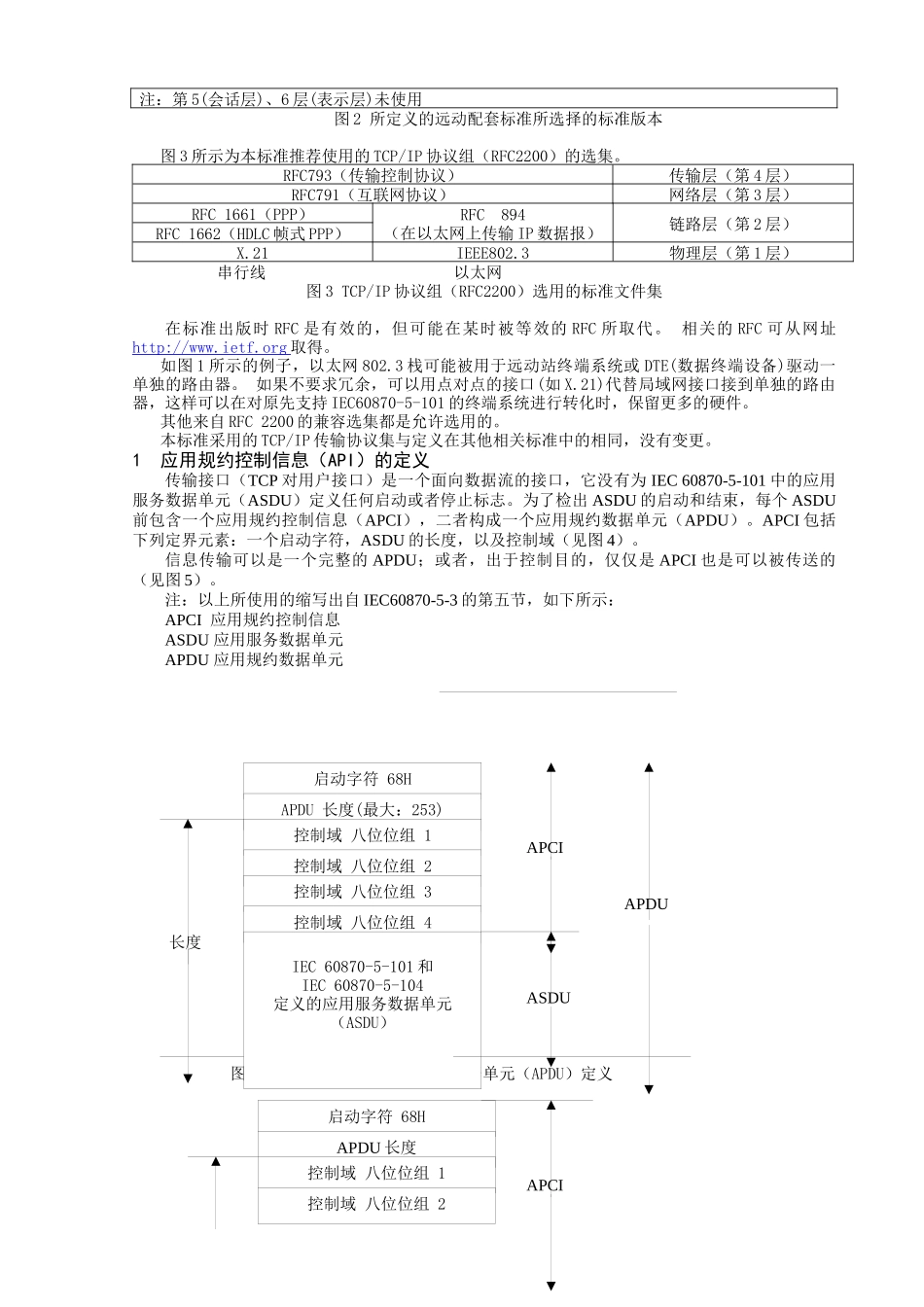
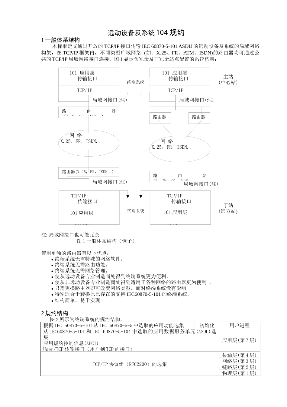
远动设备及系统104规约1一般体系结构本标准定义通过开放的TCP/IP接口传输IEC60870-5-101ASDU的远动设备及系统的局域网络构架,在TCP/IP框架内,不同类型广域网络(如:X.25、FR、ATM、ISDN)的路由器均可通过公共的TCP/IP局域网络接口连接。图1显示含冗余及非冗余站点配置的系统构架:无冗余冗余注:局域网接口也可能冗余图1一般体系结构(例子)使用单独的路由器有以下优点:●终端系统无需特殊的网络软件。●终端系统无需路由功能。●终端系统无需网络管理。●使从远动设备专业制造商处得到终端系统更为便利。●使从非远动设备专业制造商处得到适用于各种网络的路由器更为便利。●只需更换路由器即可改变网络类型,而对终端系统没有影响。●特别适合于转换原已存在的支持IEC60870-5-101的终端系统。●结构简单,易于实现。2规约结构图2所示为终端系统的规约结构。根据IEC60870-5-101从IEC60870-5-5中选取的应用功能选集初始化用户进程从IEC60870-5-101和IEC60870-5-104中选取的应用数据服务单元(ASDU)选集应用层(第7层)应用规约控制信息(APCI)User/TCP传输接口(用户到TCP的接口)TCP/IP协议组(RFC2200)的选集传输层(第4层)网络层(第3层)链路层(第2层)物理层(第1层)局域网接口(注)101应用层传输接口TCP/IP101应用层传输接口TCP/IP路由器(X.25,FR,ISDN..)路由器路由器网络X.25,FR,ISDN..网络X.25,FR,ISDN..路由器(X.25,FR,ISDN..)路由器(X,.25,FR,ISDN..)TCP/IP传输接口101应用层TCP/IP传输接口101应用层终端系统局域网接口(注)局域网接口(注)局域网接口(注)终端系统主站(中心站)子站(远方站)注:第5(会话层)、6层(表示层)未使用图2所定义的远动配套标准所选择的标准版本图3所示为本标准推荐使用的TCP/IP协议组(RFC2200)的选集。RFC793(传输控制协议)传输层(第4层)RFC791(互联网协议)网络层(第3层)RFC1661(PPP)RFC894(在以太网上传输IP数据报)链路层(第2层)RFC1662(HDLC帧式PPP)X.21IEEE802.3物理层(第1层)串行线以太网图3TCP/IP协议组(RFC2200)选用的标准文件集在标准出版时RFC是有效的,但可能在某时被等效的RFC所取代。相关的RFC可从网址http://www.ietf.org取得。如图1所示的例子,以太网802.3栈可能被用于远动站终端系统或DTE(数据终端设备)驱动一单独的路由器。如果不要求冗余,可以用点对点的接口(如X.21)代替局域网接口接到单独的路由器,这样可以在对原先支持IEC60870-5-101的终端系统进行转化时,保留更多的硬件。其他来自RFC2200的兼容选集都是允许选用的。本标准采用的TCP/IP传输协议集与定义在其他相关标准中的相同,没有变更。1应用规约控制信息(API)的定义传输接口(TCP对用户接口)是一个面向数据流的接口,它没有为IEC60870-5-101中的应用服务数据单元(ASDU)定义任何启动或者停止标志。为了检出ASDU的启动和结束,每个ASDU前包含一个应用规约控制信息(APCI),二者构成一个应用规约数据单元(APDU)。APCI包括下列定界元素:一个启动字符,ASDU的长度,以及控制域(见图4)。信息传输可以是一个完整的APDU;或者,出于控制目的,仅仅是APCI也是可以被传送的(见图5)。注:以上所使用的缩写出自IEC60870-5-3的第五节,如下所示:APCI应用规约控制信息ASDU应用服务数据单元APDU应用规约数据单元APCIAPDU长度ASDU图4远动配套标准的应用规约数据单元(APDU)定义APCI启动字符68HAPDU长度(最大:253)控制域八位位组1控制域八位位组2控制域八位位组3控制域八位位组4IEC60870-5-101和IEC60870-5-104定义的应用服务数据单元(ASDU)启动字符68HAPDU长度控制域八位位组1控制域八位位组2长度=4图5远动配套标准的APCI定义启动字符68H定义了数据流中的起始点。APDU的长度定义了APDU体的长度,它包括APCI的四个控制域八位位组和ASDU的长度。第一个被计数的八位位组是控制域的第一个八位位组,最后一个被计数的八位位组是ASDU的最后一个八位位组。ASDU的最大长度限制在249以内,控制域的长度是4个八位位组,APDU的最大长度是253(APDU最大值=255减去启动和长度八位位组)。控制域定义了保护报文不至丢失和重复传送的控制信息,报文传输...

1、当您付费下载文档后,您只拥有了使用权限,并不意味着购买了版权,文档只能用于自身使用,不得用于其他商业用途(如 [转卖]进行直接盈利或[编辑后售卖]进行间接盈利)。
2、本站所有内容均由合作方或网友上传,本站不对文档的完整性、权威性及其观点立场正确性做任何保证或承诺!文档内容仅供研究参考,付费前请自行鉴别。
3、如文档内容存在违规,或者侵犯商业秘密、侵犯著作权等,请点击“违规举报”。

碎片内容

人力资源-2022104规约培训

您可能关注的文档

确认删除?
VIP
微信客服
  • 扫码咨询
会员Q群
  • 会员专属群点击这里加入QQ群
客服邮箱
回到顶部