电脑桌面
添加小米粒文库到电脑桌面
安装后可以在桌面快捷访问

旭辉外架子施工方案VIP免费

旭辉外架子施工方案_第1页
1/27
旭辉外架子施工方案_第2页
2/27
旭辉外架子施工方案_第3页
3/27
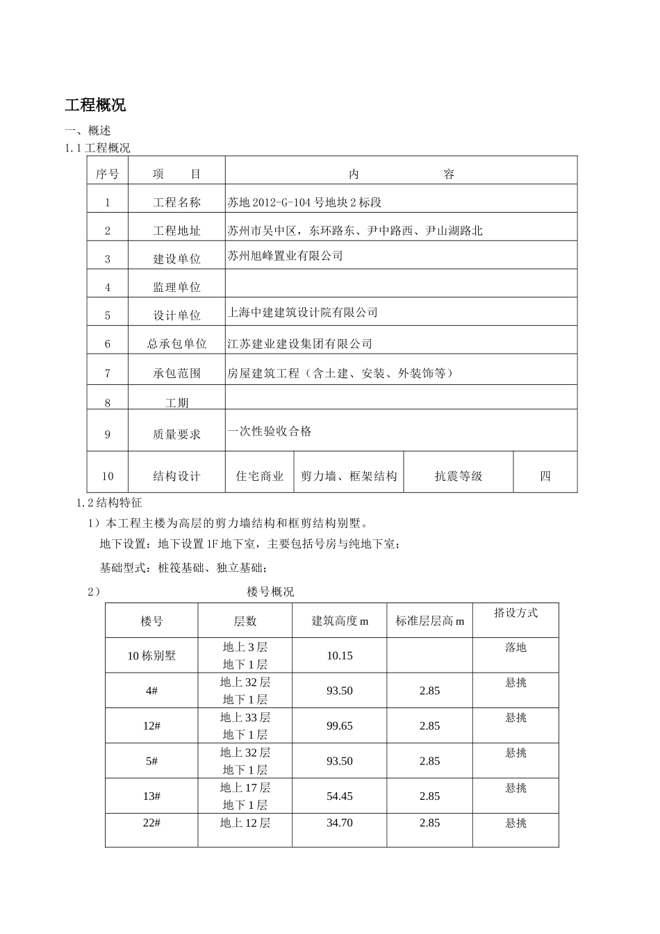
旭辉美澜城脚手架专项施工方案编制人:审核人:审批人:江苏建业建设集团有限公司年月日工程概况一、概述1.1工程概况序号项目内容1工程名称苏地2012-G-104号地块2标段2工程地址苏州市吴中区,东环路东、尹中路西、尹山湖路北3建设单位苏州旭峰置业有限公司4监理单位5设计单位上海中建建筑设计院有限公司6总承包单位江苏建业建设集团有限公司7承包范围房屋建筑工程(含土建、安装、外装饰等)8工期9质量要求一次性验收合格10结构设计住宅商业剪力墙、框架结构抗震等级四1.2结构特征1)本工程主楼为高层的剪力墙结构和框剪结构别墅。地下设置:地下设置1F地下室,主要包括号房与纯地下室;基础型式:桩筏基础、独立基础;2)楼号概况楼号层数建筑高度m标准层层高m搭设方式10栋别墅地上3层地下1层10.15落地4#地上32层地下1层93.502.85悬挑12#地上33层地下1层99.652.85悬挑5#地上32层地下1层93.502.85悬挑13#地上17层地下1层54.452.85悬挑22#地上12层34.702.85悬挑地下1层23#地上14层地下1层40.402.85悬挑第一章.编制依据1、《建筑施工脚手架实用手册》2、《建筑结构荷载规范》GB50009-20123、《混凝土结构设计规范》GB50010-20104、《钢结构设计规范》GB50017-20035、《建筑施工安全检查标准》JGJ59-20116、《建筑施工高处作业安全技术规范》JGJ80-917、《建筑施工扣件式钢管脚手架安全技术规范》JGJ130-20118、《危险性较大的分部分项工程安全管理办法》(建质[2009]87号文)9、《建设工程安全生产管理条例》国务院令第393号10、本工程设计图纸11、江苏省工程建设标准DGJ321J121建筑施工悬挑式钢管脚手架安全技术规程第二章.所用材料及相关特性1、本工程外架使用的钢管系地方租赁站提供的¢48*2.7钢管、扣件为普通直字扣、对接转向扣件、并对搭设所有的钢管扣件随机抽样检测并与方案中计算用料相同。2、材料特征表主梁材料类型工字钢主梁合并根数nz1材料规格规格抵抗矩W惯性矩I支承弯矩M(KN*M)承载力钢管(按照48×2.7计算)48×2.73.84cm39.89cm4206000MPa205MPa扣件////8KN主梁材料规格16号工字钢主梁截面积A(cm2)26.1主梁截面惯性矩Ix(cm4)1130主梁截面抵抗矩Wx(cm3)141主梁自重标准值gk(kN/m)0.205主梁材料抗弯强度设计值[f](N/mm2)215主梁材料抗剪强度设计值[τ](N/mm2)125主梁弹性模量E(N/mm2)206000第三章.施工工艺技术1.脚手架悬挑搭设体系(以12#楼为计算为依据,其余楼号同12号楼)型钢悬挑脚手架(扣件式)界面参数表12#楼楼层标高悬挑高度备注1层面-0.03m19.95m第一次悬挑8层面19.92m19.95m第二次悬挑15层面39.87m19.95m第三次悬挑22层面59.82m19.95m第四次悬挑28层面76.92m17.13m第五次悬挑说明:1、最大悬挑高度不超过20m;2、脚手架步距1.8m,横距0.8m,纵距1.3m,每悬挑段采用一道钢丝绳卸荷。3、连墙件设置2步2跨,采用钢管双扣件连接4、悬挑主梁采用16#工字钢,悬挑最大长度为1.25m一、基本参数(架体验算)脚手架设计类型结构脚手架脚手板设计荷载(kN/m2)2同时施工作业层2卸荷设置有脚手架搭设方式双排脚手架脚手架钢管类型Φ48×2.7脚手架搭设高度H(m)19.95脚手架沿纵向搭设长度L(m)100立杆步距h(m)1.8立杆纵距或跨距la(m)1.3立杆横距lb(m)0.8内立杆离建筑物距离a(m)0.3双立杆计算方法不设置双立杆纵、横向水平杆布置方式纵向水平杆在上横向水平杆上纵向水平杆根数2横杆与立杆连接方式单扣件扣件抗滑移折减系数1二、连墙件(架体验算)连墙件布置方式两步两跨连墙件连接方式扣件连接连墙件约束脚手架平面外变形轴向力N0(kN)3立杆计算长度系数μ1.5连墙件计算长度l0(mm)600连墙件截面面积Ac(mm2)384连墙件截面回转半径i(mm)16连墙件抗压强度设计值[f](N/mm2)205连墙件与扣件连接方式双扣件扣件抗滑移折减系数1三、钢丝绳卸荷(架体验算)钢丝绳不均匀系数α0.85钢丝绳安全系数k9钢丝绳绳夹型式马鞍式拴紧绳夹螺帽时螺栓上所受力T(kN)15.19钢丝绳绳夹数量[n]5吊环设置共用卸荷系数Kf0.8上部增加荷载高度(m)3脚手架卸荷次数N1第1次卸荷卸荷点位置高度hx(m)15第1次卸荷卸荷点净高hj(m)3.63第1次卸荷钢丝绳上下吊点的竖向距离ls(m)2.85第1次卸荷上吊点距内立杆下吊点的水平距...

1、当您付费下载文档后,您只拥有了使用权限,并不意味着购买了版权,文档只能用于自身使用,不得用于其他商业用途(如 [转卖]进行直接盈利或[编辑后售卖]进行间接盈利)。
2、本站所有内容均由合作方或网友上传,本站不对文档的完整性、权威性及其观点立场正确性做任何保证或承诺!文档内容仅供研究参考,付费前请自行鉴别。
3、如文档内容存在违规,或者侵犯商业秘密、侵犯著作权等,请点击“违规举报”。

碎片内容

旭辉外架子施工方案

确认删除?
VIP
微信客服
  • 扫码咨询
会员Q群
  • 会员专属群点击这里加入QQ群
客服邮箱
回到顶部