电脑桌面
添加小米粒文库到电脑桌面
安装后可以在桌面快捷访问

销售管理考核考核方法VIP免费

销售管理考核考核方法_第1页
1/7
销售管理考核考核方法_第2页
2/7
销售管理考核考核方法_第3页
3/7
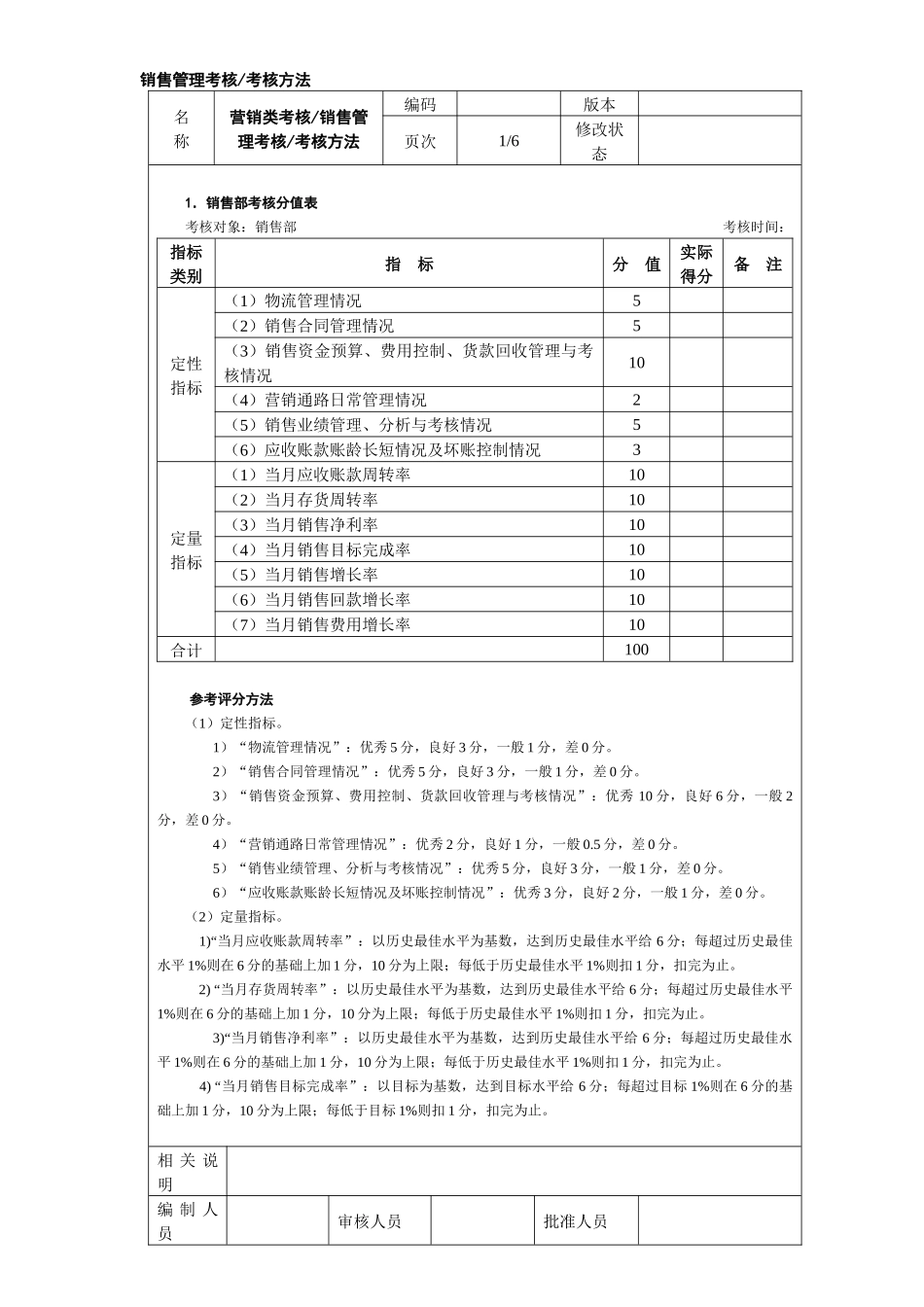
销售管理考核/考核方法名称营销类考核/销售管理考核/考核方法编码版本页次1/6修改状态1.销售部考核分值表考核对象:销售部考核时间:指标类别指标分值实际得分备注定性指标(1)物流管理情况5(2)销售合同管理情况5(3)销售资金预算、费用控制、货款回收管理与考核情况10(4)营销通路日常管理情况2(5)销售业绩管理、分析与考核情况5(6)应收账款账龄长短情况及坏账控制情况3定量指标(1)当月应收账款周转率10(2)当月存货周转率10(3)当月销售净利率10(4)当月销售目标完成率10(5)当月销售增长率10(6)当月销售回款增长率10(7)当月销售费用增长率10合计100参考评分方法(1)定性指标。1)“物流管理情况”:优秀5分,良好3分,一般1分,差0分。2)“销售合同管理情况”:优秀5分,良好3分,一般1分,差0分。3)“销售资金预算、费用控制、货款回收管理与考核情况”:优秀10分,良好6分,一般2分,差0分。4)“营销通路日常管理情况”:优秀2分,良好1分,一般0.5分,差0分。5)“销售业绩管理、分析与考核情况”:优秀5分,良好3分,一般1分,差0分。6)“应收账款账龄长短情况及坏账控制情况”:优秀3分,良好2分,一般1分,差0分。(2)定量指标。1)“当月应收账款周转率”:以历史最佳水平为基数,达到历史最佳水平给6分;每超过历史最佳水平1%则在6分的基础上加1分,10分为上限;每低于历史最佳水平1%则扣1分,扣完为止。2)“当月存货周转率”:以历史最佳水平为基数,达到历史最佳水平给6分;每超过历史最佳水平1%则在6分的基础上加1分,10分为上限;每低于历史最佳水平1%则扣1分,扣完为止。3)“当月销售净利率”:以历史最佳水平为基数,达到历史最佳水平给6分;每超过历史最佳水平1%则在6分的基础上加1分,10分为上限;每低于历史最佳水平1%则扣1分,扣完为止。4)“当月销售目标完成率”:以目标为基数,达到目标水平给6分;每超过目标1%则在6分的基础上加1分,10分为上限;每低于目标1%则扣1分,扣完为止。相关说明编制人员审核人员批准人员编制日期审核日期批准日期(续)名称营销类考核/销售管理考核/考核方法编码版本页次2/6修改状态5)“当月销售增长率”:以期初水平为基数,达到期初水平给6分;每超过期初水平1%则在6分的基础上加1分,10分为上限;每低于期初水平1%则扣1分,扣完为止。6)“当月销售回款增长率”:以期初水平为基数,达到期初水平给6分;每超过期初水平1%则在6分的基础上加1分,10分为上限;每低于期初水平1%则扣1分,扣完为止。7)“当月销售费用增长率”:以期初水平为基数,达到期初水平给6分;每低于期初水平1%则在6分的基础上加1分,10分为上限;每高于期初水平1%则扣1分,扣完为止。相关说明编制人员审核人员批准人员编制日期审核日期批准日期(续)名称营销类考核/销售管理考核/考核方法编码版本页次3/6修改状态2.市场部考核分值表考核对象:市场部考核时间:指标类别指标分值实际得分备注定性指标(1)营销企划及企划实施检查情况60(2)营销通路设计与改进情况40定量指标合计100参考评分方法定性指标1)“营销企划及企划实施检查情况”:优秀60分,良好50分,一般30分,差0分。2)“营销通路设计与改进情况”:优秀40分,良好30分,一般15分,差0分。相关说明编制人员审核人员批准人员编制日期审核日期批准日期(续)名称营销类考核/销售管理考核/考核方法编码版本页次4/6修改状态3.客户部考核分值表考核对象:客户部考核时间:指标类别指标分值实际得分备注定性指标(1)客户信用管理情况60(2)坏账控制情况40定量指标合计100参考评分方法定性指标1)“客户信用管理情况”:优秀60分,良好50分,一般30分,差0分。2)“坏账控制情况”:优秀40分,良好30分,一般15分,差0分。相关说明编制人员审核人员批准人员编制日期审核日期批准日期(续)名称营销类考核/销售管理考核/考核方法编码版本页次5/6修改状态4.各办事处考核分值表考核对象:各办事处考核时间:指标类别指标分值实际得分备注定性指标(1)营销政策实施情况5(2)营销企划实施情况5(3)报表和业绩分析情况10(4)业务员管理情况10定量指标(1)当月办事处应收账款...

1、当您付费下载文档后,您只拥有了使用权限,并不意味着购买了版权,文档只能用于自身使用,不得用于其他商业用途(如 [转卖]进行直接盈利或[编辑后售卖]进行间接盈利)。
2、本站所有内容均由合作方或网友上传,本站不对文档的完整性、权威性及其观点立场正确性做任何保证或承诺!文档内容仅供研究参考,付费前请自行鉴别。
3、如文档内容存在违规,或者侵犯商业秘密、侵犯著作权等,请点击“违规举报”。

碎片内容

销售管理考核考核方法

您可能关注的文档

起跑线书城+ 关注
实名认证
内容提供者

热爱教学事业,对互联网知识分享很感兴趣

确认删除?
VIP
微信客服
  • 扫码咨询
会员Q群
  • 会员专属群点击这里加入QQ群
客服邮箱
回到顶部