电脑桌面
添加小米粒文库到电脑桌面
安装后可以在桌面快捷访问

施工方案(土方)VIP专享VIP免费

施工方案(土方)_第1页
1/6
施工方案(土方)_第2页
2/6
施工方案(土方)_第3页
3/6
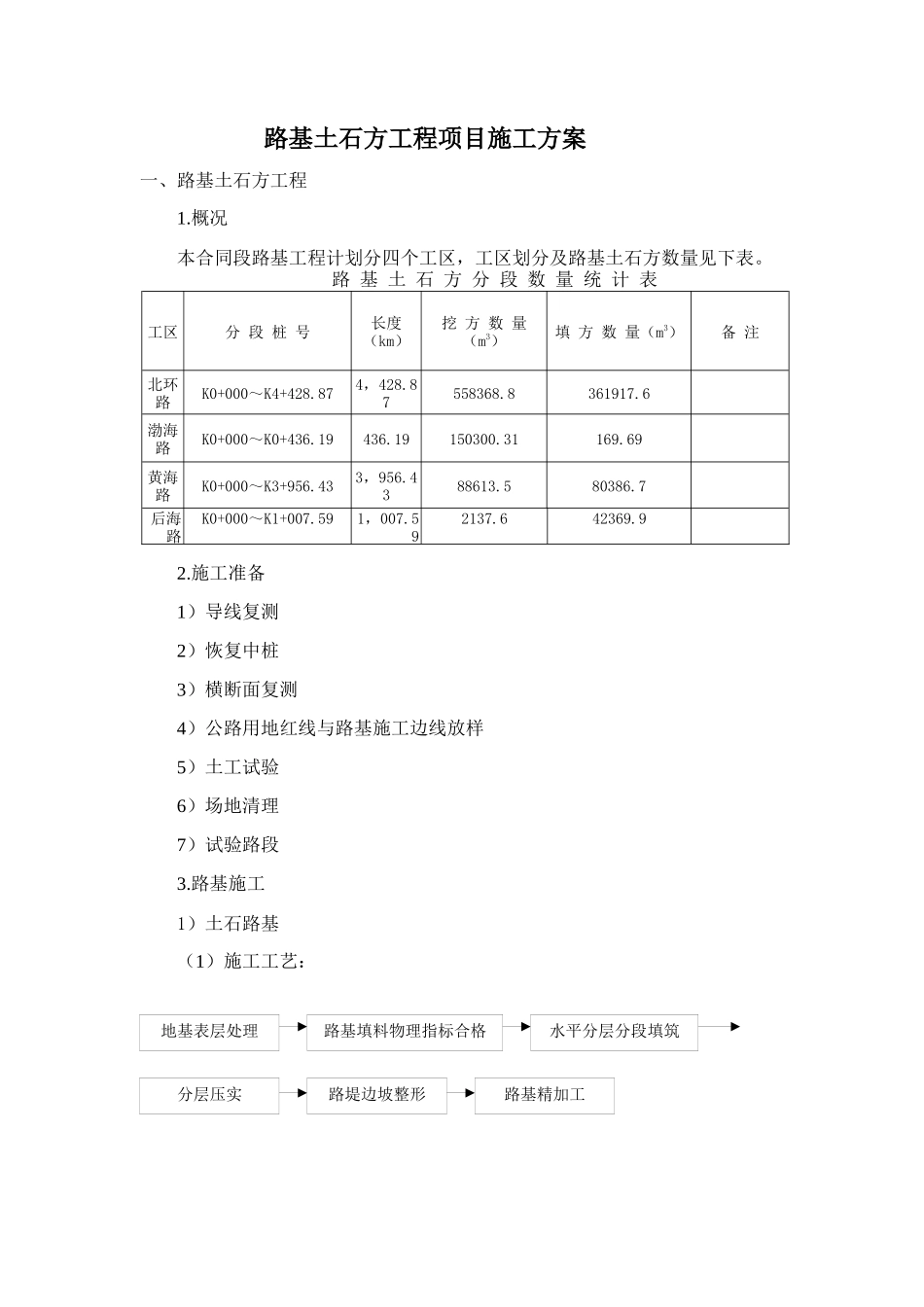
路基土石方工程项目施工方案一、路基土石方工程1.概况本合同段路基工程计划分四个工区,工区划分及路基土石方数量见下表。路基土石方分段数量统计表工区分段桩号长度(km)挖方数量(m3)填方数量(m3)备注北环路K0+000~K4+428.874,428.87558368.8361917.6渤海路K0+000~K0+436.19436.19150300.31169.69黄海路K0+000~K3+956.433,956.4388613.580386.7后海路K0+000~K1+007.591,007.592137.642369.92.施工准备1)导线复测2)恢复中桩3)横断面复测4)公路用地红线与路基施工边线放样5)土工试验6)场地清理7)试验路段3.路基施工1)土石路基(1)施工工艺:地基表层处理路基填料物理指标合格水平分层分段填筑分层压实路堤边坡整形路基精加工(2)施工要点:①天然土石混合料中,中硬、硬质石料的最大粒径不得大于压实层厚的2/3。石料为强风化石料或软质石料时,其CBR值应符合规范要求,石料最大粒径不得大于压实层厚。②基底处理应满足规范要求,在陡、斜坡地段,土石路基靠山一侧按设计要求作好排水和防渗处理。③施工前,应根据土石混合料的类别分别进行试验路段施工,确定能达到最大压实干密度的松铺厚度、压实机械型号及组合、压实速度及压实遍数、沉降差等参数。④压实后透水性差异大的土石混合材料,应分层或分段填筑,不宜纵向分幅填筑。2)高填方路基(1)施工工艺:(2)施工要点:①高度重视地下水及地表水对路基稳定性的影响,采取排水措施。②覆盖层较浅的岩石地基,应清除覆盖层③基底承载力应满足设计要求。特殊地段或承载力不足的地基按设计要求进行处理。④施工中应按设计要求预留路堤高度与宽度,并进行动态监控。⑤施工过程中加强沉降与稳定的观测,按照设计要求控制填筑速率。3.挖方路基施工1)土方工程(1)施工工艺:地基表层处理路基填料物理指标合格水平分层分段填筑分层压实路基边坡整形路基精加工适用于适用于适用于适用于(2)施工要点:①路基开挖土方可作为填方路堤的填料土,应分类开挖分类使用。非适用材料应按设计要求或作为弃方处理。②土方开挖应自上而下进行,不得乱挖超挖,严禁掏底开挖。③开挖过程中,应采取措施保证边坡稳定。开挖至边坡线前,应预留一定宽度,预留的宽度应保证刷坡过程中设计边坡线外的土层不受到扰动。④路基开挖中,基于实际情况,如需修改设计边坡坡度、截水沟和边沟的位置及尺寸等时,应及时按规定报批。⑤应采取临时排水措施,确保施工作业面不积水。⑥挖方路基施工遇到地下水时,一是应采取排导措施,将水引入路基排水系统,不得随意堵塞泉眼;二是路床土含水量高或为含水层时,应采取设置渗沟、换填、改良土质、土工织物等处理措施,路床填料除应符合最小强度和最大粒径的规定外,还应具有良好的透水性能。⑦土质路基开挖应根据地面坡度、开挖断面、纵向长度及出土方向等因素,结合土方调配,选用安全、经济的开挖方案。2)弃方处理(1)施工前,应对设计提供的弃土方案进行现场核对,若有疑问,应及时处理。清表横挖法纵挖法多层横向全宽挖掘法分层纵挖法通道纵挖法分段纵挖法开挖深而短的路堑较长的路堑开挖快速施工、便于挖掘和外运流水作业路堑过长、弃土运距过远的傍山路堑或一侧的堑壁不厚的路堑开挖利用填筑或弃方(2)弃土不占用耕地,集中堆放,并与周边环境相协调,不随意处理(3)弃土堆的几何尺寸、压实程度、位置,保证路基边坡和弃土堆自身稳定。弃土堆的边坡不陡于1:1.5,顶面向外设不小于2%的横坡,其内侧高度不大于3m。二、特殊路基处理1.软弱地基处治,采用清淤换填,回填碎石。2.陡坡路堤处治,采用原地表开挖台阶,地面横坡陡于1:2.5时,铺设土工格栅,U型钢筋钉锚固。3.填挖交界处,地面陡于1:5、缓于1:2.5时,仅作挖台阶处理;地面横坡陡于1:2.5时,挖台阶并铺设土工格栅,U型钢筋钉锚固。4.地基强夯处理,高填方路段沟底地基和原一级公路已施工路基采用强夯处理,铺装50cm石屑垫层。设置防震沟,以避免强夯对民房或建筑物造成震动影响。三、路基防护及排水工程1.路基排水1)施工前,应校核全线排水设计是否完善、合理,必要时应提出补充和修改意见,使全线的沟渠、管道、桥涵组合成完...

1、当您付费下载文档后,您只拥有了使用权限,并不意味着购买了版权,文档只能用于自身使用,不得用于其他商业用途(如 [转卖]进行直接盈利或[编辑后售卖]进行间接盈利)。
2、本站所有内容均由合作方或网友上传,本站不对文档的完整性、权威性及其观点立场正确性做任何保证或承诺!文档内容仅供研究参考,付费前请自行鉴别。
3、如文档内容存在违规,或者侵犯商业秘密、侵犯著作权等,请点击“违规举报”。

碎片内容

施工方案(土方)

确认删除?
VIP
微信客服
  • 扫码咨询
会员Q群
  • 会员专属群点击这里加入QQ群
客服邮箱
回到顶部