电脑桌面
添加小米粒文库到电脑桌面
安装后可以在桌面快捷访问

有线电视工程施工规范VIP免费

有线电视工程施工规范_第1页
1/20
有线电视工程施工规范_第2页
2/20
有线电视工程施工规范_第3页
3/20
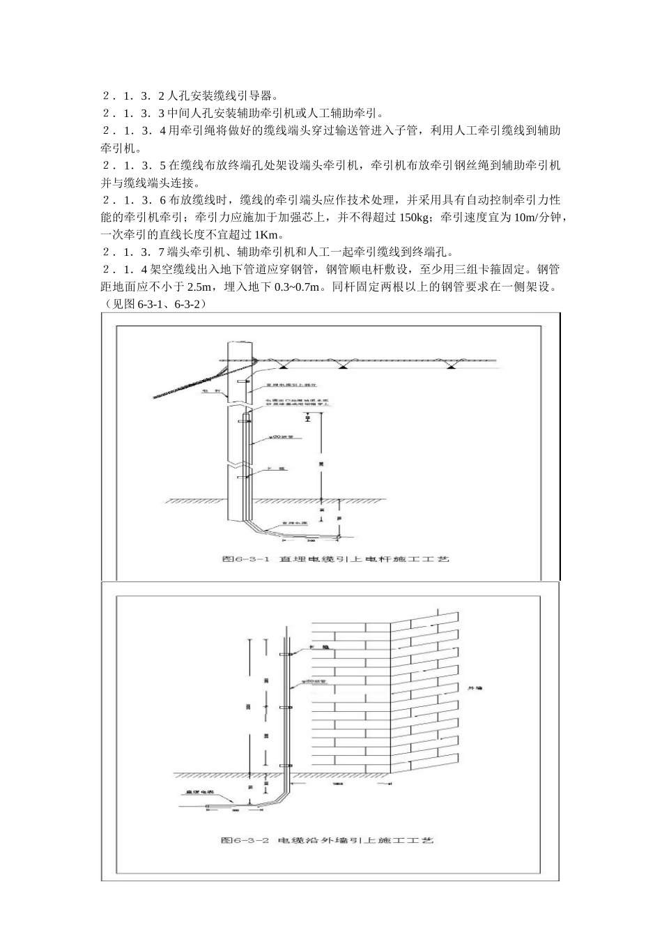
昆山市有线电视工程施工规范第一章施工准备1.1标准和法规1.1.1国标、部标GB/T6510-96《30MHz~1GHz声音和电视信号的电缆分配系统》P-GB50200-94《有线电视系统工程技术规范》GY/T106-1999《有线电视广播系统技术规范》GBJ79-85《工业企业通信接地设计规范》1.1.2地方性法规各省、市、自治区地方人民政府发布的,有关有线电视工程的法规。1.2施工依据1.2.1企业标准当地网络公司根据国标、部标、法规,结合有线电视的发展及当地实际情况,制定的有关有线电视工程的建设标准。1.2.2合同要求对所进行有线电视工程建设的合同中有关施工的条款。1.2.3设计图纸、现场勘查、器材清单1.2.3.1设计图纸为了确保工程质量,严格执行按图施工。必须做到,先有正确图纸,后有按图施工。杜绝无图施工、先施工后出图、图纸与现场不符等情况发生。所进行工程的设计图纸,包括:原理图。前端、光传输系统、以光节点为单位的电缆分配室外线路、用户分配电平图;施工图。光电线路路由、设备器材安装位置等。1.2.3.2现场勘查根据设计图,核对并检查施工现场的管道、管孔、杆位、墙质、建筑数量及编号、用户分布与数量等,明确:设计图纸是否与现场相符?如不符,应立即提交给设计部门进行图纸更改后,方可施工。是否具备施工条件?如不具备,应提交给管理部门解决。1.2.3.3器材清单根据设计图纸,编制器材清单。1.3系统设备器材1.3.1包装首先检查包装是否正规、完好,杜绝使用三无产品。包装要有产地、厂家、型号、合格证、3C认证、随机说明书,以及相应的防震、防尘措施。1.3.2外观产品应完好,应无明显的磕碰、划伤,缆线应无明显的变形;内外紧固件齐全、接插件齐全、入出缆线口无滑扣及过紧。1.3.3型号及配置产品型号正确,可插拔部件按要求配置正确。室外有源设备,拔掉所有电流通过选通插子,并用塑料(纸)袋封好,放于设备内,以备调机时选用。1.3.4通信号检查根据规定的输入高频信号、输入光功率,对设备进行简单的通信号检查,判断设备工作是否正常。检查光设备时应注意:不可观察有信号的光纤端,以防对眼睛造成永久性损伤;设备外壳应接地,以防静电对光器件造成损伤;不可将光发射机直接对光接收机测试,必须通过可变光衰减器,将光功率降至0dBm左右,否则,将损坏光接收机的光电转换模块。1.4施工设备器材1.4.1仪器至少含5~862MHz的选频电平表(俗称场强仪);三用表;地电阻测量计。所有仪表,均应按规定计量合格。1.4.2工具攀爬工具:梯子、脚扣、滑车座板、保险带等;缆线敷设工具:钢绞线紧线器、缆线放线盘、缆线牵引机;电缆连接工具;交通工具:器材运输工程车,可带4M以上梯子。所有工具,均可正常使用,并确认完好符合安全施工的要求。1.4.3辅料横担、抱箍、猫爪、膨胀螺栓、水泥钉、卡子等。1.4.4通信步谈机或小灵通。1.5施工人员施工人员均应经过培训,掌握基本施工技能,并持有相应上岗证明。第1章缆线敷设2.1地下管道敷设铺设管道时,必须注意,管道均应平直且有一定程度的倾斜,以保证管道无积水,防止积水结冰膨胀时,拉断缆线。2.1.1缆线敷设前,应对管孔进行清洁,并确认管道畅通。2.1.2按设计要求布放子管。2.1.3缆线管道敷设,采用机械与人工相结合敷设法。2.1.3.1缆线盘置于缆线入口处,缆线经喇叭口输送管(蛇皮钢管或聚乙烯管)进入子管。2.1.3.2人孔安装缆线引导器。2.1.3.3中间人孔安装辅助牵引机或人工辅助牵引。2.1.3.4用牵引绳将做好的缆线端头穿过输送管进入子管,利用人工牵引缆线到辅助牵引机。2.1.3.5在缆线布放终端孔处架设端头牵引机,牵引机布放牵引钢丝绳到辅助牵引机并与缆线端头连接。2.1.3.6布放缆线时,缆线的牵引端头应作技术处理,并采用具有自动控制牵引力性能的牵引机牵引;牵引力应施加于加强芯上,并不得超过150kg;牵引速度宜为10m/分钟,一次牵引的直线长度不宜超过1Km。2.1.3.7端头牵引机、辅助牵引机和人工一起牵引缆线到终端孔。2.1.4架空缆线出入地下管道应穿钢管,钢管顺电杆敷设,至少用三组卡箍固定。钢管距地面应不小于2.5m,埋入地下0.3~0.7m...

1、当您付费下载文档后,您只拥有了使用权限,并不意味着购买了版权,文档只能用于自身使用,不得用于其他商业用途(如 [转卖]进行直接盈利或[编辑后售卖]进行间接盈利)。
2、本站所有内容均由合作方或网友上传,本站不对文档的完整性、权威性及其观点立场正确性做任何保证或承诺!文档内容仅供研究参考,付费前请自行鉴别。
3、如文档内容存在违规,或者侵犯商业秘密、侵犯著作权等,请点击“违规举报”。

碎片内容

有线电视工程施工规范

起跑线书城+ 关注
实名认证
内容提供者

热爱教学事业,对互联网知识分享很感兴趣

确认删除?
VIP
微信客服
  • 扫码咨询
会员Q群
  • 会员专属群点击这里加入QQ群
客服邮箱
回到顶部