电脑桌面
添加小米粒文库到电脑桌面
安装后可以在桌面快捷访问

现代城B区D标稿(施工方案)修改VIP免费

现代城B区D标稿(施工方案)修改_第1页
1/100
现代城B区D标稿(施工方案)修改_第2页
2/100
现代城B区D标稿(施工方案)修改_第3页
3/100
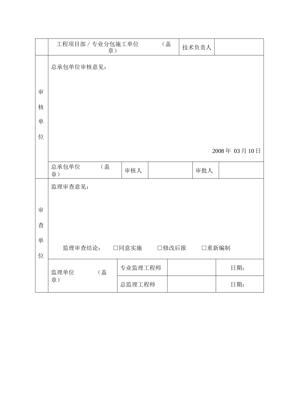
正荣.融信现代城B6#~B13#、B17#楼工程施工组织设计方案莆田市建筑安装工程公司2008年3月施工组织设计(施工方案)报审表施表7.1共页第页工程名称正荣.融信现代城B6#~B13#、B17#楼工程施工单位莆田市建筑安装工程公司编制单位现报上施工组织设计工程施工组织总设计/施工组织设计/施工方案文件,请予以审查。主编编制人工程项目部/专业分包施工单位(盖章)技术负责人审核单位总承包单位审核意见:2008年03月10日总承包单位(盖章)审核人审批人审查单位监理审查意见:监理审查结论:□同意实施□修改后报□重新编制监理单位(盖章)专业监理工程师日期:总监理工程师日期:目录第一章编制说明及编制依据:71.1编制依据71.2编制说明7第二章工程概况及特点72.1总述72.2现场概况72.3施工目标82.3.1质量目标82.3.2工期目标82.3.3安全生产目标82.3.4现场文明施工管理目标82.4工程概况8第三章项目部组织机构113.1机构设置113.2项目经理及主要管理人员简介3.3以上人员相应资质的复印件3.4管理机构职责划分123.4.1项目经理职责123.4.2项目生产副经理职责123.4.3项目总工职责123.4.4施工员职责133.4.5质检员职责133.4.6项目安全员职责133.4.7项目材料员职责143.4.8项目预算员职责143.4.9项目试验员职责14第四章总平面布置144.1施工现场平面布置及说明144.1.1施工平面布置的原则144.1.2平面布置的内容154.1.3机械设备的布置154.1.4各施工阶段的布置154.1.5临时道路及场地平整164.2施工临时用水、用电16第五章施工部署175.1项目的质量、进度和安全目标5.2施工总体按排175.3施工阶段划分及衔接关系175.4工程施工总体部署185.5施工段划分18第六章施工方案186.1施工流向、施工进度划分、施工顺序及流程6.2桩基施工6.3施工测量236.4钢筋工程246.5模板工程256.6混凝土工程296.7脚手架工程306.8砌体工程356.9楼地面工程366.10装饰工程366.11防水与保温工程376.12建筑设备安装工程386.12.1施工顺序386.12.2电气工程386.12.3给排水工程48第七章施工进度计划54第八章资源供应计划548.1劳动力供应计划548.1.1基础施工阶段劳动力需用计划表548.1.2主体施工阶段劳动力需用计划表558.1.3装饰施工阶段劳动力需用计划表558.2机械设备需求供应计划568.3主要材料和周转材料需求供应计划588.3.1主要材料需用计划表588.3.2周转材料需求计划598.3.3主要材料进场计划60第九章技术组织措施计划619.1进度目标保证措施619.1.1进度控制流程图619.1.2组织保障措施619.1.3合同保障措施629.1.4经济保障措施629.1.5技术保障措施629.2质量目标保证措施629.2.1项目质量管理体系629.2.2管理体系过程及其关系639.2.3质量管理和检验制度649.2.4现场材料设备的存放和管理制度779.2.5主要人员的上岗证书789.2.6分包单位的管理制度789.2.7防渗漏及防水措施799.2.8防止质量通病的措施829.3安全目标保证措施879.4成本目标保证措施909.5文明施工保证措施939.6其他施工措施949.6.1相关单位协调配合措施949.6.2雨季、统计施工及台风、炎热等条件下季节性施工措施959.6.3成品、半成品保护措施989.6.4农忙时赶工措施技术要求100第十章项目实施重点、难点及对策10110.1.项目实施重点、难点及对策10110.1.1.工程特点及施工难点10110.1.2.施工对策101第十一章项目风险管理10111.1项目风险管理10111.2项目主要风险:10211.3避免项目风险的主要方法:10211.4避免项目风险的具体措施:102第十二章附表10212.1施工平面布置图10212.2施工进度计划102第一章编制说明及编制依据:一.1编制依据本施工组织设计主要依据以下几项编制:施工合同、工程施工设计图纸、工程地质勘察报告、国家省市地区的相关法令法规及规定、国家现行的相关技术规范、标准及规程、工程施工其他参考资料及施工现场具体情况等。一.2编制说明本施工组织设计作为指导该工程施工的依据,编制时对该工程施工组织机构设置、施工劳动力、材料、机械组织、施工现场总平面管理、施工进度计划控制、施工各项准备工作安排、主要分部分项工程施工方法及技术措施、工程质量保证及控制措施、安全生产保证措施、文明施工及环境保护措施、降低成本措施、季节性施工措施等诸多因素尽可能充...

1、当您付费下载文档后,您只拥有了使用权限,并不意味着购买了版权,文档只能用于自身使用,不得用于其他商业用途(如 [转卖]进行直接盈利或[编辑后售卖]进行间接盈利)。
2、本站所有内容均由合作方或网友上传,本站不对文档的完整性、权威性及其观点立场正确性做任何保证或承诺!文档内容仅供研究参考,付费前请自行鉴别。
3、如文档内容存在违规,或者侵犯商业秘密、侵犯著作权等,请点击“违规举报”。

碎片内容

现代城B区D标稿(施工方案)修改

您可能关注的文档

确认删除?
VIP
微信客服
  • 扫码咨询
会员Q群
  • 会员专属群点击这里加入QQ群
客服邮箱
回到顶部