电脑桌面
添加小米粒文库到电脑桌面
安装后可以在桌面快捷访问

精品店轻钢结构加固施工方案VIP免费

精品店轻钢结构加固施工方案_第1页
1/7
精品店轻钢结构加固施工方案_第2页
2/7
精品店轻钢结构加固施工方案_第3页
3/7
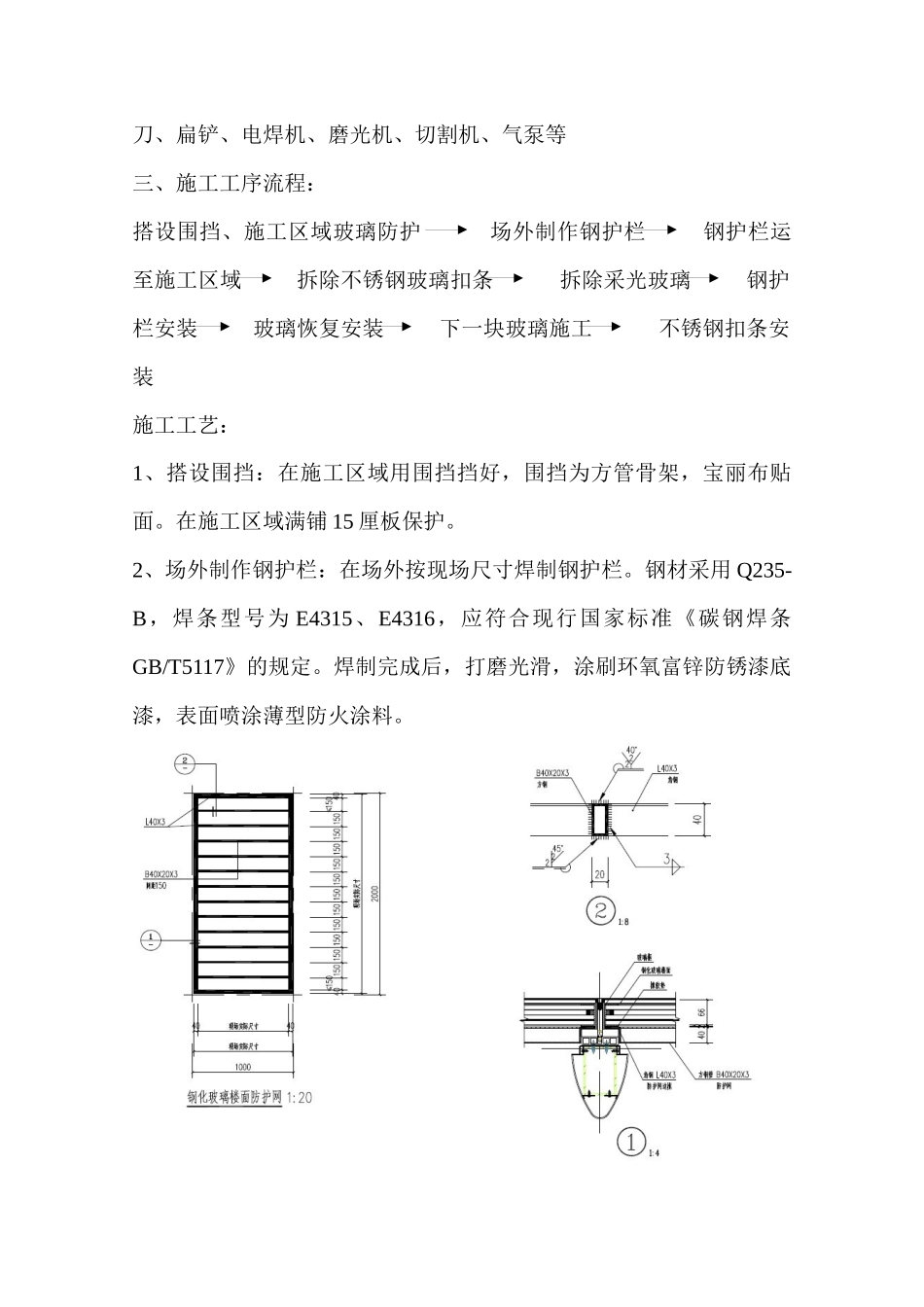
北京南站高架层精品店轻钢结构加固施工方案编制单位:金坛建工集团有限公司北京南站项目部编制时间:2011年05月22日一、工程概况:本工程为北京南站高架层增加14个商业精品店,店铺位于检票口之间。由于检票口之间部分地面为玻璃采光天窗,采光天窗为钢化夹胶中空铯钾玻璃(铝合金框双层8+8钢化夹胶玻璃),采光天窗下为站台及接触网轨道区域。为了增加玻璃采光天窗的安全系数,站方委托中国建筑科学研究院中国建筑技术集团有限公司对采光天窗进行加固设计。按设计院要求,在店铺区域玻璃天窗下增加一道钢防护栏,护栏为40*4角钢边框,20*40@150方钢管格栅。此举既不会影响采光性能,又增加了安全系数,即使天窗玻璃破碎,也不会坠落伤人毁物。本次增加钢防护栏1052块。需要在6月12日前全部更换完毕。预计每天增加钢防护栏53块,总工期20天。二、施工准备:◆对现场施工的工人进行进场教育:不在施工区域追逐打闹,不长时间逗留,不围观,不大声喧哗,不在站内和施工现场吸烟,不穿拖鞋,不得衣衫不整进站和施工现场;在站内如有特殊活动时应服从站内要求回避等,及站方安全协议中涉及到的人身、消防和有关接触网附近区域施工的一切要求。◆做好施工部位的维护工作,在施工区域外围满封防护布。在主要的通行路口旁挂白底色喷有“正在施工,敬请绕行”,“施工现场禁止烟火”等字样的宣传板。◆材料准备:40*4角钢、20*40方管、防锈漆、防火涂料◆机具准备:2m长50*100木方、三爪式吸玻器、帆布带、壁纸刀、扁铲、电焊机、磨光机、切割机、气泵等三、施工工序流程:搭设围挡、施工区域玻璃防护场外制作钢护栏钢护栏运至施工区域拆除不锈钢玻璃扣条拆除采光玻璃钢护栏安装玻璃恢复安装下一块玻璃施工不锈钢扣条安装施工工艺:1、搭设围挡:在施工区域用围挡挡好,围挡为方管骨架,宝丽布贴面。在施工区域满铺15厘板保护。2、场外制作钢护栏:在场外按现场尺寸焊制钢护栏。钢材采用Q235-B,焊条型号为E4315、E4316,应符合现行国家标准《碳钢焊条GB/T5117》的规定。焊制完成后,打磨光滑,涂刷环氧富锌防锈漆底漆,表面喷涂薄型防火涂料。3、钢护栏运至施工区域:搬运时应小心轻放,钢护栏码放时应用橡胶垫保护,并且一摞不得超过10块,防止护栏变形。如有防火涂料磨损,应在安装前补刷。4、拆除不锈钢扣条:将不锈钢扣条两侧的玻璃胶用壁纸刀划开,用扁铲将胶层全部铲干净,拆除不锈钢扣条。5、拆除采光玻璃:◆玻璃固定架制作:用300*50木方制作。临时固定在预换玻璃的正上方。◆用6只三爪式吸玻器固定好玻璃,按其功能分为安装吸玻器和固定吸玻器。安装吸玻器为拆除和安装玻璃的受力点。固定吸玻器用帆布带与钢骨架有效连接,保证在挪移玻璃时不滑脱。◆用帆布带系好安装吸玻器,由4名工人将玻璃抬起距地约300高,沿玻璃短边下插入固定木支架。6、安装钢护栏:安装前应先将橡胶垫粘在钢护栏上,用绳索将钢护栏与就近的钢架连接,防止坠落,将钢护栏从木支架与地面之间150mm缝隙内慢慢推入就位,解开绳索。7、玻璃恢复安装:平移回固定架及玻璃。工人抬起玻璃,抽出木方,慢慢将玻璃归位,调整玻璃的平整度。按次序摘下安装吸玻器和固定吸玻器。8、按以上做法安装下一块钢护栏。9、全部钢护栏安装完成后,恢复原玻璃框间扣件均匀排布,至站台层验收护栏的安装质量,调整采光天窗各边间距均为15mm,合格后禁锢扣件,安装泡沫垫杆打耐候密封胶,最后安装不锈钢扣条,打玻璃胶固定。10、现场清理干净,两天后可以拆除围挡。四、施工质量控制:◆建立严格的质量保证制度,设置高效、认真负责的质量保证部门,建立工程监督制度。从管理上确保质量目标的实施,推行全面质量管理体系,运用科学的手段,实现北京市级优质工程的目标。编制执行企业内部质量标准,确立样板制度和首段验收制度。实行质量岗位责任制,制定施工的质量管理办法及奖罚措施。◆贯彻质量方针,提高全员质量意识。组织协调各部门围绕质量目标开展工作。加强全员质量意识,利用岗前教育、岗位培训作为质量管理的措施,把质量管理工作变为职工的实际行动,做到四个一样即:有人检查无人检查一样,隐蔽工程外露工程一样,...

1、当您付费下载文档后,您只拥有了使用权限,并不意味着购买了版权,文档只能用于自身使用,不得用于其他商业用途(如 [转卖]进行直接盈利或[编辑后售卖]进行间接盈利)。
2、本站所有内容均由合作方或网友上传,本站不对文档的完整性、权威性及其观点立场正确性做任何保证或承诺!文档内容仅供研究参考,付费前请自行鉴别。
3、如文档内容存在违规,或者侵犯商业秘密、侵犯著作权等,请点击“违规举报”。

碎片内容

精品店轻钢结构加固施工方案

您可能关注的文档

确认删除?
VIP
微信客服
  • 扫码咨询
会员Q群
  • 会员专属群点击这里加入QQ群
客服邮箱
回到顶部