电脑桌面
添加小米粒文库到电脑桌面
安装后可以在桌面快捷访问

校园广播工程(474K)-校园广播工程VIP免费

校园广播工程(474K)-校园广播工程_第1页
1/14
校园广播工程(474K)-校园广播工程_第2页
2/14
校园广播工程(474K)-校园广播工程_第3页
3/14
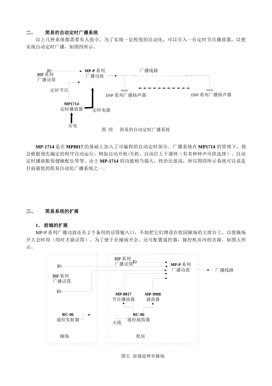
MP-P系列广播功放图一最简易的公共广播系统广播线路DSP系列广播扬声器DSP系列广播扬声器DSP系列广播话筒校园广播工程校园广播系统的作用发布作息信号(如上下课钟声);发布通知;向师生传达上级的政策、指示,播送校长讲话;广播新闻;寻呼;大会(包括校运会)扩声,大教室(阶梯教室)扩声;播送礼仪乐曲、保健操乐曲、课前课后的背景音乐;播送教学语音文件,课前问候(祝福)语音文件,放学嘱咐语音文件;必要时强行发布灾害性事故警报,指挥现场救护和疏散。校园广播系统的结构方案一、简易的校园广播系统二、简易的自动定时广播系统三、简易系统的扩展四、大功率系统五、最小系统六、典型系统七、矩阵系统八、智能化系统九、网络化系统十、无线系统十一、基于CATV的系统下面,以迪士普(DSPPA)公共广播系统的DSP系列为例,介绍各种方案的具体构成。一、简易的校园广播系统最简易的系统如图一。广播功放、广播线路和广播扬声器与普通家用的或HiFi的专业功放、音箱线、扬声器不尽相同。MP-P系列广播功放广播线路DSP系列广播扬声器广播话筒DSP系列广播扬声器MP-9907CD机MP-8806卡座MP-9908调谐器图二改进了的简易系统MP-8817节目播放器或或DSP系列广播话筒DSP/MP-8000系列广播功放图三另一种简易系统卡座收音CDDSP系列广播扬声器DSP系列广播话筒由于广播线路通常相当长(几十米乃至上千米),为减少传输损耗,广播信号原则上是用高电压/小电流的方式传输。所以广播功放须提供高压信号,因此广播功放都内置有输出变压器用以提升广播信号电压;同时,为了便于配接广播扬声器,广播功放应是定压输出模式,其输出端子标示70V/100V/120V等规格。另外,300W以下常规的小功率广播功放通常自带前置级(典型的如DSP/MP-P系列),属合并式功放。由于系统用高压传输,所以广播线路一般不必使用昂贵的HiFi音箱线而只须用普通的双绞线;如果配置在室外,则应加防雷设施(见下文)。相应地,广播扬声器原则上应是高阻扬声器,它们都有内置的“线间变压器”(阻抗变换/降压用),其输入端子也标示70V/100V/120V等适用电压规格。广播扬声器同广播功放之间的匹配规则非常简单:首先,广播扬声器的输入标称电压原则上应同广播功放的输出标称电压相同;在这样的前提下,只要所有广播扬声器的总功率不大于广播功放的额定输出功率即可(这是理论值,有关规程另有限定,见下文)。在实际应用中,当广播线路相当长的时候,由于线路损耗,远端的广播扬声器音量可能不足,这时可以升档使用这些音量不足的广播扬声器。所谓“升档”,是把标称输入电压低的端子接到标称电压高的线路上去。例如,把广播扬声器的70V端子接到100V线路上去。道理非常简单,如果把70V的灯泡接到100V线路上去,灯泡肯定会亮些。反过来,当线路有损耗时,100V的线路可能只有70V,因此宜使用70V的用电器。图一所示的简易系统只能发布语音广播,如通知、寻呼、讲话等。倘要广播背景音乐、广播新闻、发布录音,则可添置CD、卡座、调谐器(收音机)和节目播放器等设备。大多数广播功放备有多个线路输入接口,可以方便地同这些设备连接,系统的构成如图二。在该系统中话筒具有优先权(广播功放内部有相应的排序电路)。即当使用话筒发话时,其他音源(卡座、CD….等)将被抑制,自动默音。另外,该系统中的节目播放器是新品种,内置有非易失性存储芯片,厂家固化2小时数码录音节目(通常是礼仪类和保健操类节目以及供发布上下课钟声用的信号。也可以定制其他节目);另有2小时空白带,供用户自己录音。可以说,该节目播放器是一台不用磁带的数码卡座。另一种简易系统见图三。该系统使用了自带CD、卡座和调谐器的广播功放。系统结构简洁、使用方便。但该系统不自带钟声,如果要发布上下课钟声,可另配节目播放器。简单一点,也可以配一只钟声话筒。这种话筒有一个钟声按钮,按下即发出一次钟声,但其钟声的模式是固定不可变的。MP-P系列广播功放图四简易的自动定时广播系统广播线路DSP系列广播扬声器DSP系列广播话筒DSP系列广播扬声器MP1714定时播放器市电定时电源定时节目MP-P系列广播功放广播线路RC-06遥控接收器MP-9908调谐器图五前端...

1、当您付费下载文档后,您只拥有了使用权限,并不意味着购买了版权,文档只能用于自身使用,不得用于其他商业用途(如 [转卖]进行直接盈利或[编辑后售卖]进行间接盈利)。
2、本站所有内容均由合作方或网友上传,本站不对文档的完整性、权威性及其观点立场正确性做任何保证或承诺!文档内容仅供研究参考,付费前请自行鉴别。
3、如文档内容存在违规,或者侵犯商业秘密、侵犯著作权等,请点击“违规举报”。

碎片内容

校园广播工程(474K)-校园广播工程

您可能关注的文档

确认删除?
VIP
微信客服
  • 扫码咨询
会员Q群
  • 会员专属群点击这里加入QQ群
客服邮箱
回到顶部