电脑桌面
添加小米粒文库到电脑桌面
安装后可以在桌面快捷访问

深基坑施工方案(修改)VIP免费

深基坑施工方案(修改)_第1页
1/51
深基坑施工方案(修改)_第2页
2/51
深基坑施工方案(修改)_第3页
3/51
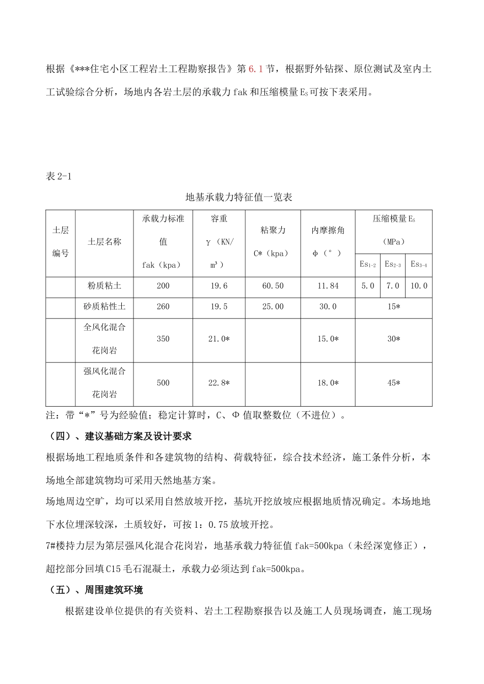
一、编制依据(一)、***房地产开发有限公司提供的《***住宅小区规划图》;(二)、***规划设计研究院提供的《***住宅小区(北区)岩土工程勘察报告》;(三)、***建筑设计有限公司《***楼施工图》;(四)、国家及地方现行的相关标准、规范和规程、法律、法规及政府授权管理部门的规定及要求等。1、岩土工程勘察规范(GB50021-2001)2、建筑基坑工程技术规范(YB9258-97)3、建筑边坡工程技术规范(GB50330-2002)4、高层建筑岩土工程勘察规范(JGJ72-2004J366-2004)5、建筑基坑工程监测技术规范(GB50497-2009)6、建筑地基处理技术规范(JGJ79-2002J220-2002)7、建筑工程施工质量验收统一标准(GBJ50300-2001)8、工程测量规范(GB50026-2007)9、建筑变形测量规范(JGJ/T8-2007)10、建筑机械使用安全技术规程(JGJ33-2001J119-2001)11、建筑施工安全检查标准(JGJ59-99)二、概况(一)、工程概况建设单位:设计单位:施工单位:工程名称:工程地址:资金来源:企业自筹质量等级:合格7#楼功能为住宅,地下两层,地上33层,地下二层为人防地下室。建筑占地面积为1099.08㎡,总建筑高度为96.50米,总长29.40米,总宽18.75米,总建筑面积为14575.93㎡,主体为现浇钢筋混凝土剪力墙结构。基础采用大体积整体筏板基础。筏板底标高为-7.65米,筏板厚为1200mm,建筑设计使用年限为50年,工程设计等级为一级;建筑分类为一类高层,地上、地下耐火等级均为一级。(二)、工程地质概况1、地质情况根据岩土工程勘察报告,依地层岩性结构自上而下可分为5个工程地质层,现分层描述如下:第层土为素填土:黄褐色,松散~稍密,堆埋时间约3年以上,厚度0.5~5.0m第层土为粉质粘土:黄褐色~红褐色,厚度0.6~4.4m,地基承载力fak=200Kpa第层土为砂质粘性土:红褐色,具可塑性,厚度0.5~5.5m,地基承载力fak=260Kpa第层土为全风化混合花岗岩:褐色,属软岩,岩体较破碎,为V级,厚度0.5~4.2m,地基承载力fak=350Kpa第层土为强风化混合花岗岩:褐红色,属软岩,岩体较破碎,为V级,厚度未完全揭穿,地基承载力fak=500Pa2、地下水情况根据***规划设计研究院提供的《***住宅小区岩土工程勘察报告》,本工程地下水类型主要为风化岩孔隙裂隙潜水,平均稳定水位埋深约为8.90米,绝对标高约为18.08米。主要赋存在基岩的全、强风化带的空隙-裂隙中以及伟晶岩脉发育地段,由于裂隙发育和岩脉分布的不均匀性,地下水常成脉状、片状分布,不均匀性较强,地下水位标高变化也大,局部还具有一定的承压性。补给来源为大气降水、地下径流。根据***市水文地质观测资料,剥蚀残丘、台地的地下水的年变幅约在1.5米之内。本工程所取水样的水质分析报告,场地地基土对混凝土无腐蚀性,对钢结构有弱腐蚀,在干湿交替的情况下对混凝土中的钢筋有弱腐蚀性,长期浸水无腐蚀性,根据***市地区经验,土的腐蚀性特点与地下水是一致的。(三)、工程特性指标根据《***住宅小区工程岩土工程勘察报告》第6.1节,根据野外钻探、原位测试及室内土工试验综合分析,场地内各岩土层的承载力fak和压缩模量ES可按下表采用。表2-1地基承载力特征值一览表土层编号土层名称承载力标准值fak(kpa)容重γ(KN/m³)粘聚力C*(kpa)内摩擦角φ(°)压缩模量ES(MPa)Es1-2Es2-3Es3-4粉质粘土20019.660.5011.845.07.010.0砂质粘性土26019.525.0030.015*全风化混合花岗岩35021.0*15.0*30*强风化混合花岗岩50022.8*18.0*45*注:带“*”号为经验值;稳定计算时,C、Ф值取整数位(不进位)。(四)、建议基础方案及设计要求根据场地工程地质条件和各建筑物的结构、荷载特征,综合技术经济,施工条件分析,本场地全部建筑物均可采用天然地基方案。场地周边空旷,均可以采用自然放坡开挖,基坑开挖放坡应根据地质情况确定。本场地地下水位埋深较深,土质较好,可按1:0.75放坡开挖。7#楼持力层为第层强风化混合花岗岩,地基承载力特征值fak=500kpa(未经深宽修正),超挖部分回填C15毛石混凝土,承载力必须达到fak=500kpa。(五)、周围建筑环境根据建设单位提供的有关资料、岩土工程勘察报告以及施工人员现场调查,施工现场周边50米范围内无大的建筑物和堆载,现场土质为...

1、当您付费下载文档后,您只拥有了使用权限,并不意味着购买了版权,文档只能用于自身使用,不得用于其他商业用途(如 [转卖]进行直接盈利或[编辑后售卖]进行间接盈利)。
2、本站所有内容均由合作方或网友上传,本站不对文档的完整性、权威性及其观点立场正确性做任何保证或承诺!文档内容仅供研究参考,付费前请自行鉴别。
3、如文档内容存在违规,或者侵犯商业秘密、侵犯著作权等,请点击“违规举报”。

碎片内容

深基坑施工方案(修改)

确认删除?
VIP
微信客服
  • 扫码咨询
会员Q群
  • 会员专属群点击这里加入QQ群
客服邮箱
回到顶部