电脑桌面
添加小米粒文库到电脑桌面
安装后可以在桌面快捷访问

客户麻袋保管岗位说明书VIP免费

客户麻袋保管岗位说明书_第1页
1/4
客户麻袋保管岗位说明书_第2页
2/4
客户麻袋保管岗位说明书_第3页
3/4
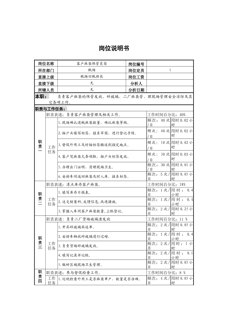
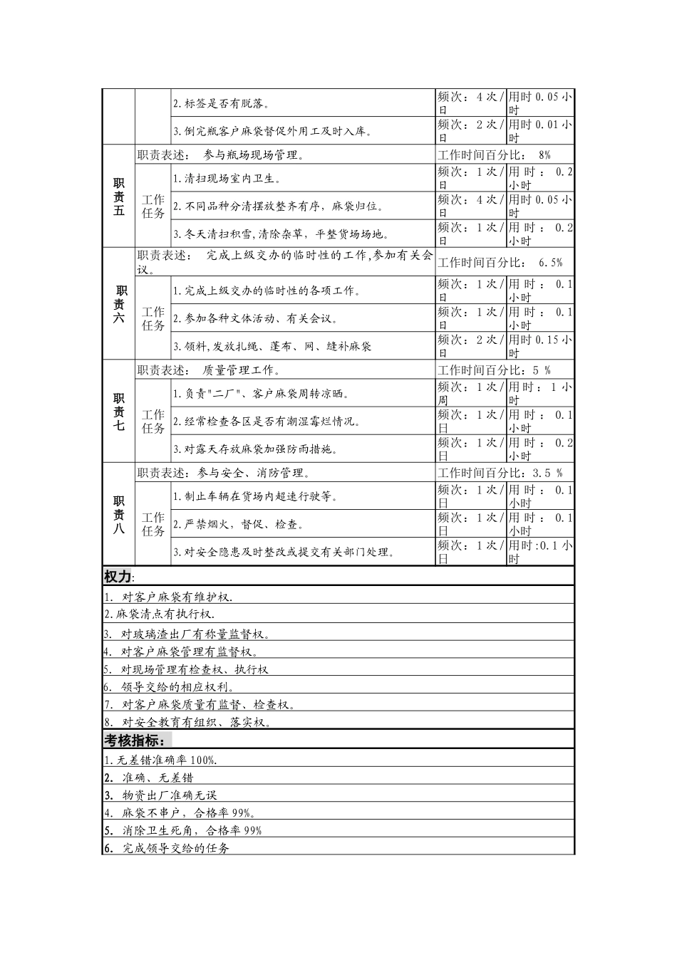
岗位说明书岗位名称客户麻袋保管员岗岗位编号所在部门瓶场岗位定员1直接上级瓶场旧瓶班长岗位工资直接下级无分析人所辖人员无分析日期本职:负责客户麻袋的保管发放、碎玻璃、二厂麻袋管、理现场管理安全消防及其它各项工作。职责与工作任务:职责一职责表述:负责客户麻袋管理及相关工作。工作时间百分比:40%工作任务1.现场确认进瓶麻袋数量,确认麻袋等级。频次:40次/日用时0.02小时2.按户头填写标签、挂系牢固,进行登记手续。频次:40次/日用时0.02小时3.督促外用工及时按标签搬运到指定地点。频次:10次/日用时0.02小时4.客户凭麻袋欠条领取,按户头标签发放。频次:30次/日用时0.03小时5.办理出门证明,清理现场卫生。频次:30次/日用时0.01小时6.安排车间返回麻袋及时入库,挂系标签。频次:5次/日用时0.05小时职责二职责表述:清点库存客户麻袋。工作时间百分比:18%工作任务1.填写库存日报表。频次:1次/日用时:0.4小时2.送交销售科,反馈信息,改进措施。频次:1次/日用时:0.4小时3.掌握入车间客户麻袋数量,上帐登记。频次:2次/日用时0.25小时职责三职责表述:负责二厂货场玻璃渣发放工作时间百分比:11%工作任务1.开具碎玻璃承运单。频次:2次/日用时0.05小时2.安排车辆放碎玻璃进行过磅。频次:1次/日用时:0.4小时3.负责货场碎玻璃发放。频次:2次/月用时:1小时4.填写记录并记帐。频次:2次/日用时:0.1小时5.做好区域现场卫生管理。频次:2次/日用时0.05小时职责四职责表述:参与督促检查工作。工作时间百分比:8%工作任务1.巡视检查外用工是否麻袋串户,数量是否准确。频次:4次/日用时0.05小时2.标签是否有脱落。频次:4次/日用时0.05小时3.倒完瓶客户麻袋督促外用工及时入库。频次:2次/日用时0.01小时职责五职责表述:参与瓶场现场管理。工作时间百分比:8%工作任务1.清扫现场室内卫生。频次:1次/日用时:0.2小时2.不同品种分清摆放整齐有序,麻袋归位。频次:4次/日用时0.05小时3.冬天清扫积雪,清除杂草,平整货场场地。频次:1次/日用时:0.2小时职责六职责表述:完成上级交办的临时性的工作,参加有关会议。工作时间百分比:6.5%工作任务1.完成上级交办的临时性的各项工作。频次:1次/日用时:0.1小时2.参加各种文体活动、有关会议。频次:1次/日用时:0.1小时3.领料,发放扎绳、蓬布、网、缝补麻袋频次:2次/日用时0.15小时职责七职责表述:质量管理工作。工作时间百分比:5%工作任务1.负责"二厂"、客户麻袋周转凉晒。频次:1次/周用时:1小时2.经常检查各区是否有潮湿霉烂情况。频次:1次/日用时:0.1小时3.对露天存放麻袋加强防雨措施。频次:1次/日用时:0.2小时职责八职责表述:参与安全、消防管理。工作时间百分比:3.5%工作任务1.制止车辆在货场内超速行驶等。频次:1次/日用时:0.1小时2.严禁烟火,督促、检查。频次:1次/日用时:0.1小时3.对安全隐患及时整改或提交有关部门处理。频次:1次/日用时:0.1小时权力:1.对客户麻袋有维护权.2.麻袋清点有执行权.3.对玻璃渣出厂有称量监督权。4.对客户麻袋管理有监督权。5.对现场管理有检查权、执行权6.领导交给的相应权利。7.对客户麻袋质量有监督、检查权。8.对安全教育有组织、落实权。考核指标:1.无差错准确率100%.2.准确、无差错3.物资出厂准确无误4.麻袋不串户,合格率99%。5.消除卫生死角,合格率99%6.完成领导交给的任务7.麻袋不串户、不腐烂,客户投诉率为千分之三。8.加强安全管理,安全隐患发生率为零。工作协作关系:内部协调关系包装、物资、销售部门外部协调关系客户、外用工、私人老板任职资格:教育水平初中以上学历专业具备仓储、管理、营销、财会工作经验多年、无不良工作记录能力要求善于人际交往、组织协调各种关系、清楚表达、文字工整个性特征稳重、责任心强、细心生理特征品貌端正、健康无缺陷所需培训文化、财会、计算机、营销工作特点:工作场所户外作业。工作方式以走动检查巡视为主。工作时间特征时间不固定、无规律、经常加班。工作环境受户外环境影响、阳光、粉尘、污染较重。体力精力消耗精力、压力、劳动强度较大。劳动保护车辆多,工作危险、玻璃伤人及皮...

1、当您付费下载文档后,您只拥有了使用权限,并不意味着购买了版权,文档只能用于自身使用,不得用于其他商业用途(如 [转卖]进行直接盈利或[编辑后售卖]进行间接盈利)。
2、本站所有内容均由合作方或网友上传,本站不对文档的完整性、权威性及其观点立场正确性做任何保证或承诺!文档内容仅供研究参考,付费前请自行鉴别。
3、如文档内容存在违规,或者侵犯商业秘密、侵犯著作权等,请点击“违规举报”。

碎片内容

客户麻袋保管岗位说明书

您可能关注的文档

确认删除?
VIP
微信客服
  • 扫码咨询
会员Q群
  • 会员专属群点击这里加入QQ群
客服邮箱
回到顶部