电脑桌面
添加小米粒文库到电脑桌面
安装后可以在桌面快捷访问

二、四川省城镇生活污水处理厂运行考核评价表VIP专享VIP免费

二、四川省城镇生活污水处理厂运行考核评价表_第1页
1/7
二、四川省城镇生活污水处理厂运行考核评价表_第2页
2/7
二、四川省城镇生活污水处理厂运行考核评价表_第3页
3/7
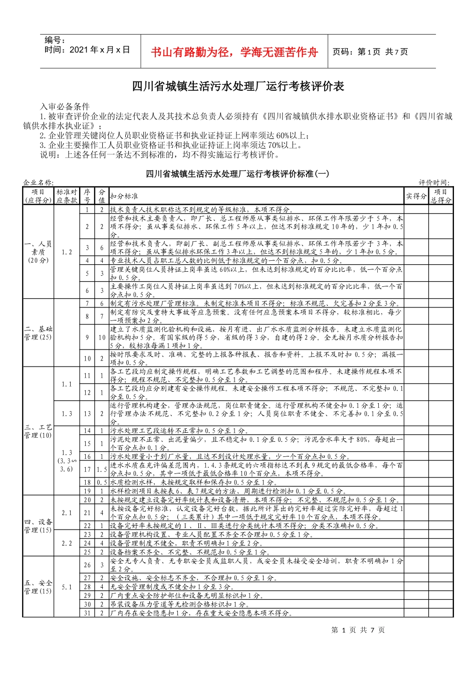
第1页共7页编号:时间:2021年x月x日书山有路勤为径,学海无涯苦作舟页码:第1页共7页四川省城镇生活污水处理厂运行考核评价表入审必备条件1.被审查评价企业的法定代表人及其技术总负责人必须持有《四川省城镇供水排水职业资格证书》和《四川省城镇供水排水执业证》;2.企业管理关键岗位人员职业资格证书和执业证持证上网率须达60%以上;3.企业主要操作工人员职业资格证书和执业证持证上岗率须达70%以上。说明:上述各任何一条达不到标准的,均不得实施运行考核评价。四川省城镇生活污水处理厂运行考核评价标准(一)企业名称:评价时间:项目(应得分)标准对应条款序号分值扣分标准实得分项目总得分一、人员素质(20分)1.212技术负责人技术职称达不到规定的等级标准,本项不得分。22经营和技术主要负责人,即厂长、总工程师原从事类似排水、环保工作年限若少于5年,本项不得分;虽从事类似排水、环保工作5年以上,但达不到标准规定10年的,少1年扣0.5分。36经营和技术负责人,即副厂长、副总工程师原从事类似排水、环保工作年限若少于3年,本项不得分;虽从事类似排水环保工作3年以上,但达不到标准规定5年的,少1年扣0.5分。44专业技术人员占职工总人数的比例低于标准规定的一个百分点,扣0.5分。53管理关键岗位人员持证上岗率虽达60%以上,但未达到标准规定的百分比比率,低一个百分点扣0.5分。63主要操作工岗位人员持证上岗率虽达到70%以上,但未达到标准规定的百分比比率,低一个百分点扣0.5分。二、基础管理(25)76制定有污水处理厂管理标准。未制定标准本项目不得分;标准不规范、欠完善扣2分至3分。87制定有防灾及重特大事故等应急预案。没有任何应急预案本项目不得分,较标准相比,每少一项预案扣2分。910建立了水质监测化验机构和设施,按月有进、出厂水水质监测分析报告。未建立水质监测化验机构扣5分。有国家级的得5分,省级的得3分,自建的得2分。全无按月水质分析报告扣5分,较标准每漏1项扣1分。102按时限要求及时、准确、完整的上报各种报表、报告和资料。上报不及时扣0.5分;漏报一项扣0.5分。三、工艺管理(10)1.1111各工艺段均应制定操作规程,明确工艺参数和工艺调整的范围和程序。未建操作规程本项不得分;规程不规范、不完整扣0.5分至1分。121各工艺段均应分别建有安全操作规程。未建安全操作工程本项不得分;不规范、不完整扣0.1分至0.5分。1.3132运行管理机构建全,管理办法规范,岗位职责健全。运行管理机构不健全扣0.1分至1分;运行管理办法不规范、不完整扣0.2分至1分;人员岗位职责不健全、不完善扣0.1分至0.5分。1.3(3.3∽3.6)141污水处理工艺段运转不正常扣0.5分至1分。151污泥处理不正常、出泥量偏少,且不稳定扣0.1分至0.5分;污泥含水率大于80%,每超出一个百分点扣0.1分。161污水处理量小于到厂水量,且达不到设计处理水量,少一个百分点扣0.5分。171.5进水水质在充许偏差范围内,1.4.3条规定的六项指标达不到表9规定的最低合格率,每个百分点扣0.5分,其中一项低于最低合格率10个百分点,本项不得分。180.5水质检测水样,未按规定取样和保存扣0.5分至1分。191水样检测项目未按表6、表7规定的方法、周期进行检测扣0.1分至0.5分。四、设备管理(15)2.1202未按规定建立设备完好率统计表和设备清册,本项不得分;不完整、不规范扣0.5分至1分。214未按设备完好标准,认定设备完好台数,据此所计算出的完好率超过实际完好率,每超过1个百分点扣0.5分;(三类累计)其中一项低于规定完好率10个百分点,本项不得分。221设备完好率未按规定的Ⅰ、Ⅱ、Ⅲ类进行分类统计本项不得分;分类不准确扣0.5分。2.2232设备管理机构设置、专业人员配置不齐全不合理扣0.5分至1分。244设备管理制度不健全,职责不明确扣1分至2分。252设备档案不齐全、不完整、不规范扣0.5分至1分。五、安全管理(15)5.1263安全无专人负责、无专职安全员或监职人员,或安全员未接受安全培训,职责不明确扣1分至2分。272安全设施、安全标志不齐全,不合理扣0.5分至1分。284无安全管理制度或不健全扣1分至3分。292厂内重点安全防护部位和设备无明显标识扣1分。302吊装设备压力管道等无检测合格标...

1、当您付费下载文档后,您只拥有了使用权限,并不意味着购买了版权,文档只能用于自身使用,不得用于其他商业用途(如 [转卖]进行直接盈利或[编辑后售卖]进行间接盈利)。
2、本站所有内容均由合作方或网友上传,本站不对文档的完整性、权威性及其观点立场正确性做任何保证或承诺!文档内容仅供研究参考,付费前请自行鉴别。
3、如文档内容存在违规,或者侵犯商业秘密、侵犯著作权等,请点击“违规举报”。

碎片内容

二、四川省城镇生活污水处理厂运行考核评价表

确认删除?
VIP
微信客服
  • 扫码咨询
会员Q群
  • 会员专属群点击这里加入QQ群
客服邮箱
回到顶部