电脑桌面
添加小米粒文库到电脑桌面
安装后可以在桌面快捷访问

主体分部工程申请验收报验单VIP免费

主体分部工程申请验收报验单_第1页
1/45
主体分部工程申请验收报验单_第2页
2/45
主体分部工程申请验收报验单_第3页
3/45
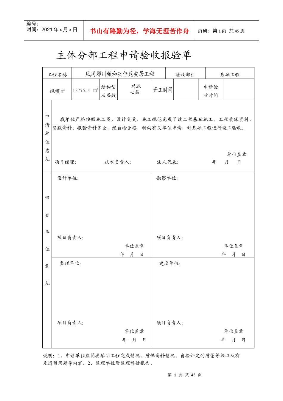
第1页共45页编号:时间:2021年x月x日书山有路勤为径,学海无涯苦作舟页码:第1页共45页主体分部工程申请验收报验单说明:1、申请单位应简要填明工程完成情况、质保资料情况、自检评定的质量等级以及有无遗留问题等内容。2、监理单位附监理评估报告。工程名称凤冈琊川镇和兴佳苑安居工程验收部位基础工程规模m213775.4m2结构型及层数砖混七层开工时间申请验收时间申请单位意见我单位严格按照施工图、设计变更、施工规范完成了该工程基础施工。工程质保资料、隐蔽资料、报验资料齐全,经自检合格,特向有关单位申请,对基础工程进行竣工验收。单位盖章项目经理:技术负责人:法人代表:年月日审查单位意见设计单位:项目负责人:单位盖章年月日勘察单位:项目负责人:单位盖章年月日监理单位:项目负责人:单位盖章年月日建设单位:项目负责人:单位盖章年月日第2页共45页第1页共45页编号:时间:2021年x月x日书山有路勤为径,学海无涯苦作舟页码:第2页共45页主体分部工程申请验收报验单工程名称凤冈琊川镇和兴佳苑安居工程验收部位基础工程工程地址凤冈县琊川镇结构类型、层数砖混七层规模m213775.4m2开工日期2013.4.15完工日期验收日期专家组验收意见(一)工程完成情况:已按设计施工图设计要求及合同约定的内容完成了基础分部场地平整、孔桩土石方开挖、孔桩钢筋制作及安装、混凝土孔桩填芯、基础地梁的模板制作安装、钢筋制作安装、混凝土浇筑、基础土方回填等分项工程,工程质量均符合验收规范要求并达到验收条件。工程资料情况:真实、同步、齐全、规范。工程实体质量情况:工程实体质量良好,无明显质量缺陷。第3页共45页第2页共45页编号:时间:2021年x月x日书山有路勤为径,学海无涯苦作舟页码:第3页共45页专家组验收意见(二)综合质量评定:存在的问题及整改意见:专家组成员签名:施工单位:章年月日勘察单位:章年月日设计单位:章年月日建设单位:章年月日监理单位:章年月日质监站监督意见:章第4页共45页第3页共45页编号:时间:2021年x月x日书山有路勤为径,学海无涯苦作舟页码:第4页共45页年月日凤冈琊川镇和兴佳苑安居工程验收人员签到表姓名单位职务或职称第5页共45页第4页共45页编号:时间:2021年x月x日书山有路勤为径,学海无涯苦作舟页码:第5页共45页年月日凤冈县琊川镇和兴佳苑主体分部工程检查报告重庆建工集团股份有限公司设计研究院年月日凤冈县琊川镇和兴佳苑安居工程第6页共45页第5页共45页编号:时间:2021年x月x日书山有路勤为径,学海无涯苦作舟页码:第6页共45页主体分部工程质量检查报告单位工程名称凤冈琊川镇和兴佳苑安居工程设计单位名称重庆建工集团股份有限公司设计研究院设计单位地址设计单位邮编联系电话结构类型砖混结构设计合理使用年限50年楼层七层质量验收意见:1、经现场检查,该主体分部工程,层高尺寸、砼、砂浆强度等级满足设计文件要求,同意施工单位自评意见;2、本分部依照国家现行法律法规。设计规范进行设计;3、本分部工程严格按照强制标准条文进行设计;4、本分部工程已按照施工图全面完成。项目负责人:年月日设计单位公章单位法人代表:年月日年月日第7页共45页第6页共45页编号:时间:2021年x月x日书山有路勤为径,学海无涯苦作舟页码:第7页共45页凤岗县琊川镇和兴佳苑基础主体工程质量验收报告凤冈县荣德房产开发有限公司年月日凤冈县琊川镇和兴佳苑主体分部工程验收报告一、工程概况第8页共45页第7页共45页编号:时间:2021年x月x日书山有路勤为径,学海无涯苦作舟页码:第8页共45页工程名称:凤冈琊川镇和兴佳苑安居工程工程地点:凤冈琊川镇建设单位:凤冈县荣德房产开发有限公司质监单位:凤冈县建设工程质量监督站监理单位:重庆华大建设工程监理有限公司施工单位:重庆集才建筑工程有限公司设计单位:重庆建工集团股份有限公司设计研究院勘察单位:深圳市勘察研究院有限公司该工程垫层采用C15,桩C25,地梁C30钢筋混凝土。建筑面积:13775.4m2砖混结构,6F+1F层。二、评论依据1、《建筑工程施工质量验收统一标准》(GB50300-2001);2、《建筑地基基础工程施工质量验收规范》(GB50202-2002);3、《砌体工...

1、当您付费下载文档后,您只拥有了使用权限,并不意味着购买了版权,文档只能用于自身使用,不得用于其他商业用途(如 [转卖]进行直接盈利或[编辑后售卖]进行间接盈利)。
2、本站所有内容均由合作方或网友上传,本站不对文档的完整性、权威性及其观点立场正确性做任何保证或承诺!文档内容仅供研究参考,付费前请自行鉴别。
3、如文档内容存在违规,或者侵犯商业秘密、侵犯著作权等,请点击“违规举报”。

碎片内容

主体分部工程申请验收报验单

您可能关注的文档

确认删除?
VIP
微信客服
  • 扫码咨询
会员Q群
  • 会员专属群点击这里加入QQ群
客服邮箱
回到顶部