电脑桌面
添加小米粒文库到电脑桌面
安装后可以在桌面快捷访问

制造分厂各岗位四不伤害防护卡VIP免费

制造分厂各岗位四不伤害防护卡_第1页
1/41
制造分厂各岗位四不伤害防护卡_第2页
2/41
制造分厂各岗位四不伤害防护卡_第3页
3/41
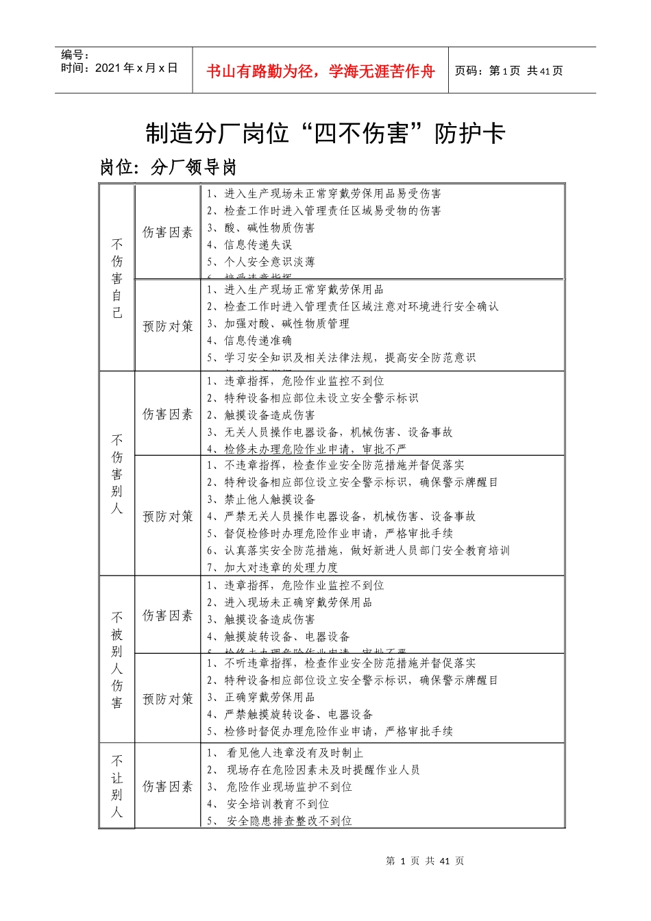
第1页共41页编号:时间:2021年x月x日书山有路勤为径,学海无涯苦作舟页码:第1页共41页制造分厂岗位“四不伤害”防护卡岗位:分厂领导岗不伤害自己伤害因素1、进入生产现场未正常穿戴劳保用品易受伤害2、检查工作时进入管理责任区域易受物的伤害3、酸、碱性物质伤害4、信息传递失误5、个人安全意识淡薄6、接受违章指挥预防对策1、进入生产现场正常穿戴劳保用品2、检查工作时进入管理责任区域注意对环境进行安全确认3、加强对酸、碱性物质管理4、信息传递准确5、学习安全知识及相关法律法规,提高安全防范意识6、拒绝违章指挥不伤害别人伤害因素1、违章指挥,危险作业监控不到位2、特种设备相应部位未设立安全警示标识2、触摸设备造成伤害3、无关人员操作电器设备,机械伤害、设备事故4、检修未办理危险作业申请,审批不严预防对策1、不违章指挥,检查作业安全防范措施并督促落实2、特种设备相应部位设立安全警示标识,确保警示牌醒目3、禁止他人触摸设备4、严禁无关人员操作电器设备,机械伤害、设备事故5、督促检修时办理危险作业申请,严格审批手续6、认真落实安全防范措施,做好新进人员部门安全教育培训7、加大对违章的处理力度不被别人伤害伤害因素1、违章指挥,危险作业监控不到位2、进入现场未正确穿戴劳保用品3、触摸设备造成伤害4、触摸旋转设备、电器设备5、检修未办理危险作业申请,审批不严预防对策1、不听违章指挥,检查作业安全防范措施并督促落实2、特种设备相应部位设立安全警示标识,确保警示牌醒目3、正确穿戴劳保用品4、严禁触摸旋转设备、电器设备5、检修时督促办理危险作业申请,严格审批手续6、认真落实安全防范措施不让别人伤害因素1、看见他人违章没有及时制止2、现场存在危险因素未及时提醒作业人员3、危险作业现场监护不到位4、安全培训教育不到位5、安全隐患排查整改不到位第2页共41页第1页共41页编号:时间:2021年x月x日书山有路勤为径,学海无涯苦作舟页码:第2页共41页伤害别人预防对策1、看见他人违章要立即制止2、现场存在危险因素及时告知作业人员3、严格按照危险作业监护程序监护4、做好员工安全培训教育,提高岗位技能,消除思想隐患5、组织排查安全隐患及时整改到位6、加大安全制度执行力度,坚持安全管理宁左勿右的原则制造分厂岗位“四不伤害”防护卡岗位:分厂安全员岗不伤害自己伤害因素1、进入劳动现场劳保用品不能正确穿戴2、上下楼梯、行走注意力不集中3、触摸设备运转部位,接触带电体4、单独一人进入设备内部5、擅自进入危险区及高温设备内部6、不直接接触接触腐蚀、有毒药品预防对策1、正确穿戴劳保用品2、上下楼梯、行走注意力集中3、不触摸设备运转部位4、不单独一人进入设备内部,按安全操作规程操作5、在未设有防范措施下,不进入危险高温区设备内部6、不直接接触接触腐蚀、有毒药品不伤害别人伤害因素1、不按照操作规程作业2、高处向下抛物3、不检查确认和与有关人员联系,任意启动设备4、违章指挥5、交叉作业不与相关人员联系6、未及时制止违章作业,未做好安全教育培训预防对策1、严格按照操作规程进行作业2、不乱丢抛东西3、启动设备前进行检查确认,并与相关人员联系后,在条件允许情况下方可启动设备4、严格按照作业指导书要求去操作5、在交叉作业时,要与相关人员保持好联系沟通6、及时制止违章作业,做好安全教育培训7、危险作业检查落实安全防护措施不被别人伤害因素1、在设备检修和进入设备内部没有切断电源,没有严格确认2、没有挂警示牌,违章操作3、不熟悉作业现场存在其它专业作业4、违章操作5、未正确穿戴好劳保用品第3页共41页第2页共41页编号:时间:2021年x月x日书山有路勤为径,学海无涯苦作舟页码:第3页共41页伤害预防对策1、进入设备内必须断电且有两人以上人员在场,并严格确认2、挂上“禁止和闸”,杜绝违章指挥、违章操作3、了解自己作业现场的作业环境,并保持好与相关人员的联系、沟通4、杜绝违章指挥,遵章作业5、正确穿戴好劳保用品不让别人伤害别人伤害因素1、看见他人违章没有及时制止2、现场存在危险因素未及时提醒作业人员3、危险作业现场监护不到位4、安全培训教育不到位5、安全隐患排查整...

1、当您付费下载文档后,您只拥有了使用权限,并不意味着购买了版权,文档只能用于自身使用,不得用于其他商业用途(如 [转卖]进行直接盈利或[编辑后售卖]进行间接盈利)。
2、本站所有内容均由合作方或网友上传,本站不对文档的完整性、权威性及其观点立场正确性做任何保证或承诺!文档内容仅供研究参考,付费前请自行鉴别。
3、如文档内容存在违规,或者侵犯商业秘密、侵犯著作权等,请点击“违规举报”。

碎片内容

制造分厂各岗位四不伤害防护卡

确认删除?
VIP
微信客服
  • 扫码咨询
会员Q群
  • 会员专属群点击这里加入QQ群
客服邮箱
回到顶部