电脑桌面
添加小米粒文库到电脑桌面
安装后可以在桌面快捷访问

二类汽车维修许可申请表VIP免费

二类汽车维修许可申请表_第1页
1/9
二类汽车维修许可申请表_第2页
2/9
二类汽车维修许可申请表_第3页
3/9
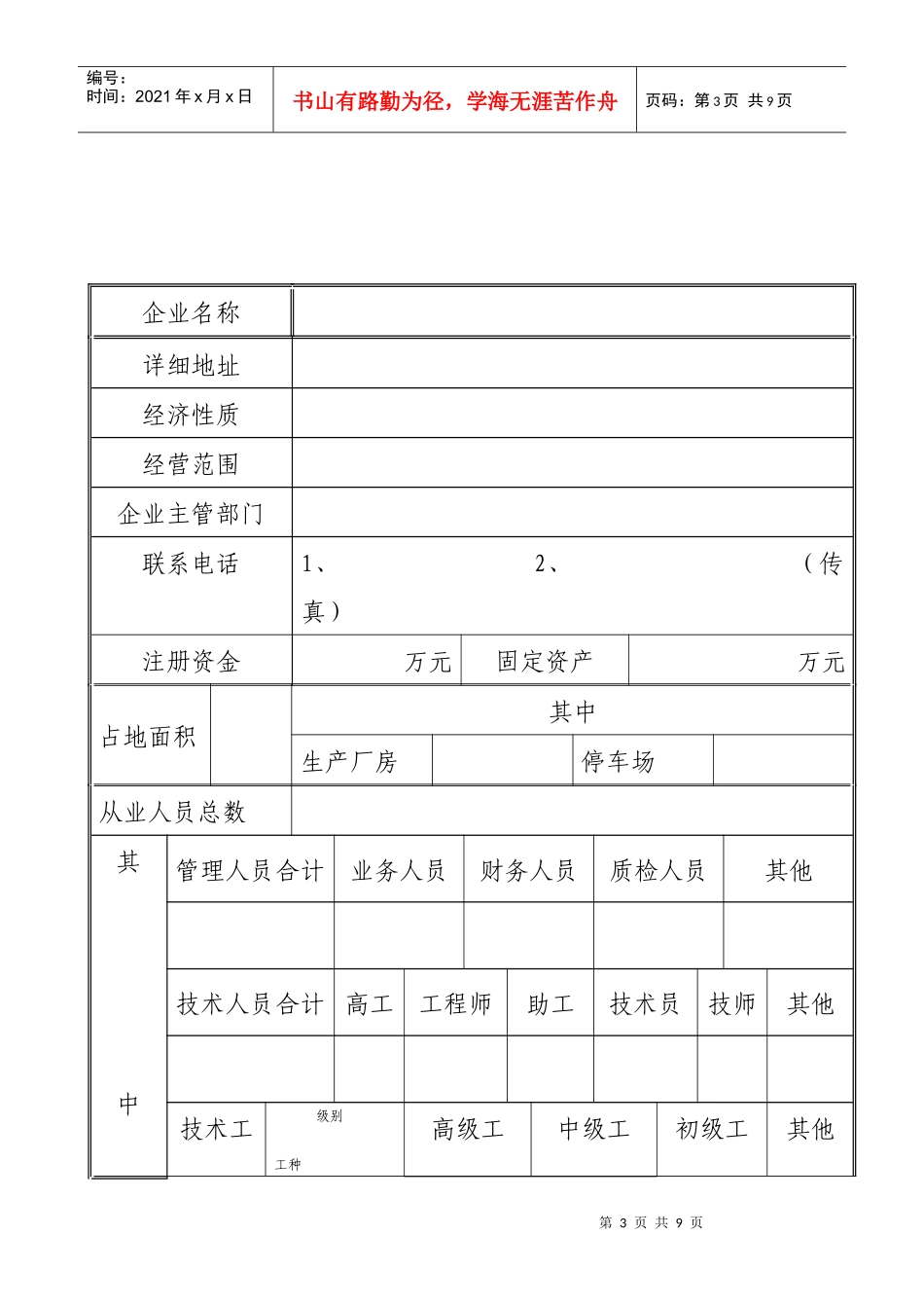
第1页共9页编号:时间:2021年x月x日书山有路勤为径,学海无涯苦作舟页码:第1页共9页编号济南市汽车维修行业二类汽车维修许可申请表企业名称:企业负责人:企业地址:联系电话:邮政编码:填写时间年月日第2页共9页第1页共9页编号:时间:2021年x月x日书山有路勤为径,学海无涯苦作舟页码:第2页共9页济南市交通局汽车维修行业管理处监制填表说明1.本表一律用钢笔认真填写、字迹工整。2.占地面积:指实际占用的土地面积总数、包括从外单位租入或借入的土地面积。3.从业人数合计:本企业从事汽车维修的全部工人数(注:与汽车维修业无关的人员如运输、搬运、商店等不予列入)。4.技术人员:指有技术证书的职工。5.主要生产设备、维修检测设备指列入本单位固定资产并有设备登记台帐。第3页共9页第2页共9页编号:时间:2021年x月x日书山有路勤为径,学海无涯苦作舟页码:第3页共9页企业名称详细地址经济性质经营范围企业主管部门联系电话1、2、(传真)注册资金万元固定资产万元占地面积其中生产厂房停车场从业人员总数其中管理人员合计业务人员财务人员质检人员其他技术人员合计高工工程师助工技术员技师其他技术工级别工种高级工中级工初级工其他第4页共9页第3页共9页编号:时间:2021年x月x日书山有路勤为径,学海无涯苦作舟页码:第4页共9页人合计修理工汽车电工钣金工漆工其他企业主要从业人员姓名性别年龄职务职称证书号备注第5页共9页第4页共9页编号:时间:2021年x月x日书山有路勤为径,学海无涯苦作舟页码:第5页共9页注:本表指各企业主要经营管理人员、技术人员、质检人员、财务人员。主要安全消防环保设备设施设备、设施名称数量规格型号企业主要管理管理制度名称检查情况第6页共9页第5页共9页编号:时间:2021年x月x日书山有路勤为径,学海无涯苦作舟页码:第6页共9页制度主要技术文件及资料技术文件及资料名称检查情况维修企业设备明细表清洁设备设备名称单位数量规格型号自查审查结果汽车外部清洗设备台零件清洗设备台补给、润滑、紧固设备举升设备或地沟台机油加注器台齿轮油加注器台润滑脂加注器个各种工作介质加注器个轮胎螺母拆装机或专用拆装工具台悬架弹簧螺栓螺母拆装机或专用拆装工具台试验、检测与诊断设备发动机综合检测仪台气缸漏气量检测仪台曲轴箱窜气测量仪台润滑油质量检测仪台润滑油分析仪台工业纤维内窥镜台电器试验台台废气分析仪(汽)台烟度计(柴)台第7页共9页第6页共9页编号:时间:2021年x月x日书山有路勤为径,学海无涯苦作舟页码:第7页共9页声级计台汽油泵、化油器试验设备(汽)台喷油泵、喷油器试验设备(柴)台电控汽油喷射系统检测设备台无损探伤设备台转向盘转动量检测仪台车轮动平衡机台转向轮定位仪台侧滑试验台台制动检测设备(外)台前照灯检测设备(外)台车速表验台(外)台专用设备磨气门机台气门座铣削及气门与气门座研磨设备或工具台充电机台喷烤漆房(轿车)或喷漆设备台制动鼓或制动盘修理设备台制动蹄摩擦片或制动块摩擦块修理设备台轮胎轮辋拆装设备维修企业设备明细表通用设备设备名称单位数量规格型号自查审查结果钻床台电焊设备套氧—乙炔焊设备套钎焊设备台液压或机械压力机台空气压缩机台砂轮机台钳工工作台及设备台量具外径千分尺套游标卡尺套内径百分表、内径千分表套百分表只平尺只平板只前束尺只厚薄规只第8页共9页第7页共9页编号:时间:2021年x月x日书山有路勤为径,学海无涯苦作舟页码:第8页共9页量杯只计量仪器仪表万用电表只电解液比重计只高频放电叉只转速表只轮胎气压表只气缸压力表只发动机检测专用真空表只温度计只主要手工具千斤顶只扭力扳手只各种扳手只手电钻只各种拉压器套各种手动铰刀套其它维修检测设备业户自查鉴定年月日现场审年月日第9页共9页第8页共9页编号:时间:2021年x月x日书山有路勤为径,学海无涯苦作舟页码:第9页共9页查小组意见维管部门审批意见年月日

1、当您付费下载文档后,您只拥有了使用权限,并不意味着购买了版权,文档只能用于自身使用,不得用于其他商业用途(如 [转卖]进行直接盈利或[编辑后售卖]进行间接盈利)。
2、本站所有内容均由合作方或网友上传,本站不对文档的完整性、权威性及其观点立场正确性做任何保证或承诺!文档内容仅供研究参考,付费前请自行鉴别。
3、如文档内容存在违规,或者侵犯商业秘密、侵犯著作权等,请点击“违规举报”。

碎片内容

二类汽车维修许可申请表

您可能关注的文档

确认删除?
VIP
微信客服
  • 扫码咨询
会员Q群
  • 会员专属群点击这里加入QQ群
客服邮箱
回到顶部