电脑桌面
添加小米粒文库到电脑桌面
安装后可以在桌面快捷访问

人事考核制度(一)VIP免费

人事考核制度(一)_第1页
1/8
人事考核制度(一)_第2页
2/8
人事考核制度(一)_第3页
3/8
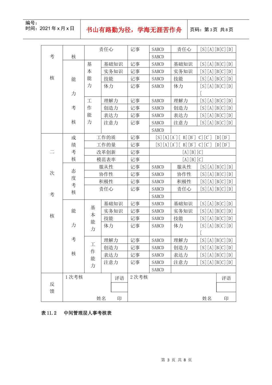
第1页共8页编号:时间:2021年x月x日书山有路勤为径,学海无涯苦作舟页码:第1页共8页人事考核制度(一)□总则第一条目的(一)本规定旨在长期、稳定、统一和规范地推行人事考核工作。(二)本规定的目的,是要通过对职工在一定时期内所表现出来的工作业务能力,以及努力程度的评价,找出并确定人才开发的方针、政策,改善原有的教育培训工作,进而促进人事管理工作的公正和民主,提高工作热情和带动生产率。第二条人事考核的用途人事考核的评定结果,将用于以下诸方面。(一)教育培训,自我开发。(二)合理配置人员。(三)晋升、提薪。(四)奖励。第三条适用范围本规定适用者范围是“就业规则”第三条所规定的职工。然而,下列人员除外:(一)兼职、特约人员。(二)连续出勤不满6个月者。(三)考核期间休假停职6个月以上者。第四条用语的定义本规定中使用的专用术语定义如下:(一)人事考核——为了实现第一条规定的目的,以客观的事实为依据,对成绩、能力和努力程度,进行有组织的观察、分析、评价及其程序。(二)成绩考核——对职工分担的职务情况、工作完成情况进行观察、分析和评价。(三)态度考核——对职工在职务工作中表现出来的工作态度进行观察、分析和评价。(四)能力考核——通过职务工作行为,观察、分析和评价职工具有的能力。(五)考核者——人事考核工作的执行人员。(六)被考核者——接受人事考核者。(七)考核执行机构——负责人事考核有关事务的机构。□考核计划与执行第五条考核执行机构由总务部负责人事考核的计划与执行事务。第六条考核者训练(一)为了使人事考核统一、合乎实际,需要进行考核者训练工作。(二)考核者训练按照要求制定训练计划,予以实施。第七条考核者的原则立场为了使人事考核能公正合理地进行,考核者必须遵守下列各原则:(一)必须根据日常业务工作中观察到的具体事实作出评价。(二)必须消除对被考核者的好恶感、同情心等偏见,排除对上、对下的各种顾虑,在第2页共8页第1页共8页编号:时间:2021年x月x日书山有路勤为径,学海无涯苦作舟页码:第2页共8页自己的信念基础上作出评价。(三)不对考核期外、以及职务工作以外的事实和行为进行评价。(四)考核者应该依据自己得出的评价结论,对被考核者进行扬长补短的指导教育。□考核的分类第八条人事考核的分类人事考核对被考核人员的分类如下。(一)E(Extra临时工阶层)——临时工。(二)J(Junior作业层)——Ⅰ.Ⅱ.Ⅲ.Ⅳ级职工。(三)S(Senior中间管理层)——Ⅴ.Ⅵ.Ⅶ级职工。(四)M(Management经营决策层)——Ⅷ.Ⅸ.Ⅹ.Ⅺ级职工。第九条考核的等级(一)S——出色、不可挑剔(超群级)。(二)A——满意、不负众望(优秀级)。(三)B——称职、令人安心(较好级)。(四)C——有问题、需要注意(较差级)。(五)D——危险、勉强维持(很差级)。第十条人事考核表人事考核表,按上述人员分类,分为《作业层人事考核表》(见表11.1),《中间管理层人事考核表》(见表11.2)、《经营决策层人事考核表》(见表11.3)。表11.1作业层人事考核表一次成绩考核工作的质记事[S][A][A¹][B][B¹][C][C¹][D][D¹]工作的量记事[S][A][A¹][B][B¹][C][C¹][D][D¹]改革创新记事[A][B][C]模范表率记事[A][B][C]态度考服从性记事SABCD服从性[S][A][B[C][D]协作性记事SABCD协作性[S][A][B[C][D]积极性记事SABCD积极性[S][A][B[C][D]成绩态度能力所属职工代码[0][2][3][4][5][6][7][8][9][0][2][3][4][5][6][7][8][9][0][2][3][4][5][6][7][8][9][0][2][3][4][5][6][7][8][9][0][2][3][4][5][6][7][8][9]职工代码姓名等级考核年月第3页共8页第2页共8页编号:时间:2021年x月x日书山有路勤为径,学海无涯苦作舟页码:第3页共8页考核核责任心记事SABCD责任心[S][A][B[C][D]SABCD能力考核基本能力基础知识记事SABCD基础知识[S][A][B[C][D]实务知识记事SABCD实务知识[S][A][B[C][D]技能记事SABCD技能[S][A][B[C][D]体力记事SABCD体力[S][A][B[C][D][工作能力理解力记事SABCD理解力[S][A][B[C][D]创造力记事SABCD创造力[S][A][B[C][D]表达力记事SABCD表达力[S][A][B[C][D]注意力记事SABCD注意力[S][A][B[C][D]SABCD二次考核成绩考核工作的质记事[S][A][A¹][B][B...

1、当您付费下载文档后,您只拥有了使用权限,并不意味着购买了版权,文档只能用于自身使用,不得用于其他商业用途(如 [转卖]进行直接盈利或[编辑后售卖]进行间接盈利)。
2、本站所有内容均由合作方或网友上传,本站不对文档的完整性、权威性及其观点立场正确性做任何保证或承诺!文档内容仅供研究参考,付费前请自行鉴别。
3、如文档内容存在违规,或者侵犯商业秘密、侵犯著作权等,请点击“违规举报”。

碎片内容

人事考核制度(一)

确认删除?
VIP
微信客服
  • 扫码咨询
会员Q群
  • 会员专属群点击这里加入QQ群
客服邮箱
回到顶部