电脑桌面
添加小米粒文库到电脑桌面
安装后可以在桌面快捷访问

人力资源-2022CFG桩竣工资料VIP免费

人力资源-2022CFG桩竣工资料_第1页
1/68
人力资源-2022CFG桩竣工资料_第2页
2/68
人力资源-2022CFG桩竣工资料_第3页
3/68
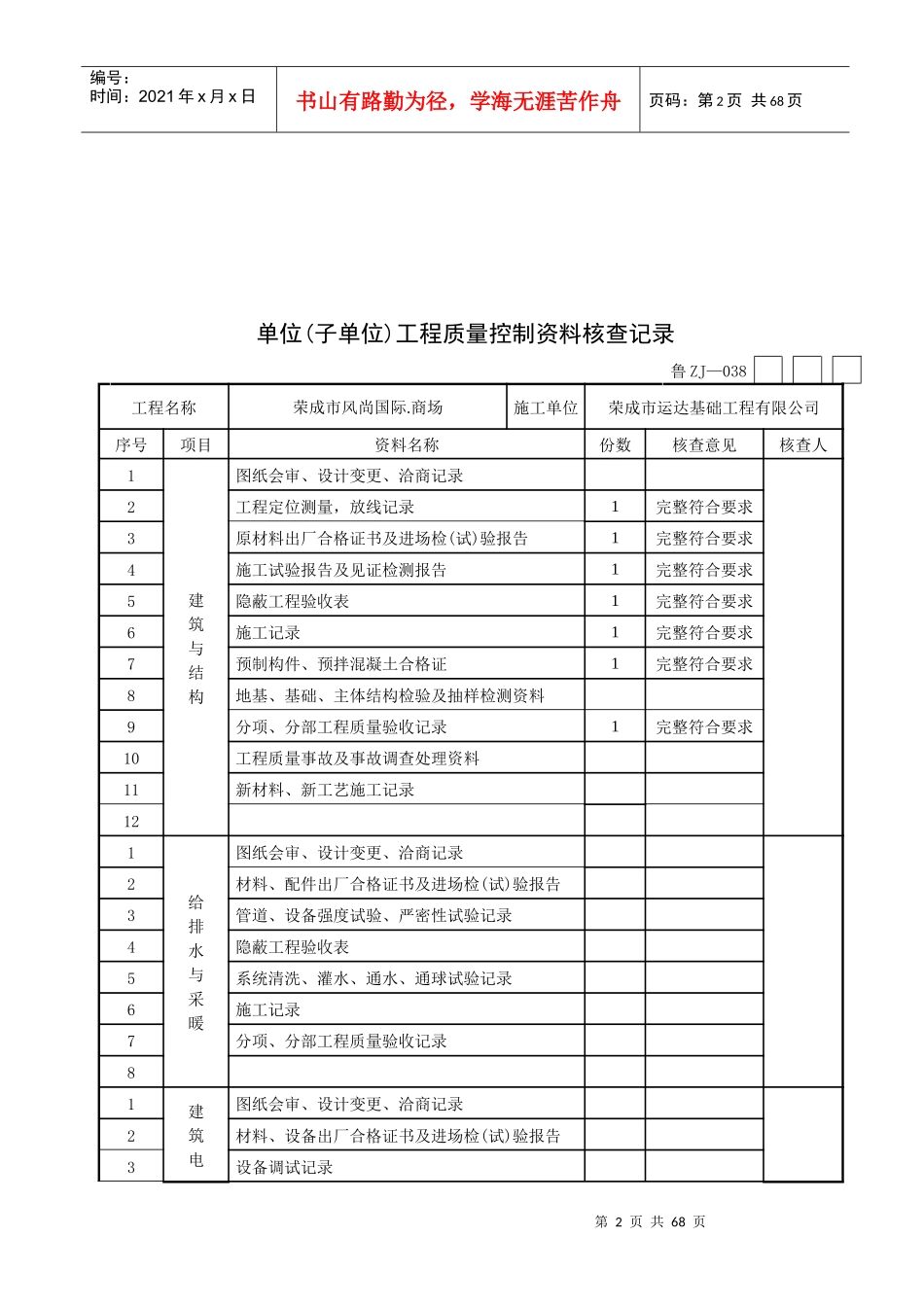
第1页共68页编号:时间:2021年x月x日书山有路勤为径,学海无涯苦作舟页码:第1页共68页桩基工程施工技术及质量验收资料工程名称荣成市风尚国际.商场建设单位荣成市恒信置业有限公司监理单位荣成博实建设监理有限公司施工单位荣成市运达基础工程有限公司编制人王淼竣工日期2011年07月15日第2页共68页第1页共68页编号:时间:2021年x月x日书山有路勤为径,学海无涯苦作舟页码:第2页共68页单位(子单位)工程质量控制资料核查记录鲁ZJ—038工程名称荣成市风尚国际.商场施工单位荣成市运达基础工程有限公司序号项目资料名称份数核查意见核查人1建筑与结构图纸会审、设计变更、洽商记录2工程定位测量,放线记录1完整符合要求3原材料出厂合格证书及进场检(试)验报告1完整符合要求4施工试验报告及见证检测报告1完整符合要求5隐蔽工程验收表1完整符合要求6施工记录1完整符合要求7预制构件、预拌混凝土合格证1完整符合要求8地基、基础、主体结构检验及抽样检测资料9分项、分部工程质量验收记录1完整符合要求10工程质量事故及事故调查处理资料11新材料、新工艺施工记录121给排水与采暖图纸会审、设计变更、洽商记录2材料、配件出厂合格证书及进场检(试)验报告3管道、设备强度试验、严密性试验记录4隐蔽工程验收表5系统清洗、灌水、通水、通球试验记录6施工记录7分项、分部工程质量验收记录81建筑电图纸会审、设计变更、洽商记录2材料、设备出厂合格证书及进场检(试)验报告3设备调试记录第3页共68页第2页共68页编号:时间:2021年x月x日书山有路勤为径,学海无涯苦作舟页码:第3页共68页气4接地、绝缘电阻测试记录5隐蔽工程验收表6施工记录7分项、分部工程质量验收记录8山东省建设工程质量监督总站监制目录一、企业法人营业执照、企业资质等级证二、施工单位质量保证体系报告表三、施工组织设计四、测量放线记录五、开工报告六、设计变更第4页共68页第3页共68页编号:时间:2021年x月x日书山有路勤为径,学海无涯苦作舟页码:第4页共68页七、施工技术交底八、材料合格证试(检)验报告九、隐蔽工程施工记录十、混凝土施工记录十一、工程检验批质量验收记录十二、桩基施工记录十三、竣工平面图十四、竣工报告第5页共68页第4页共68页编号:时间:2021年x月x日书山有路勤为径,学海无涯苦作舟页码:第5页共68页企业法人营业执照企业资质等级证荣成市运达基础工程有限公司第6页共68页第5页共68页编号:时间:2021年x月x日书山有路勤为径,学海无涯苦作舟页码:第6页共68页施工单位质量保证体系报告表第7页共68页第6页共68页编号:时间:2021年x月x日书山有路勤为径,学海无涯苦作舟页码:第7页共68页荣成市运达基础工程有限公司施工单位质量保证体系表质检1-7工程名称荣成市风尚国际.商场施工单位荣成市运达基础工程有限公司职务姓名专业技术职称证书编号项目经理王淼工程师1118789技术负责人王运国注册岩土工程师AY063700045专职质检员宋春利150301417第8页共68页第7页共68页编号:时间:2021年x月x日书山有路勤为径,学海无涯苦作舟页码:第8页共68页见附页:施工组织机构框图总经理施工单位(公章):项目经理:日期:2011年06月08日桩基工程概况鲁ZJ—001工程名称荣成市风尚国际.商场工程地址荣成市小孙家村结构形式/层数框架/结构建筑面积23000㎡电工操作班安全员电焊班技术员质检员材料员项目经理技术负责人第9页共68页第8页共68页编号:时间:2021年x月x日书山有路勤为径,学海无涯苦作舟页码:第9页共68页建设单位荣成市恒信置业有限公司项目负责人设计单位山东圣凯建筑设计咨询有限公司资质等级乙项目负责人勘察单位山东省鲁南地质工程勘察院资质等级乙项目负责人监理单位荣成博实建设监理有限公司资质等级总监理工程师桩基施工单位荣成市运达基础工程有限公司资质等级三项目经理人王淼开工日期2011年06月11日竣工日期2011年07月15日桩基类型长螺旋钻孔灌注CFG桩桩数772支桩径500㎜桩长12.0~16.5米左右桩基检测单位荣成市建设工程质量检测站验收日期山东省建设工程质量监督总站监制施工现场质量管理检查记录鲁ZJ—002工程名称荣成市风尚国际.商场规划、施工许可证第10页共68页第9页共68...

1、当您付费下载文档后,您只拥有了使用权限,并不意味着购买了版权,文档只能用于自身使用,不得用于其他商业用途(如 [转卖]进行直接盈利或[编辑后售卖]进行间接盈利)。
2、本站所有内容均由合作方或网友上传,本站不对文档的完整性、权威性及其观点立场正确性做任何保证或承诺!文档内容仅供研究参考,付费前请自行鉴别。
3、如文档内容存在违规,或者侵犯商业秘密、侵犯著作权等,请点击“违规举报”。

碎片内容

人力资源-2022CFG桩竣工资料

您可能关注的文档

确认删除?
VIP
微信客服
  • 扫码咨询
会员Q群
  • 会员专属群点击这里加入QQ群
客服邮箱
回到顶部