电脑桌面
添加小米粒文库到电脑桌面
安装后可以在桌面快捷访问

钢筋工程施工方案培训资料(doc 60页)VIP免费

钢筋工程施工方案培训资料(doc 60页)_第1页
1/57
钢筋工程施工方案培训资料(doc 60页)_第2页
2/57
钢筋工程施工方案培训资料(doc 60页)_第3页
3/57
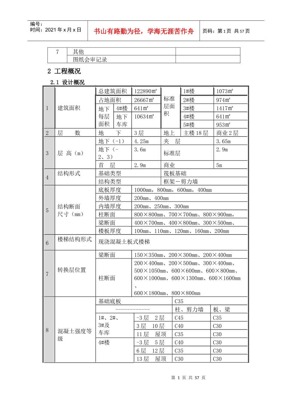
大红门西路16号项目钢筋工程施工方案目录1编制依据..........................................................12工程概况..........................................................22.1设计概况....................................................22.2设计图......................................................33施工安排........................................................103.1施工部位及工期要求.........................................103.2劳动组织及责任分工.........................................104施工准备........................................................124.1技术准备...................................................124.2机具准备...................................................134.3材料准备...................................................135主要施工方法及措施..............................................155.1流水段的划分...............................................155.2钢筋加工...................................................175.3钢筋的焊接.................................................255.4钢筋的绑扎.................................................265.5直螺纹机械连接..............................................395.6控制钢筋位移的措施..........................................425.7钢筋的连接.................................................445.8钢筋工程的要求..............................................476质量要求.........................................................516.1允许偏差和检查方法..........................................516.2验收方法...................................................536.3与专业预留、预埋配合.......................................547注意事项........................................................557.1成品保护措施...............................................557.2保证安全措施...............................................56第0页共57页编号:时间:2021年x月x日书山有路勤为径,学海无涯苦作舟页码:第0页共57页1编制依据序号名称编号1大红门西路16号项目结构图纸2大红门西路16号项目施工组织设计3有关规程、规范混凝土结构工程施工质量验收规范2011年GB50204-2002钢筋机械连接通用技术规程JGJ107-2010钢筋混凝土用热扎带肋钢筋GB1499-2007建筑工程资料管理规程DBJ01-51-2003建筑结构长城杯工程质量评审标准DBJ/T01-69-2003建筑安装分项工程施工工艺规程DBJ/T01-26-2003建筑工程冬期施工规程JGJ104-20114有关标准钢筋焊接接头试验方法标准JGJ/T27-2001建筑工程施工质量验收统一标准GB50300-2001钢筋机械连接通用技术规程JGJ107-2010建筑工程冬期施工规程JGJ104-2011结构长城杯工程质量评审标准DBJ01-69-20035有关图集混凝土结构施工图平面表示方法绘制规则和构造详图11G101-1建筑物抗震构造详图11G329-1钢筋混凝土过梁图集6有关法规中华人民共和国安全生产法建设工程安全生产管理条例国家工程质量管理条例国务院令279号建设部《房屋建筑工程和市政基础设施见证取样和送检的规定》建[2000]211号北京市建设工程施工试验实行有见证取样和送检制度的暂行规定京建法〔1997〕172号〔1997〕172号北京市建设工程施工试验实行有见证取样和送检制度的暂行规定的补充通知京建法〔1998〕50号北京市建筑安装工程施工资料管理规定DBJ01-51-2003第1页共57页第0页共57页编号:时间:2021年x月x日书山有路勤为径,学海无涯苦作舟页码:第1页共57页7其他图纸会审记录2工程概况2.1设计概况1建筑面积总建筑面积122890㎡标准层面积1#楼1073㎡占地面积26667㎡2#楼974㎡地下每层面积4#楼641㎡3#楼1417㎡地下车库10634㎡4#楼641㎡5#楼953㎡2层数地下3层地上主楼18层商业2层3层高(m)地下(-1)4.25m夹层3.65m地下(-2、3)3.6m标准层2.9m首层2.9m商业5m4结构形式基础类型筏板基础结构类型...

1、当您付费下载文档后,您只拥有了使用权限,并不意味着购买了版权,文档只能用于自身使用,不得用于其他商业用途(如 [转卖]进行直接盈利或[编辑后售卖]进行间接盈利)。
2、本站所有内容均由合作方或网友上传,本站不对文档的完整性、权威性及其观点立场正确性做任何保证或承诺!文档内容仅供研究参考,付费前请自行鉴别。
3、如文档内容存在违规,或者侵犯商业秘密、侵犯著作权等,请点击“违规举报”。

碎片内容

钢筋工程施工方案培训资料(doc 60页)

您可能关注的文档

教育精品店+ 关注
实名认证
内容提供者

优良的服务

确认删除?
VIP
微信客服
  • 扫码咨询
会员Q群
  • 会员专属群点击这里加入QQ群
客服邮箱
回到顶部