电脑桌面
添加小米粒文库到电脑桌面
安装后可以在桌面快捷访问

消防设施设计防火审核申报表VIP专享VIP免费

消防设施设计防火审核申报表_第1页
1/8
消防设施设计防火审核申报表_第2页
2/8
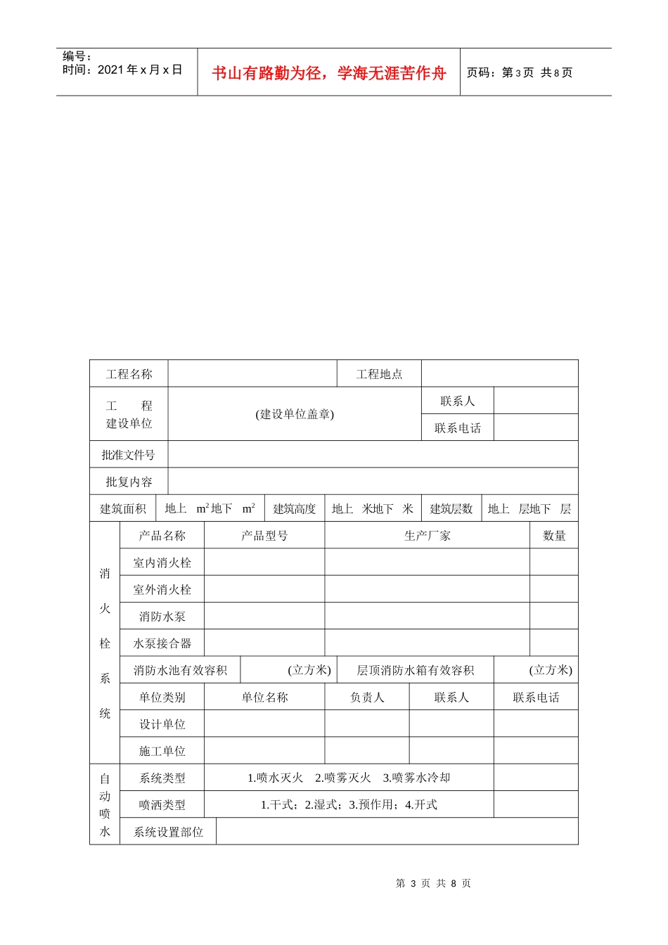
消防设施设计防火审核申报表_第3页
3/8
第1页共8页编号:时间:2021年x月x日书山有路勤为径,学海无涯苦作舟页码:第1页共8页消防设施设计防火审核申报表申报单位(章):申报日期北京市公安局消防局制第2页共8页第1页共8页编号:时间:2021年x月x日书山有路勤为径,学海无涯苦作舟页码:第2页共8页申报所需材料1、规划局审定设计方案通知书或规划意见书(报施工图时附送初步设计的建筑消防设计防火审核意见书)。2、建设单位填写《消防设施设计防火审核申报表》(一式两份)。3、全套正式蓝图装订成册,装入城乡建设档案馆的标准图盒,送审的正式蓝图需有设计单位本年度图纸报审专用章。4、消防设计专篇(文字方式表示)。第3页共8页第2页共8页编号:时间:2021年x月x日书山有路勤为径,学海无涯苦作舟页码:第3页共8页工程名称工程地点工程建设单位(建设单位盖章)联系人联系电话批准文件号批复内容建筑面积地上m2地下m2建筑高度地上米地下米建筑层数地上层地下层消火栓系统产品名称产品型号生产厂家数量室内消火栓室外消火栓消防水泵水泵接合器消防水池有效容积(立方米)层顶消防水箱有效容积(立方米)单位类别单位名称负责人联系人联系电话设计单位施工单位自动喷水系统类型1.喷水灭火2.喷雾灭火3.喷雾水冷却喷洒类型1.干式;2.湿式;3.预作用;4.开式系统设置部位第4页共8页第3页共8页编号:时间:2021年x月x日书山有路勤为径,学海无涯苦作舟页码:第4页共8页灭火系统系统保护面积(平方米)产品名称产品型号生产厂家数量喷洒头报警控制阀水流指示器压力开关水泵稳压器气压水罐火灾自动报警系统系统形式1.区域报警;2.集中报警;3.控制中心报警设置部位产品名称产品型号生产厂家数量集中报警器区域报警器感烟探测器应急广播消防电话警报装置手动按钮其它探测器控制室位置控制面积耐火等级出入口数量(平方米)应有控制功能实有控制功能缺何种控制功能第5页共8页第4页共8页编号:时间:2021年x月x日书山有路勤为径,学海无涯苦作舟页码:第5页共8页单位类别单位名称负责人联系人联系电话设计单位施工单位安全疏散系统产品名称产品型号生产厂家数量疏散指示标志消防电源应急照明消防电梯防火门防火卷帘轻便灭火器材配置表火灾配置场所类别1.A类2.B类3.C类危险等级1.严重危险2.中危险3.轻危险配制场所选择类型1.清水3.干粉4.化学泡沫5.二氧化碳6.其它上述类型的配制部位第6页共8页第5页共8页编号:时间:2021年x月x日书山有路勤为径,学海无涯苦作舟页码:第6页共8页发动机房直燃机房变配电室燃油燃气锅炉房计算机及贵重设备等用房的灭火系统设置消防电水、气等设施所有的管线的材质型号及数量单位类别单位名称负责人联系人联系电话设计单位施工单位气体灭火系1.卤代烷3.氮气2.二氧化碳4.其它系统形式1.全充满2.局部应用保护容积(立方米)设置部位产品名称产品型号生产厂家数量喷头瓶头阀分配阀远程启动装置联动开启装置手动开启装置第7页共8页第6页共8页编号:时间:2021年x月x日书山有路勤为径,学海无涯苦作舟页码:第7页共8页统紧急制动储罐(升/每瓶)单位类别单位名称负责人联系人联系电话设计单位施工单位其它灭火系统系统设置部位系统名称系统类型系统启动方式用量或储量工作压力生产厂家泡沫灭火系统1.抗溶性2.氟蛋白3.高倍4.低倍1.半固定2.移动3.固定(公斤)供给强度其它灭火系统干粉灭火系统1.磷酸二氢氨2.碳酸氢钠3.碳酸氢钾4.尿素1.半自动2.自动3.手动(公斤)供给强度蒸汽灭火系统1.全充满2.半固定3.全充满固定4.固定1.自动2.自动%供给强度其它通风空产品名称产品型号生产厂家数量风机第8页共8页第7页共8页编号:时间:2021年x月x日书山有路勤为径,学海无涯苦作舟页码:第8页共8页调防火阀防烟排烟系统产品名称产品型号生产厂家数量防火阀送风机排烟阀排风机部位防烟楼梯间前室及合用前室走道中庭房间方式1.自然排烟;2.正压送风;3.送风排烟;4.机械排烟;5.通风兼排烟机械排烟送风量(立方米/小时)机械排烟排烟量(立方米/小时)单位类别单位名称负责人联系人联系电话设计单位施工单位

1、当您付费下载文档后,您只拥有了使用权限,并不意味着购买了版权,文档只能用于自身使用,不得用于其他商业用途(如 [转卖]进行直接盈利或[编辑后售卖]进行间接盈利)。
2、本站所有内容均由合作方或网友上传,本站不对文档的完整性、权威性及其观点立场正确性做任何保证或承诺!文档内容仅供研究参考,付费前请自行鉴别。
3、如文档内容存在违规,或者侵犯商业秘密、侵犯著作权等,请点击“违规举报”。

碎片内容

消防设施设计防火审核申报表

确认删除?
VIP
微信客服
  • 扫码咨询
会员Q群
  • 会员专属群点击这里加入QQ群
客服邮箱
回到顶部