电脑桌面
添加小米粒文库到电脑桌面
安装后可以在桌面快捷访问

技术部净化合成岗位说明书VIP免费

技术部净化合成岗位说明书_第1页
1/1
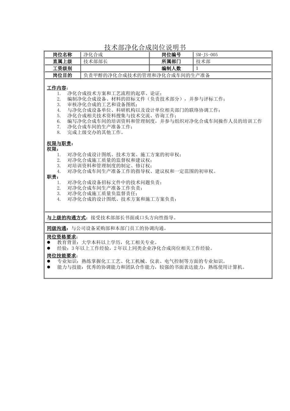
技术部净化合成岗位说明书岗位名称净化合成岗位编号SM-JS-005直属上级技术部部长所属部门技术部工资级别编制人数1岗位目的负责甲醇的净化合成技术的管理和净化合成车间的生产准备工作内容:1.净化合成技术方案和工艺流程的起草、论证;2.编制净化合成设备、材料的招标文件(负责技术部分),并参与评标工作;3.审核净化合成的工艺和设备图纸;4.与净化合成设备单位、科研机构以及设计单位相关部门的联络协调工作;5.净化合成相关技术资料搜集与技术交流、咨询工作;6.编写净化合成车间的培训资料和管理制度,并参与组织对净化合成车间操作人员的培训工作7.净化合成车间的生产准备工作;8.完成上级交办的其他工作。权限与职责:权限:1.对净化合成设计图纸、技术方案、施工方案的初审权;2.对净化合成施工质量的监督权和建议权;3.对培训资料和管理制度的制定、修订权;4.对净化合成车间生产准备工作的指导权、建议权和一定范围的初审权。职责:1.对净化合成设备招标文件中的技术问题负责;2.对净化合成车间生产准备工作负责;3.对净化合成施工质量负监督责任;4.对净化合成的设计图纸、技术方案和施工方案负责;与上级的沟通方式:接受技术部部长书面或口头方向性指导。同级沟通:与公司设备采购部和本部门员工的协调沟通。岗位资格要求:教育背景:大学本科以上学历,化工相关专业。经验:3年以上工作经验,2年以上同类企业净化合成岗位相关工作经验。岗位技能要求:专业知识:熟练掌握化工工艺、化工机械、仪表、电气控制等方面的专业知识。能力与技能:优秀的协调能力和团队合作能力,较强的书面表达能力,熟练使用计算机。

1、当您付费下载文档后,您只拥有了使用权限,并不意味着购买了版权,文档只能用于自身使用,不得用于其他商业用途(如 [转卖]进行直接盈利或[编辑后售卖]进行间接盈利)。
2、本站所有内容均由合作方或网友上传,本站不对文档的完整性、权威性及其观点立场正确性做任何保证或承诺!文档内容仅供研究参考,付费前请自行鉴别。
3、如文档内容存在违规,或者侵犯商业秘密、侵犯著作权等,请点击“违规举报”。

碎片内容

技术部净化合成岗位说明书

确认删除?
VIP
微信客服
  • 扫码咨询
会员Q群
  • 会员专属群点击这里加入QQ群
客服邮箱
回到顶部