电脑桌面
添加小米粒文库到电脑桌面
安装后可以在桌面快捷访问

WLAN上的多媒体业务质量研究VIP专享VIP免费

WLAN上的多媒体业务质量研究_第1页
1/7
WLAN上的多媒体业务质量研究_第2页
2/7
WLAN上的多媒体业务质量研究_第3页
3/7
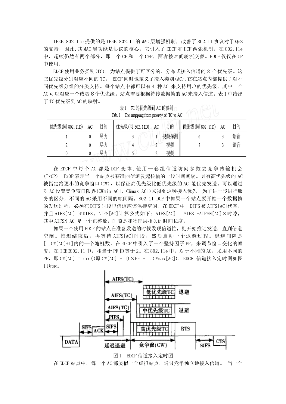
WLAN上的多媒体业务质量研究徐春莹(北京邮电大学北京100876)摘要:随着无线网络的迅速发展,网络上的业务流量与日俱增,如何保证无线局城网实时业务服务质量的问题也越来越突出。本文分别介绍了IEEE802.11中的MAC层协议和802.1le标准中所采纳的改进方式,通过对比分析DFC和EDCF的性能特性,指出了802.11e标准对MAC层所做的改进。关键词:WLAN、802.11、802.11e、DFC、EDFC引言近年来,随着数据业务需求的不断增加,以IEEE802.11协议为基础的无线局域网(WLAN)的研究正逐渐成为人们研究的热点。随着这项技术的普及和其传输速率的不断提高,用户对WLAN中的视频、音频和VoIP等多媒体传输业务提出了要求。这些业务一般都是时间敏感的,WLAN要想成为无线多媒体网络,就必须提供服务质量(QoS)的保证。为此,IEEE成立了802.11e工作组负责802.11WLAN的QoS工作,其目的是通过增强802.11WLAN的MAC协议,扩展对业务的QoS支持,同时提高网络的容量和效率。本文通过研究基于802.11DFC以及802.11eEDFC两种协议上的业务质量,对其建模、仿真,并分析数据结果,体现了802.11e标准对MAC层所做的改进。1IEEE802.11标准1.1802.11分布协调功能DFCIEEE802.11有两种方式,即分布协调功能DCF(DistributedCoordinationFuntion)和点协调功能PCF(PointCoordinationFuntion)。DCF是IEEE802.11最基本的媒体访问方法,用于AdHoc和Infrastructure网络结构中。在DCF模式下,每个移动终端(MT)在发送数据前要先检测信道是否空闲。如果在一个DCF帧间间隔(DIFS)内MT检测到信道空闲,则立即发送数据。如果检测到信道状态为“忙”,MT将会推迟对信道使用权的竞争,一直延迟到现行的传输结束为止。在延迟之后,该MT要经过一个随机退避(backof)时间重新竞争对信道的使用权。随机退避时间的长度是一个时隙(SlotTime)的整数倍。确切地说,就是MT选择了一个介于0和CW之间的随机数。每个MT都维持着这样一个竞争窗(ContentionWindow,CW)来决定本站点在延迟之后必须等待的时间间隔。如果MT在一个SlotTime间隔内检测到信道空闲,退避时间定时器将减小退避时间,退避时间定时器一归零,MT就开始发送数据。成功接收到一帧数据后,接收站点立刻发送一个确认帧(ACK)通知发送端该帧数据发送成功。如果发送失败,则认为发生了冲突。在任意一次传输失败后,CW的尺寸将增加1倍并启动一个新的随机退避规程。该过程将会一直持续下去,直至传输成功或放弃本次传输。1.2IEEE802.11e增强型分布式协调功能EDCFIEEE802.11e提供的是IEEE802.11的MAC层增强机制,改善了802.11协议对于QoS的支持,因此,其MAC层功能是协议的核心。它引入了EDCF和HCF两张机制。在802.1le中,超帧仍然有两个部分,即一个CP和一个CFP,两者按时间轮流交替。EDCF仅仅在CP中使用。EDCF使用业务类别(TC),为站点提供了可区分的、分布式接入信道的8个优先级。这些优先级分别对应不同的TC。EDCF同时也定义了接入类别(AC),它在站点内部提供了对不同优先级分组的分类支持。每个站点中都可以有4种AC来支持用户的优先级。其中一个AC可以对应一个或者多个优先级。站点需要根据待传数据帧的AC来接入信道。表1中给出了TC优先级到AC的映射。在EDCF中每个AC都是DCF变体,使用一套组信道访问参数去竞争传输机会(TxOP)。TxOP表示当一个站点被获准向信道发起传输的一段时间间隔。具有高优先级的AC被指定给更小的竞争窗口(CW),以保证高优先级比低优先级的AC能优先发送。可以通过对AC设置竞争窗口限界(CWmin[AC],CWmax[AC])来得到这种接入优先。为了进一步进行服务的区分,不同的AC采用不同的帧间隔。802.11DCF中如果一个站点要开始一个数据帧的发送过程,必须在DIFS时段里信道应该保持空闲。在EDCF中,DIFS被AIFS[AC]代替,并且AIFS[AC]≥DIFS。AIFS[AC]计算公式如下:AIFS[AC]=SIFS+AIFSN[AC]×时隙,其中AIFSN[AC]是一个正整数,时隙是和物理层相关的时间长度。如果一个使用EDCF的站点在准备发送的时候发现信道忙,则开始推迟发送,直到信道空闲。推迟结束后,再等待AIFS[AC]时段,然后启动一个退避过程。退避间隔是[1,CW[AC]+1]内的一个随机数。在EDCF中引入了一个坚持因子PF,来调节窗...

1、当您付费下载文档后,您只拥有了使用权限,并不意味着购买了版权,文档只能用于自身使用,不得用于其他商业用途(如 [转卖]进行直接盈利或[编辑后售卖]进行间接盈利)。
2、本站所有内容均由合作方或网友上传,本站不对文档的完整性、权威性及其观点立场正确性做任何保证或承诺!文档内容仅供研究参考,付费前请自行鉴别。
3、如文档内容存在违规,或者侵犯商业秘密、侵犯著作权等,请点击“违规举报”。

碎片内容

WLAN上的多媒体业务质量研究

确认删除?
VIP
微信客服
  • 扫码咨询
会员Q群
  • 会员专属群点击这里加入QQ群
客服邮箱
回到顶部