电脑桌面
添加小米粒文库到电脑桌面
安装后可以在桌面快捷访问

料石砌筑施工交底记录VIP免费

料石砌筑施工交底记录_第1页
1/4
料石砌筑施工交底记录_第2页
2/4
料石砌筑施工交底记录_第3页
3/4
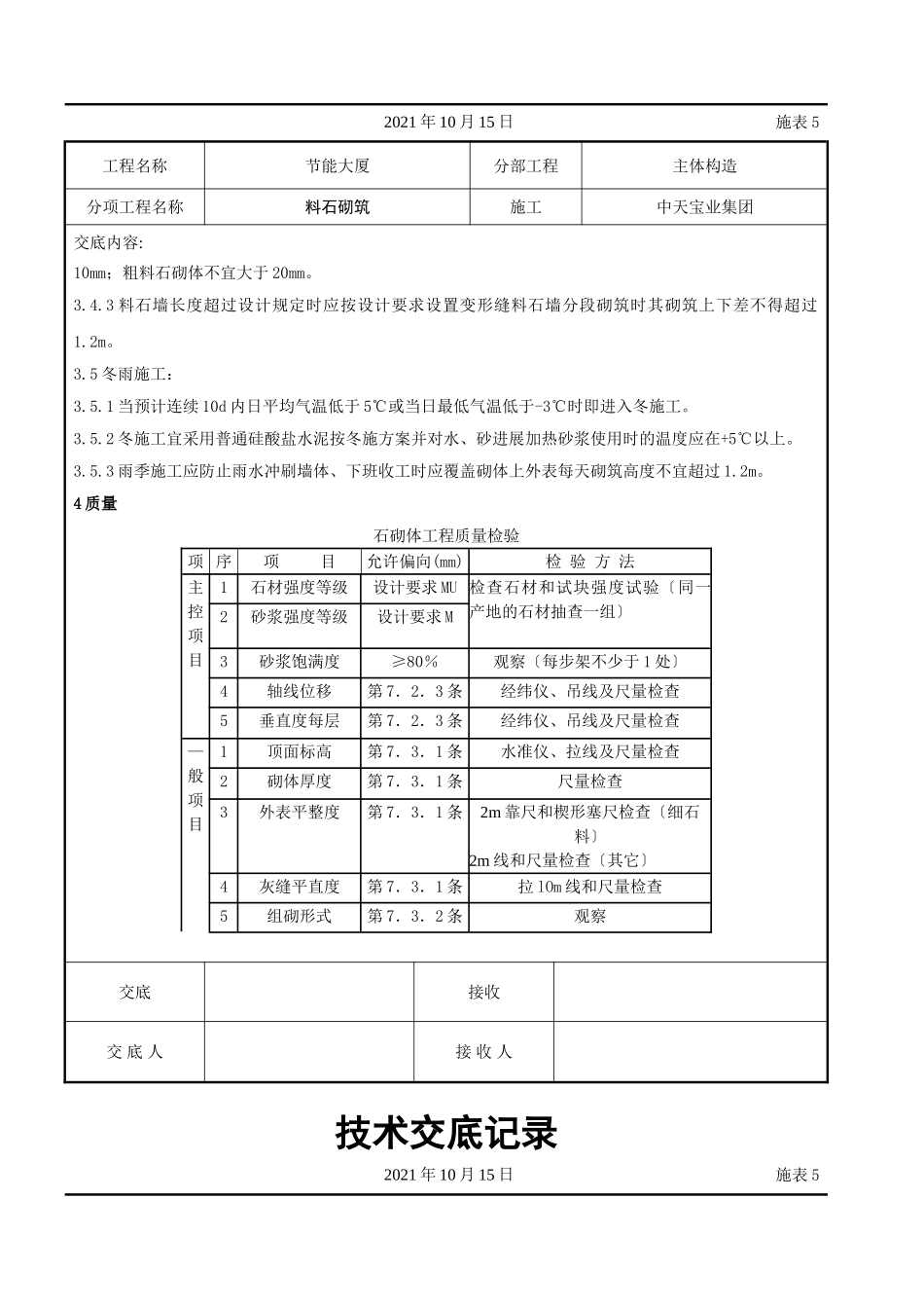
技术交底记录2021年10月15日施表5工程名称节能大厦分部工程主体构造分项工程名称料石砌筑施工中天宝业集团交底内容:1、根据:?建筑工程施工质量验收统一?GB50300-2001?砌体工程施工质量验收?GB50203-2002?砌体构造设计?GB50003-2001〔2002年部分修订〕?建筑地基根底工程施工质量验收?GB50202-2002?砌筑砂浆配合比设计规程?JGJ98-20002、施工准备2.1材料及主要机具:2.1.1石料:其品种、规格、颜色必须符合设计要求和有关施工规格的规定应有出厂合格证。2.1.2砂:宜用粗、中砂。用5mm孔径筛过筛配制小于M5的砂浆砂的含泥量不得超过10;等于或大于M5的砂浆砂的含泥量不得超过5不得含有草根等杂物。2.1.3水泥:一般采用325脑筋渣硅酸盐水泥和普通硅酸盐水泥。有出厂证明入复试单。如出厂日超过三个月应按复验结果使用。2.1.4水:应用自来水或不含有害物质的干净水。2.1.5其它材料:拉结筋预埋件应做好防腐处理。2.1.6主要机具:应备有搅拌机、筛子、铁锹、小手锤、大铲、托线板、线坠、程度尺、钢卷尺、小白线、半截大桶、扫帚、工具袋、手推车、皮数杆等。2.2作业条件:2.2.1根底、垫层已施工完毕并已办完隐检手续。2.2.2根底、垫层外表已弹好轴线及墙身线立好皮数杆其间距约15mm为宜。转角处应设皮数杆皮数杆上应注明砌筑皮数及砌筑高度等。交底接收交底人接收人技术交底记录2021年10月15日施表5工程名称节能大厦分部工程主体构造分项工程名称料石砌筑施工中天宝业集团交底内容:2.2.3砌筑前拉线检查根底、垫层外表标高尺寸是否符合设计要求如第一皮程度灰缝厚度超过20mm时应用细石混凝土找平不得用砂浆掺石子代替。2.2.4砂浆配合比由试验室确定计量设备经检验砂浆试模已经备好。3、操作工艺3.1工艺流程:3.2砌筑前应对弹好的线进展复查位置、尺寸应符合设计要求根据进场石料的规格、尺寸、颜色进展试排、撂底确定组砌。3.3砂浆拌制:3.3.1砂浆配合比应用重量比水泥计量精度在±2以内。3.3.2宜采用机械搅拌投料顺序为砂子→水泥→掺合料→水。搅拌时间不少于90s。3.3.3应随拌随用拌制后应在3h内使用完毕如气温超过30℃应在2h内用完严禁用过砂浆。3.3.4砂浆试块:根底按一个楼层或250m3砌体每台搅拌机做一组试块〔每组6块〕如材料配合比有变更时还应做试块。3.4料石砌筑:3.4.1组砌应正确料石砌体应上、下错缝内外搭砌料石根底第一皮应用丁砌。坐浆砌筑踏步形根底上级料石应压下级料石至少三分之一。3.4.2料石砌体程度灰缝厚度应按料石种类确定细料石砌体不宜大于5mm;半细料石砌体不宜大于交底接收交底人接收人技术交底记录作业准备砌料石试排撂底砂浆搅拌验评2021年10月15日施表5工程名称节能大厦分部工程主体构造分项工程名称料石砌筑施工中天宝业集团交底内容:10mm;粗料石砌体不宜大于20mm。3.4.3料石墙长度超过设计规定时应按设计要求设置变形缝料石墙分段砌筑时其砌筑上下差不得超过1.2m。3.5冬雨施工:3.5.1当预计连续10d内日平均气温低于5℃或当日最低气温低于-3℃时即进入冬施工。3.5.2冬施工宜采用普通硅酸盐水泥按冬施方案并对水、砂进展加热砂浆使用时的温度应在+5℃以上。3.5.3雨季施工应防止雨水冲刷墙体、下班收工时应覆盖砌体上外表每天砌筑高度不宜超过1.2m。4质量石砌体工程质量检验项序项目允许偏向(mm)检验方法主控项目1石材强度等级设计要求MU检查石材和试块强度试验〔同一产地的石材抽查一组〕2砂浆强度等级设计要求M3砂浆饱满度≥80%观察〔每步架不少于1处〕4轴线位移第7.2.3条经纬仪、吊线及尺量检查5垂直度每层第7.2.3条经纬仪、吊线及尺量检查—般项目1顶面标高第7.3.1条水准仪、拉线及尺量检查2砌体厚度第7.3.1条尺量检查3外表平整度第7.3.1条2m靠尺和楔形塞尺检查〔细石料〕2m线和尺量检查〔其它〕4灰缝平直度第7.3.1条拉lOm线和尺量检查5组砌形式第7.3.2条观察交底接收交底人接收人技术交底记录2021年10月15日施表5工程名称节能大厦分部工程主体构造分项工程名称料石砌筑施工中天宝业集团交底内容:5、成品保护5.1料石墙砌筑完后未经有关人员检查验收轴线桩、水准桩、皮数杆应加以保护不得碰坏、撤除。5.2砌体中埋没的构造筋应注意...

1、当您付费下载文档后,您只拥有了使用权限,并不意味着购买了版权,文档只能用于自身使用,不得用于其他商业用途(如 [转卖]进行直接盈利或[编辑后售卖]进行间接盈利)。
2、本站所有内容均由合作方或网友上传,本站不对文档的完整性、权威性及其观点立场正确性做任何保证或承诺!文档内容仅供研究参考,付费前请自行鉴别。
3、如文档内容存在违规,或者侵犯商业秘密、侵犯著作权等,请点击“违规举报”。

碎片内容

料石砌筑施工交底记录

确认删除?
VIP
微信客服
  • 扫码咨询
会员Q群
  • 会员专属群点击这里加入QQ群
客服邮箱
回到顶部