电脑桌面
添加小米粒文库到电脑桌面
安装后可以在桌面快捷访问

钢结构制作、安装、防腐油漆施工方案(总)VIP免费

钢结构制作、安装、防腐油漆施工方案(总)_第1页
1/74
钢结构制作、安装、防腐油漆施工方案(总)_第2页
2/74
钢结构制作、安装、防腐油漆施工方案(总)_第3页
3/74
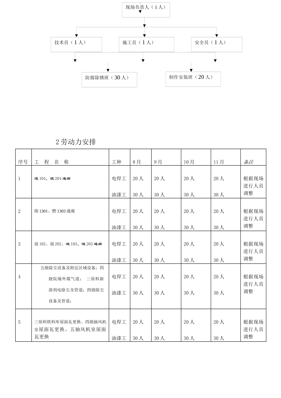
第一章:概述一.工程概况1.概述烧结脱硫区域建(构)筑物防腐处理工程位于四烧厂区内,该工程(根据施工图内容)包括①五烧抽风机屋面瓦更换(拆除)、四烧抽风机室屋面瓦更换、三原料屋面瓦更换(拆除)、熔1301(包括1303、G1304)、原1303(包括燃1306、熔1308)、熔1309(包括燃1307、原1304),、混202通廊、混203通廊、混204通廊、混103通廊混、104通廊、烧-1309通廊、高返-1301通廊等钢结构通廊重新做防腐,通廊增设顶盖:四烧围墙外煤气管道重新做防腐:四烧抽风机进出口段烟道保温等2、具体施工范围及工程量:以设计研究院有限公司设计的四烧脱硫区域建(构)筑物防腐处理施工图及四烧脱硫区域建(构)筑物防腐处理工程施工承包合同为准。二、编制依据21设计研究院有限公司设计的武钢四烧脱硫区域建(构)筑物防腐处理施工图。2.国务院第297号令《建设工程质量管理条列》3GB50205----2001《钢结构工程施工质量验收规范》》4YBJ232-91《冶金建筑工程质量检验评定标准;》5GB50252-94《工业安装工程质量检验评定统一标准》;6《工业设备,管道防腐蚀工程施工及验收规范》HGJ229—91。7JGJ81-2002《建筑钢结构焊接建设规程》8GB8923《涂装前钢材表面锈蚀等级和除锈等级》9(集团)公司有关工程建设管理规定。三.本专业工程特点1本工程作业点多面广,部分通廊最高点有41.937多米高,属超高作业,危险系数较大;且施工当中不能影响正常的设备生产。2工程材料质量要求比较高,施工工序比较多,且要求严格。3施工区域内局部有酸性气体,对除锈要求较高,新增钢结构除锈质量等级要求达到Sa2.5,原有通廊钢结构除锈等级要求达到St3。4除锈及涂刷油漆对空气相对湿度要求严格,其直接关系到油漆表面光洁度和油漆的附着力。对天气、周围环境有一定的要求。5钢结构安装高度较高,最高点(混104、204通廊)达44.437米,四、施工条件1现场在燃1301、熔1303通廊下设钢结构制作场地一处及工具房、休息室存放地。2施工电源、水组织到位,设一次电源箱一处,并配挂电表。2组织施工人员进行安全培训并考试合格后方可进入施工现场。3管理人员到位,组织、协调施工人员及设备机械进场。4进行安全及技术交底。5材料到位并检查合格。五、人员安排1组织机构网络图项目经理(1人)现场负责人(1人)技术员(1人)安全员(1人)施工员(1人)防腐除锈班(30人)制作安装班(20人)2劳动力安排序号工程名称工种8月9月10月11月备注1混104、混204通廊电焊工油漆工20人30人20人30人20人30人20人30人根据现场进行人员调整2熔1301、燃1303通廊电焊工油漆工20人30人20人30人20人30人20人30人根据现场进行人员调整3混102、混202、混103、混203通廊电焊工油漆工20人30人20人30人20人30人20人30人根据现场进行人员调整4五烧除尘设备及附近区域设备;四烧院墙外煤气道;三原料新溶剂电除尘及管道;四烧除尘设备及管道;电焊工油漆工20人30人20人30人20人30人20人30人根据现场进行人员调整5三原料铁料库屋面瓦更换、四烧抽风机室屋面瓦更换、五抽风机室屋面瓦更换电焊工油漆工20人30人20人30人20人30人20人30人根据现场进行人员调整施工准备钢结构制作新老钢结构除锈新钢结构底漆涂刷原钢结构底漆涂刷新钢结构中间漆涂刷原钢结构中间漆涂刷原钢结构面漆涂刷原钢结构面漆涂刷工程验收六.施工工艺流程:七、施工前期准备一、技术准备1)熟悉被拆建筑物(构筑物)的竣工图纸,弄清建筑物的结构情况、建筑情况、水电及设备管道情况。2)学习有关规范和安全技术文件。3)调查周围环境、场地、道路、水电设备管路情况等。4)向进场施工人员进行安全技术教育。5)制定安全事故应急救援预案。二、现场准备1)清除拆除范围内的物品。2)疏通运输道路,及施工中临时水、电源、设备。3)切断被拆范围内的水、电、暖气、管道等。4)在拆除工程开工前,负责做好防护系统的搭建,封闭施工现场,搭设有效围挡,围挡高度不应低于1.8M,在指定的位置设安全通道和进出大门,非施工人员不得进入施工区。5)拆除工程施工区域应设置醒目警示标志,在拆除危险区设置警戒区标志。6)根据工程施工现场作业环境,应制定相应的消防安全措施。施工现场应设置...

1、当您付费下载文档后,您只拥有了使用权限,并不意味着购买了版权,文档只能用于自身使用,不得用于其他商业用途(如 [转卖]进行直接盈利或[编辑后售卖]进行间接盈利)。
2、本站所有内容均由合作方或网友上传,本站不对文档的完整性、权威性及其观点立场正确性做任何保证或承诺!文档内容仅供研究参考,付费前请自行鉴别。
3、如文档内容存在违规,或者侵犯商业秘密、侵犯著作权等,请点击“违规举报”。

碎片内容

钢结构制作、安装、防腐油漆施工方案(总)

您可能关注的文档

确认删除?
VIP
微信客服
  • 扫码咨询
会员Q群
  • 会员专属群点击这里加入QQ群
客服邮箱
回到顶部