电脑桌面
添加小米粒文库到电脑桌面
安装后可以在桌面快捷访问

VKSY-WI-SJ009卖场装修作业指引VIP免费

VKSY-WI-SJ009卖场装修作业指引_第1页
1/7
VKSY-WI-SJ009卖场装修作业指引_第2页
2/7
VKSY-WI-SJ009卖场装修作业指引_第3页
3/7
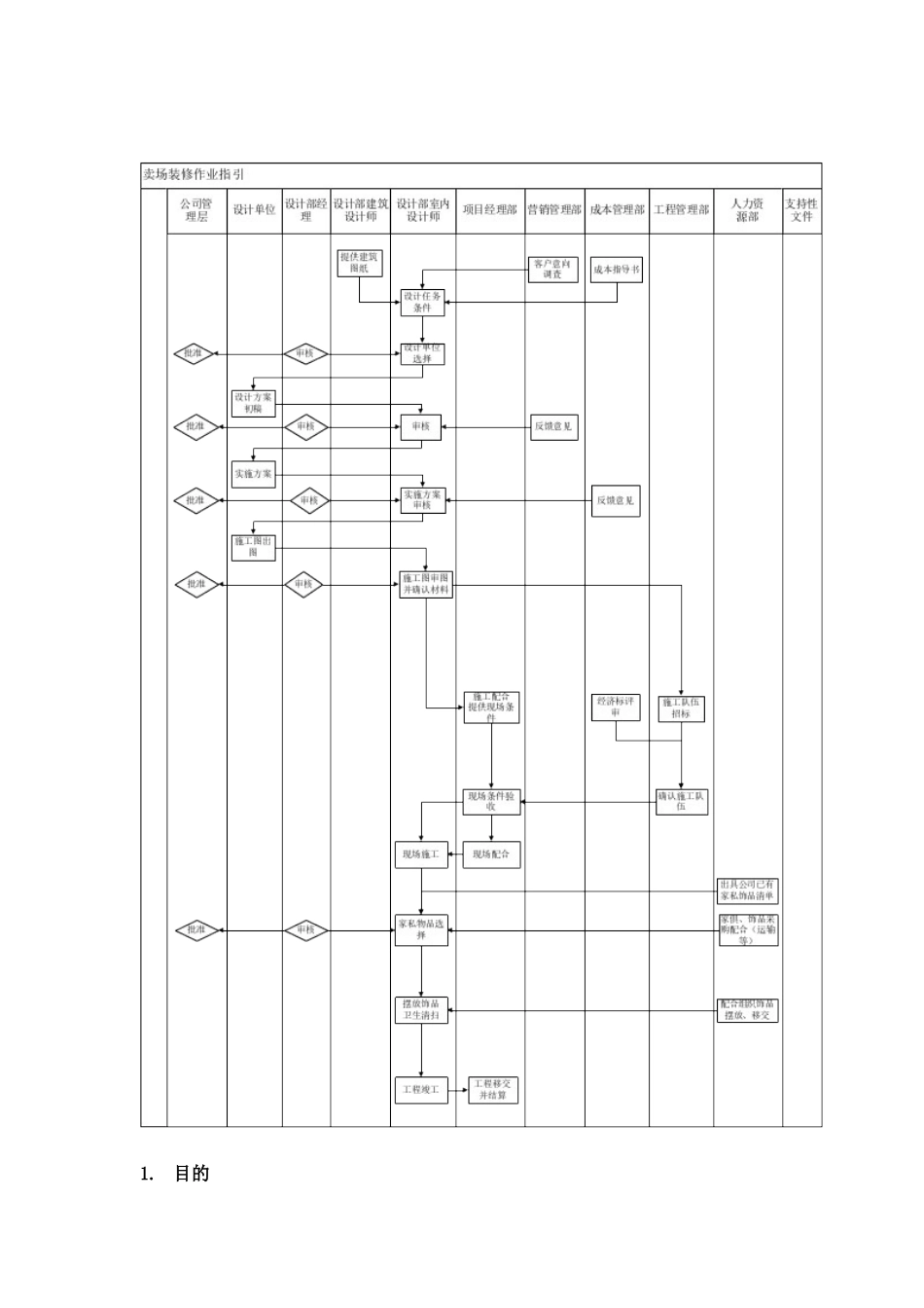
沈阳万科房地产开发有限公司SHENYANGVANKEREALESTATEDEVELOPMENTCO.,LTD.编号:VKSY-WI-SJ009版号:A/0卖场装修作业指引编制孔繁笈日期03-03-05审核王德平日期03-03-10批准日期修订记录日期修订状态修改内容修改人审核人批准人1.目的规范卖场装修工作程序,加强外部监控和内部沟通,达到确保施工阶段质量、进度、成本三重目的。2.适用范围适用于卖场装修工程的设计及施工管理工作。3.术语和定义卖场装修工程:指公司的示范单位、销售大厅、会所及办公空间的室内装修工程。4.职责4.1.设计部室内设计师4.1.1.装修设计资料收集——建筑图纸、客户意向调查。4.1.2.编制《项目装修计划》。4.1.3.编写《室内设计任务书》并进行设计单位筛选。4.1.4.编制《装修设计合同》和签订合同。4.1.5.提供成本管理部《目标成本指导书装修部分》装修工程相关的设计图纸。4.1.6.提供完整有效的装修施工图纸给相关部门。4.1.7.组织项目现场协调会。4.1.8.装修工程施工现场组织工作。4.1.9.配合设计单位进行家私、饰品等采购。4.1.10.组织进行工程验收,并填写《工程竣工验收单》。4.2.设计部建筑设计师:4.2.1.提供装修设计师装修所需项目建筑设计图纸。4.2.2.及时反映因建筑调整而影响装修施工的现场情况,负责完成和室内设计有关的结构、设备、电气等专业的协调工作。4.3.设计部经理4.3.1.审核装修设计单位及设计费用。4.3.2.审核《装修设计任务书》。4.3.3.参与评审装修设计方案。4.4.工程管理部4.4.1.组织装修工程施工招投标,拟定《装修工程施工合同》,确定装修施工队伍。4.4.2.组织投标单位提交材料样板供室内设计师确认。4.5.项目经理部4.5.1.提供满足进场条件的施工场地,经双方确定后填写《进场条件确认表》。4.5.2.提供施工用通道、水、电和暂舍并协调施工单位同总包方的相关手续。4.5.3.施工队伍进场前,完成装修给排水、消防管线、空调等工程改造。4.5.4.负责同装修施工相关的土建、水电等专业的配合工作。4.5.5.负责核定最终结算价格。4.5.6.组织装修工程收尾清洁、搬运。4.6.成本管理部4.6.1.提供《目标成本指导书装修部分》。4.6.2.提供《工程量清单》《工程量补充报价表》《主材暂定价表》。4.6.3.完成现场变更与签证的造价核定。4.6.4.参与定标,共同确定施工单位及最终施工价格。4.6.5.配合进行材料寻价。4.6.6.办理设计变更及洽商费用审定。4.7.营销管理部4.7.1.提供《项目产品建议书》及销售包装计划。4.7.2.提交对设计方案的反馈意见。4.7.3.标识的设计和安装。4.8.人力资源部4.8.1.提供公司《家私、饰品清单》。4.8.2.配合家具、饰品的清点、运输及保管。4.8.3.与物业公司交接,并填写《家私、饰品清单》。4.9.公司管理层4.9.1.批准装修设计单位及设计费用。4.9.2.批准《装修设计任务书》。4.9.3.参与评审并确定装修设计方案。5.工作程序5.1.设计部室内设计师收集装修设计资料。5.1.1.设计部建筑师提供装修所需建筑施工图纸。5.1.2.营销管理部提供《客户意向调查表》,提出项目定位、客户需求、功能要求、风格取向。5.1.3.成本管理部提供《项目成本指导书-装修部分》。5.2.设计部室内设计师根据5.1编制《装修设计任务书》。5.3.设计单位选择5.3.1.室内设计师负责考察并选择室内设计单位。5.3.2.设计部填写《设计供应商信息记录表》、《设计供应商审批表》。5.3.3.设计部经理审核确定设计单位,报公司管理层批准。5.3.4.签订《装修设计合同》编制。5.4.装修设计方案5.4.1.室内设计师组织相关部门、公司管理层进行方案评审,并填写《设计评审表》。5.4.2.室内设计师根据《设计评审表》评审结果,填写《设计交流信息记录表》通知设计单位修改设计修改。5.4.4.设计部经理审核修订后的设计方案。5.4.5.公司管理层审批修订后的设计方案。5.5.施工图阶段5.5.1.室内设计师负责审核施工图,提供使用材料及家私并组织进行设计交底。5.5.2.公司管理层审批施工图、确定材料及家私样品。5.6.确定施工队伍5.6.1.室内设计师给工程管理部、成本管理部提供全套施工图纸。5.6.2.工程管理部负责施工队伍的招投标工作,并与设计部共同确定最终施工单位。5.6.3.成本管理部负责...

1、当您付费下载文档后,您只拥有了使用权限,并不意味着购买了版权,文档只能用于自身使用,不得用于其他商业用途(如 [转卖]进行直接盈利或[编辑后售卖]进行间接盈利)。
2、本站所有内容均由合作方或网友上传,本站不对文档的完整性、权威性及其观点立场正确性做任何保证或承诺!文档内容仅供研究参考,付费前请自行鉴别。
3、如文档内容存在违规,或者侵犯商业秘密、侵犯著作权等,请点击“违规举报”。

碎片内容

VKSY-WI-SJ009卖场装修作业指引

您可能关注的文档

确认删除?
VIP
微信客服
  • 扫码咨询
会员Q群
  • 会员专属群点击这里加入QQ群
客服邮箱
回到顶部