电脑桌面
添加小米粒文库到电脑桌面
安装后可以在桌面快捷访问

监理文档工作流程图VIP免费

监理文档工作流程图_第1页
1/3
监理文档工作流程图_第2页
2/3
监理文档工作流程图_第3页
3/3
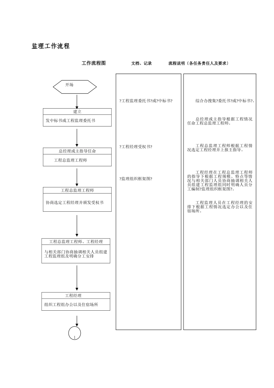
监理工作流程工作流程图文档、记录流程说明〔各任务责任人及要求〕?工程监理委托书?或?中标书??工程经理受权书??监理组织框架图?建立发中标书或工程监理委托书工程经理组织工程组办公以及住宿场所工程总监理工程师、工程经理与相关部门协商抽调相关人员组建工程监理组及明确分工安排工程总监理工程师协商选定工程经理并颁发受权书总经理或主指导任命工程总监理工程师开场1综合办搜集?委托书?或?中标书?。总经理或主指导根据工程情况任命工程总监理工程师。工程总监理工程师根据工程情况选定工程经理并上报主指导。工程经理在工程总监理工程师的指导下根据工程规模、特点等情况与相关部门人员协商抽调相关人员组建工程监理组同时明确人员分工编制?监理组织框架图?。工程监理人员在工程经理的安排下根据工程情况选定办公以及住宿场所。?工程监理委托书??中标书??监理委托合同??进度控制表?质量及控制系列表格?监理细那么??承建商资格报审表??设计委托??设计进度方案表??勘察设计记录表??工程施工图纸??工程设计?工程监理组对工程工、质量、目的进展分解落实相关责任人形成三大目的方案表建立、监理、设计、承包商监理组织现场设计勘察设计进展设计设计按总工要求上报分解后的设计方案工建立、工程监理组选择工程承包商〔厂家、设计、施工〕监理预审资格及资料建立确定工程总监理工程师、工程经理按建立要求编制监理细那么工程监理组要主动向建立理解工程的工要求、规模等工程情况并积极协助签定监理合同。工程监理组要根据实际情况对工、质量、三大目的进展分解并且落实到相关责任人形成书面方案。工程经理在2个工作日内编制?监理细那么?交总监审核、总工审批。要求承建商提供资质证明、营业执照、?施工组织架构?等资料给监理并填写?承包/分包资格预审表?。监理对承建商进展预审将预审结果由建立进展工程的分包搜集承包商的组织框架及相关人员。根据总工确定设计工分解设计工形成?设计进度方案表?。建立、监理、承建商与设计人员一起进展现场勘查〔勘查过程作为建立和监理进展工程理交接的过程〕勘察过程中监理及承建商要详细填写?勘察记录?然后交至建立签署勘查结果作为编制设计和图纸会审的根据。工程监理组搜集工程相关资料协助签订监理合同建立、监理、设计、承建商建立组织设计会审监理协助编写会审纪要设计设计提供设计相关进展预审?设计监理审查表?在收到设计一周内审核完成并在工程设计会审前向建立提交该表?会审纪要?设计会审完成后单项负责人2个工作日内编写完成提交工建部?设备材料订购合同?在条件允许的情况下由单项负责人搜集?开工??施工组织方案及方案??开工报审表??开工交底记录??开工条件检查表?以上表格在工程开工前一周内完成审批工作并存底建立或承建商按设计订购相关工程设备及材料监理、承建商、供货商供货商运送设备、材料到施工现场并和承建商进展交接监理组织进展清点。承建商、监理承建商完成工程开工前的准备工作上报施工组织方案及开工申请监理进展审核报建立承建商开场施工监理协调相关的进场问题。?设备清点??设备交接记录?材料到货时填报?监理日记?单项负责人及现场监理员出工地工作日必写?监理报表??工程例会记录??设计变更单??现场质量问题整改??隐蔽工程签证记录??监理工程师??工程量统计表??调测??巡检/旁站/验收/整改复查表??自检??完工?工程完成后自检过程现的问题需以?监理工程师?形式发送施工要求其限内整改完成?巡检/旁站/验收/整改复查表??不合格/整改单?监理、承建商承建商进展工程施工监理巡检并旁站签证隐蔽工程。监理、承建商监理组织工程预验收〔验收前的自验〕并跟进整改情况。承建商施工完毕承建商自检、整改。监理、承建商承建商进展测试监理旁站。?初验交工??审核?审核工程是否具备工程初验条件并同当地分进展沟通确定初验时间?验收??初验?工程初验间填报?整改?初验现的问题在施工整改完成后监理员现场复核后填报?审核?在收到开工一周内完成相关审核报送工作?终验开工??终验申请?工程终验前施工提交我监理方审核在3个工作日内完成相关工作监理、承建商承建商在初验前一周内提供?开工?、?初验申请?监理审核建立复核。核。建立、监理...

1、当您付费下载文档后,您只拥有了使用权限,并不意味着购买了版权,文档只能用于自身使用,不得用于其他商业用途(如 [转卖]进行直接盈利或[编辑后售卖]进行间接盈利)。
2、本站所有内容均由合作方或网友上传,本站不对文档的完整性、权威性及其观点立场正确性做任何保证或承诺!文档内容仅供研究参考,付费前请自行鉴别。
3、如文档内容存在违规,或者侵犯商业秘密、侵犯著作权等,请点击“违规举报”。

碎片内容

监理文档工作流程图

您可能关注的文档

确认删除?
VIP
微信客服
  • 扫码咨询
会员Q群
  • 会员专属群点击这里加入QQ群
客服邮箱
回到顶部