电脑桌面
添加小米粒文库到电脑桌面
安装后可以在桌面快捷访问

排桩墙支护工程检验批质量验收记录VIP免费

排桩墙支护工程检验批质量验收记录_第1页
1/3
排桩墙支护工程检验批质量验收记录_第2页
2/3
排桩墙支护工程检验批质量验收记录_第3页
3/3
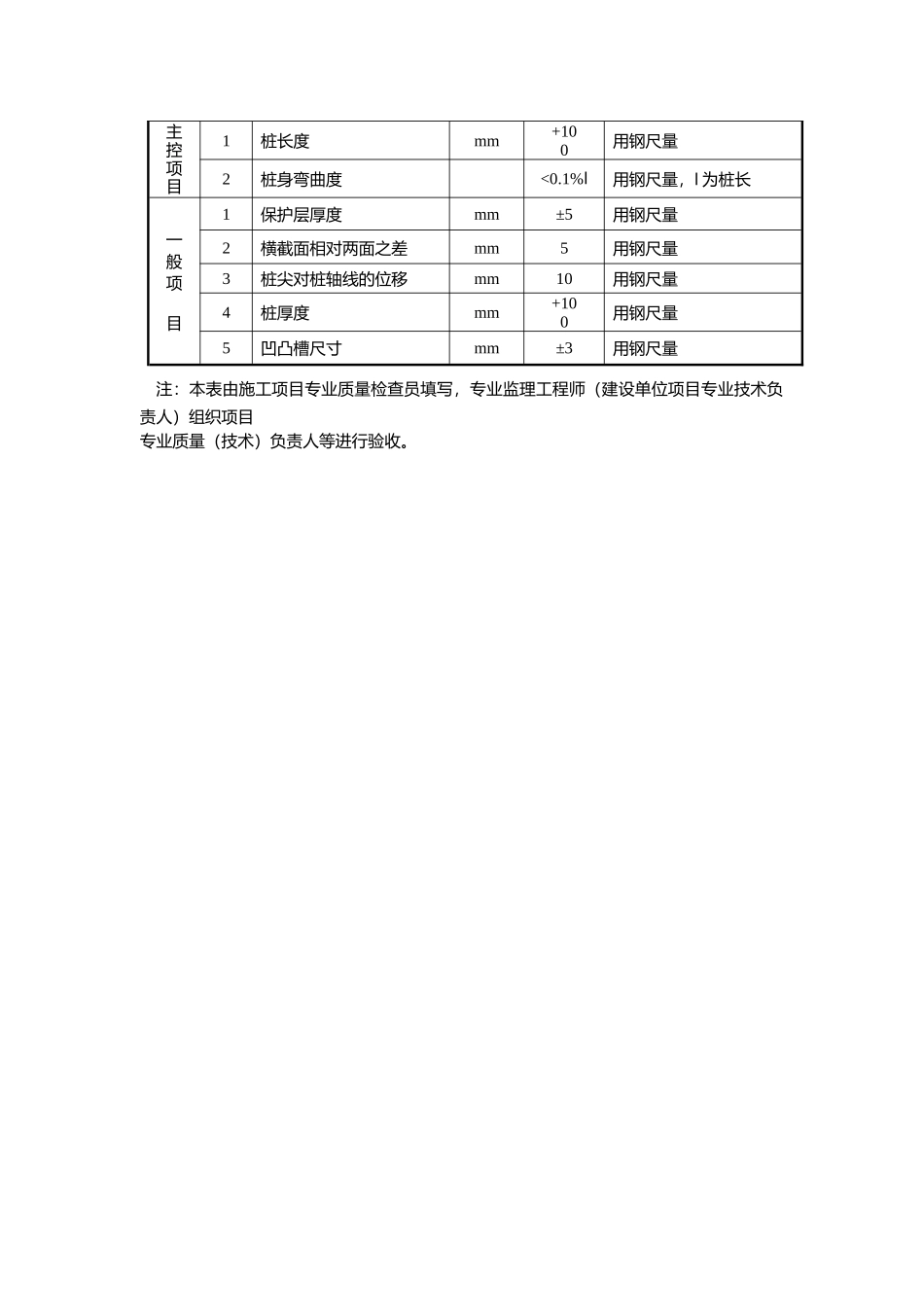
排桩墙支护工程检验批质量验收记录(混凝土板桩制作)(GB50202-2002)表7.2.2-2编号:010201□□□(2)工程名称分项工程名称项目经理施工单位验收部位施工执行标准名称及编号专业工长(施工员)分包单位分包项目经理施工班组长质量验收规范的规定施工单位自检记录监理(建设)单位验收记录检查项目质量要求单位数值主控项目1桩长度mm+1002桩身弯曲度<0.1%l一般项目1保护层厚度mm±52横截面相对两面之差mm53桩尖对桩轴线的位移mm104桩厚度mm+1005凹凸槽尺寸mm±3施工操作依据质量检查记录施工单位检查结果评定项目专业项目专业质量检查员:技术负责人:年月日监理(建设)单位验收结论专业监理工程师:(建设单位项目专业技术负责人)年月日010201□□□(2)说明强制性条文7.1.7基坑(槽)、管沟土方工程验收必须确保支护结构安全和周围环境安全为前提。当设计有指标时,以设计要求为依据,如无设计指标时应按表7.1.7的规定执行。表7.1.7基坑变形的监控值(cm)基坑类别围护结构墙顶位移监控值围护结构墙体最大位移监控值地面最大沉降监控值一级基坑353二级基坑686三级基坑81010注:1、符合下列情况之一,为一级基坑;1)重要工程或支护结构做主体结构的一部分;2)开挖深度大于10m;3)与临近建筑物,重要设施的距离在开挖深度以内的基坑;4)基坑范围内有历史文物、近代优秀建筑、重要管线等需严加保护的基坑。2、三级基坑为开挖深度小于7m,且周围环境无特别要求时的基坑。3、除一级和三级外的基坑属二级基坑。4、当周围已有的设施有特殊要求时,尚应符合这些要求。7.2排桩墙支护工程7.2.1排桩墙支护结构包括灌注桩、预制桩、板桩等类型桩构成的支护结构。7.2.2灌注桩、预制桩的检验标准应符合本规范第5章的规定。钢板桩均为工厂成品,新桩可按出厂标准检验,重复使用的钢板桩应符合表7.2.2-1的规定,混凝土板桩应符合表7.2.2-2的规定。7.2.3排桩墙支护的基坑,开挖后应及时支护,每一道支撑施工应确保基坑变形在设计要求的控制范围内。7.2.4在含水地层范围内的排桩墙支护基坑,应有确实可靠的止水措施,确保基坑施工及邻近构筑物的安全。表7.2.2-2混凝土板桩制作标准项序检查项目允许偏差或允许值检查方法单位数值主控项目1桩长度mm+100用钢尺量2桩身弯曲度<0.1%l用钢尺量,l为桩长一般项目1保护层厚度mm±5用钢尺量2横截面相对两面之差mm5用钢尺量3桩尖对桩轴线的位移mm10用钢尺量4桩厚度mm+100用钢尺量5凹凸槽尺寸mm±3用钢尺量注:本表由施工项目专业质量检查员填写,专业监理工程师(建设单位项目专业技术负责人)组织项目专业质量(技术)负责人等进行验收。

1、当您付费下载文档后,您只拥有了使用权限,并不意味着购买了版权,文档只能用于自身使用,不得用于其他商业用途(如 [转卖]进行直接盈利或[编辑后售卖]进行间接盈利)。
2、本站所有内容均由合作方或网友上传,本站不对文档的完整性、权威性及其观点立场正确性做任何保证或承诺!文档内容仅供研究参考,付费前请自行鉴别。
3、如文档内容存在违规,或者侵犯商业秘密、侵犯著作权等,请点击“违规举报”。

碎片内容

排桩墙支护工程检验批质量验收记录

确认删除?
VIP
微信客服
  • 扫码咨询
会员Q群
  • 会员专属群点击这里加入QQ群
客服邮箱
回到顶部