电脑桌面
添加小米粒文库到电脑桌面
安装后可以在桌面快捷访问

排水管道施工技术交底VIP专享VIP免费

排水管道施工技术交底_第1页
1/7
排水管道施工技术交底_第2页
2/7
排水管道施工技术交底_第3页
3/7
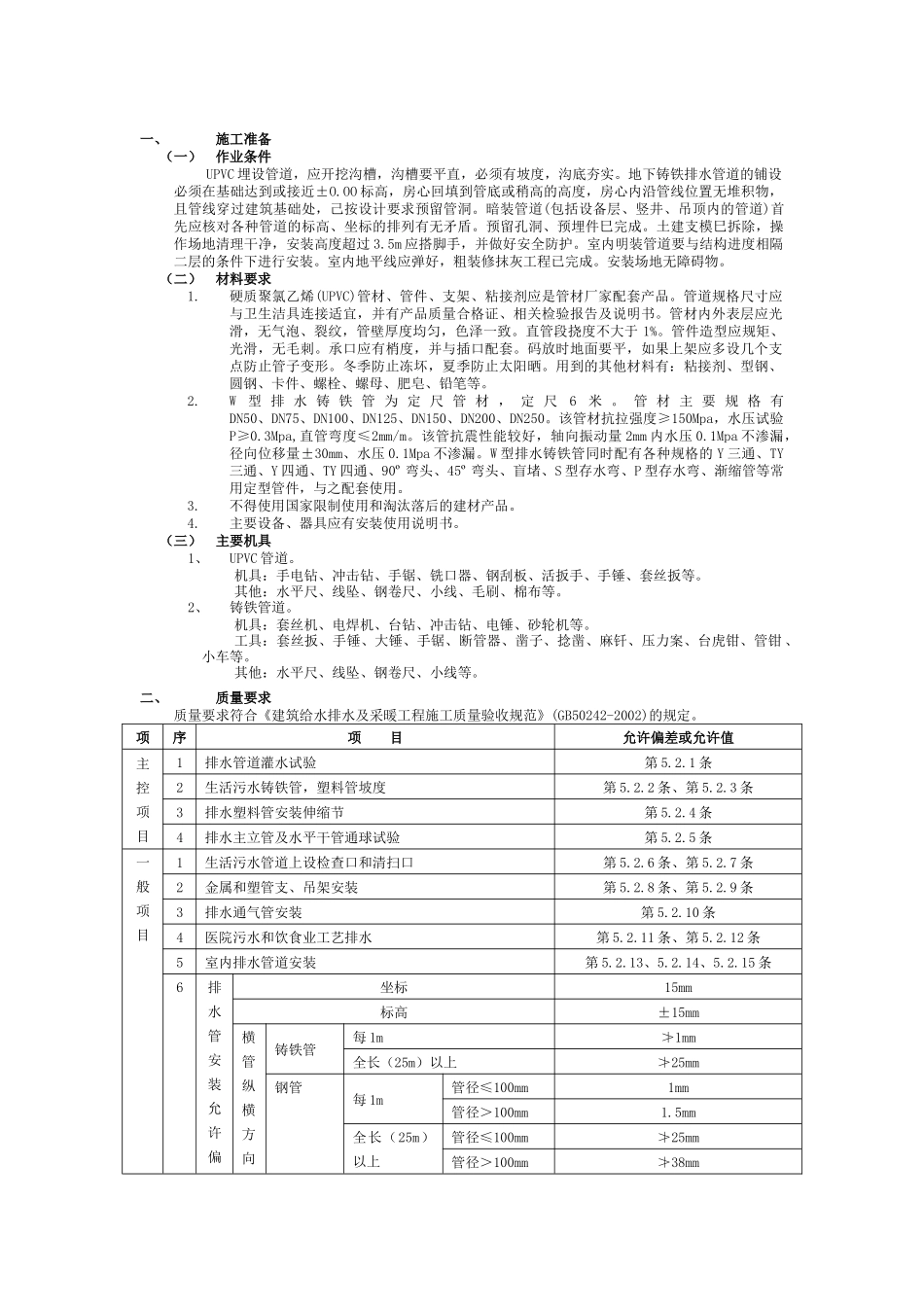
一、施工准备(一)作业条件UPVC埋设管道,应开挖沟槽,沟槽要平直,必须有坡度,沟底夯实。地下铸铁排水管道的铺设必须在基础达到或接近±O.OO标高,房心回填到管底或稍高的高度,房心内沿管线位置无堆积物,且管线穿过建筑基础处,己按设计要求预留管洞。暗装管道(包括设备层、竖井、吊顶内的管道)首先应核对各种管道的标高、坐标的排列有无矛盾。预留孔洞、预埋件巳完成。土建支模巳拆除,操作场地清理干净,安装高度超过3.5m应搭脚手,并做好安全防护。室内明装管道要与结构进度相隔二层的条件下进行安装。室内地平线应弹好,粗装修抹灰工程已完成。安装场地无障碍物。(二)材料要求1.硬质聚氯乙烯(UPVC)管材、管件、支架、粘接剂应是管材厂家配套产品。管道规格尺寸应与卫生洁具连接适宜,并有产品质量合格证、相关检验报告及说明书。管材内外表层应光滑,无气泡、裂纹,管壁厚度均匀,色泽一致。直管段挠度不大于1%。管件造型应规矩、光滑,无毛刺。承口应有梢度,并与插口配套。码放时地面要平,如果上架应多设几个支点防止管子变形。冬季防止冻坏,夏季防止太阳晒。用到的其他材料有:粘接剂、型钢、圆钢、卡件、螺栓、螺母、肥皂、铅笔等。2.W型排水铸铁管为定尺管材,定尺6米。管材主要规格有DN50、DN75、DN100、DN125、DN150、DN200、DN250。该管材抗拉强度≥150Mpa,水压试验P≥0.3Mpa,直管弯度≤2mm/m。该管抗震性能较好,轴向振动量2mm内水压0.1Mpa不渗漏,径向位移量±30mm、水压0.1Mpa不渗漏。W型排水铸铁管同时配有各种规格的Y三通、TY三通、Y四通、TY四通、90º弯头、45º弯头、盲堵、S型存水弯、P型存水弯、渐缩管等常用定型管件,与之配套使用。3.不得使用国家限制使用和淘汰落后的建材产品。4.主要设备、器具应有安装使用说明书。(三)主要机具1、UPVC管道。机具:手电钻、冲击钻、手锯、铣口器、钢刮板、活扳手、手锤、套丝扳等。其他:水平尺、线坠、钢卷尺、小线、毛刷、棉布等。2、铸铁管道。机具:套丝机、电焊机、台钻、冲击钻、电锤、砂轮机等。工具:套丝扳、手锤、大锤、手锯、断管器、凿子、捻凿、麻钎、压力案、台虎钳、管钳、小车等。其他:水平尺、线坠、钢卷尺、小线等。二、质量要求质量要求符合《建筑给水排水及采暖工程施工质量验收规范》(GB50242-2002)的规定。项序项目允许偏差或允许值主控项目1排水管道灌水试验第5.2.1条2生活污水铸铁管,塑料管坡度第5.2.2条、第5.2.3条3排水塑料管安装伸缩节第5.2.4条4排水主立管及水平干管通球试验第5.2.5条一般项目1生活污水管道上设检查口和清扫口第5.2.6条、第5.2.7条2金属和塑管支、吊架安装第5.2.8条、第5.2.9条3排水通气管安装第5.2.10条4医院污水和饮食业工艺排水第5.2.11条、第5.2.12条5室内排水管道安装第5.2.13、5.2.14、5.2.15条6排水管安装允许偏坐标15mm标高±15mm横管纵横方向铸铁管每1m≯1mm全长(25m)以上≯25mm钢管每1m管径≤100mm1mm管径>100mm1.5mm全长(25m)以上管径≤100mm≯25mm管径>100mm≯38mm差弯曲塑料管每1m1.5mm全长(25m)以上≯38mm钢筋混凝土管每1m3mm全长(25m)以上≯75mm立管垂直度铸铁管每1m3mm全长(25m)以上≯15mm钢管每1m3mm全长(25m)以上≯10mm塑料管每1m3mm全长(25m)以上≯15mm三、工艺流程安装准备→预制加工→干管安装→立管安装→支管安装→卡件固定→封口堵洞→灌水试验→满水排泄试验→通球试验四、操作工艺(一)安装准备认真熟悉图纸,参看土建结构图、装饰装修图、有关设备专业图,核对各种管道的坐标标高是否有交叉,管道排列所占空间是否合理,有问题及时与设计和有关人员研究解决,办理变更洽商记录。根据设计图纸检查、核对预留孔洞大小是否正确,将管道坐标、标高位置画线定位。(二)预制加工1、UPVC管预制加工。根据图纸要求并结合实际情况,按预留口位置测量尺寸,绘制加工草图。根据草图量好管道尺寸,进行断管。断口要平齐,用铣刀或刮刀除掉断口内外飞刺,外棱铣出15°角。粘接前应对承插口先插入试验,不得全部插入,一般为承口的3/4深度。试插合格后,用棉布将承插口需粘接部分的水分、灰尘擦拭干净。如有油污需用丙酮除掉...

1、当您付费下载文档后,您只拥有了使用权限,并不意味着购买了版权,文档只能用于自身使用,不得用于其他商业用途(如 [转卖]进行直接盈利或[编辑后售卖]进行间接盈利)。
2、本站所有内容均由合作方或网友上传,本站不对文档的完整性、权威性及其观点立场正确性做任何保证或承诺!文档内容仅供研究参考,付费前请自行鉴别。
3、如文档内容存在违规,或者侵犯商业秘密、侵犯著作权等,请点击“违规举报”。

碎片内容

排水管道施工技术交底

确认删除?
VIP
微信客服
  • 扫码咨询
会员Q群
  • 会员专属群点击这里加入QQ群
客服邮箱
回到顶部