电脑桌面
添加小米粒文库到电脑桌面
安装后可以在桌面快捷访问

某文化大厦给排水工程监理细则VIP免费

某文化大厦给排水工程监理细则_第1页
1/3
某文化大厦给排水工程监理细则_第2页
2/3
某文化大厦给排水工程监理细则_第3页
3/3
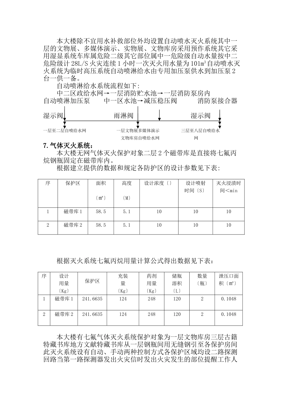
汉源新城文化大厦工程给排水工程监理细那么1.工程概况:本文化大厦内有、博物馆、图书馆以及公共设备用房一层主要为车库设备用房以及博物馆二、三层主要为文化馆及图书馆四至八层为播控室和卫星接收等办公用房。地上裙房为三层塔楼为八层。建筑物主体高度40.2M,总建筑面积16847㎡。给排水系统包括生活给水系统、生活排水系统、雨水排水系统、消防栓给水系统、喷淋系统、气体灭火系统。2.给水系统:本建筑生活给水日用量位40m3/d采用分区供水的方式一至三层由政二区水池供水四至八层由政中一区水池供水。生活给水系统流程如下:中一区水池标高为1125M政给水观望减压阀→四至八层生活用水。中二区水池标高为1045M政给水网→一至三层生活用水。3.排水系统:本文化大厦排污水量约为36m3生活污水排至室外经三格化粪池处理后再排入政排水网。4.雨水排水系统:本工程屋面雨水采用重力流方式排除雨水斗采用87型屋面雨水由主搜集后下至一层出口排入室外雨水网屋面雨水按雅安地区暴雨强度公式计算重现按2年计降雨强度为q3=3.82L/S*100²1小时降雨38mm。5.消防给水系统:本工程室内消火栓给水系统用量为20L/S火灾延续时间为3小时。一次灭火用水量为216m3。室内消火栓给水系统为临时高压系统由消火栓给水专用加压泵供水一层消防蓄水池V=317m3内储存有216m3室内消火栓用水量由政一区水池火灾灭用水量且维持消火栓给水平时所需水压室内设二套地下式消防水泵接合器一用一备。室内消火栓给水网供水。消火栓给水系统流程如下:中二区政给水网→一层消防贮水池→一层消防泵房内消火栓给水加压泵中一水池消防水泵接合器减压稳压阀一层至八层消火栓消火栓系统控制火灾发生时消防按钮动作其信同时传递给消防控制中心显示火灾位置及泵房消火栓给水加压控制箱启动消火栓箱亮灯及消防控制中心加压泵还可以再消防控制中心遥控启停及在水泵房人工启停。6.自动喷水灭火系统:本大楼除不宜用水补救部位外均设置自动喷水灭火系统其中一层的文物展、多媒体演示、实物展、文物库房采用预作系统其它采用湿显系统车库属危险二级其它部位属中一危险级自动水量按中二危险级计28L/S火灾连续1小时一次灭火用水量为101m3自动喷水灭火系统为临时高压系统自动喷淋给水由专用加压泵供水到加压泵2台一供一备。自动喷淋给水系统流程如下:中二区政给水网→一层消防贮水池→一层消防泵房内自动喷淋加压泵中一区水池→减压稳压阀消防泵接合器湿示阀雨淋阀湿示阀一层至二层自喷给水网一层文物展多媒体演示三层至八层自喷给水文物库房自喷给水网网7.气体灭火系统:本大楼无网气体灭火保护对象二层2个磁带库是直接将七氟丙烷钢瓶固定在磁带库内。根据建立提供的数据和规定各防护区的设计参数见下表:序保护区面积〔㎡〕高度〔M〕设计浓度〔〕设计喷射时间〔S〕灭火浸渍时间<min1磁带库158.55.11010102磁带库258.55.1101010根据灭火系统七氟丙烷用量计算公式得出数据见下表:序设计用量〔Kg〕保护区充装量〔Kg〕药剂用量〔Kg〕储瓶溶积〔L〕数量〔瓶〕泄压口面积〔㎡〕1磁带库1241.663512424812020.10482磁带库2241.663512424812020.1048本大楼有七氟气体灭火系统保护对象为一层文物库房三层古籍特藏书库地方文献特藏书库从一层钢瓶间用无缝钢引至各保护房间此灭火系统设有自动、手动两种控制方式各保护区域均设二路探测回路当第一路探测器发出火灾信时发出火灾发生的部位提醒工作人员注意;当第二路探测器发出火灾信时自动灭火控制器开场进入阶段〔0~30s可调〕此阶段用于疏散人员声光器等动作和联动设备的动作关闭通风空调等。过后保护区域的电磁驱动器发出灭火指翻开七氟丙烷气瓶想灭火区进展灭火作业同时控制器接收压力信发生器的反应信控制面板上的应急启动按钮或保护区门口的紧急启动按钮即可启动系统喷放七氟丙烷灭火剂。气体灭火控制流程如下:火警火灾探测器电气手动人员发现火灾探测器灭火控制器机械应急手动声光报警延时设备联动〔关闭电源风机防火阀等〕人员撤离开启容器阀/选择阀灭火剂喷放喷放显示灭火8.编制根据:1、?建立工程监理?GB50319-20002、?建立工程施工质量验收统一?GB50300-20013、?建筑电气工程施工质量验收...

1、当您付费下载文档后,您只拥有了使用权限,并不意味着购买了版权,文档只能用于自身使用,不得用于其他商业用途(如 [转卖]进行直接盈利或[编辑后售卖]进行间接盈利)。
2、本站所有内容均由合作方或网友上传,本站不对文档的完整性、权威性及其观点立场正确性做任何保证或承诺!文档内容仅供研究参考,付费前请自行鉴别。
3、如文档内容存在违规,或者侵犯商业秘密、侵犯著作权等,请点击“违规举报”。

碎片内容

某文化大厦给排水工程监理细则

书海行舟+ 关注
实名认证
内容提供者

热爱教学事业,对互联网知识分享很感兴趣

确认删除?
VIP
微信客服
  • 扫码咨询
会员Q群
  • 会员专属群点击这里加入QQ群
客服邮箱
回到顶部