电脑桌面
添加小米粒文库到电脑桌面
安装后可以在桌面快捷访问

抹灰工程技术交底3VIP免费

抹灰工程技术交底3_第1页
1/2
抹灰工程技术交底3_第2页
2/2
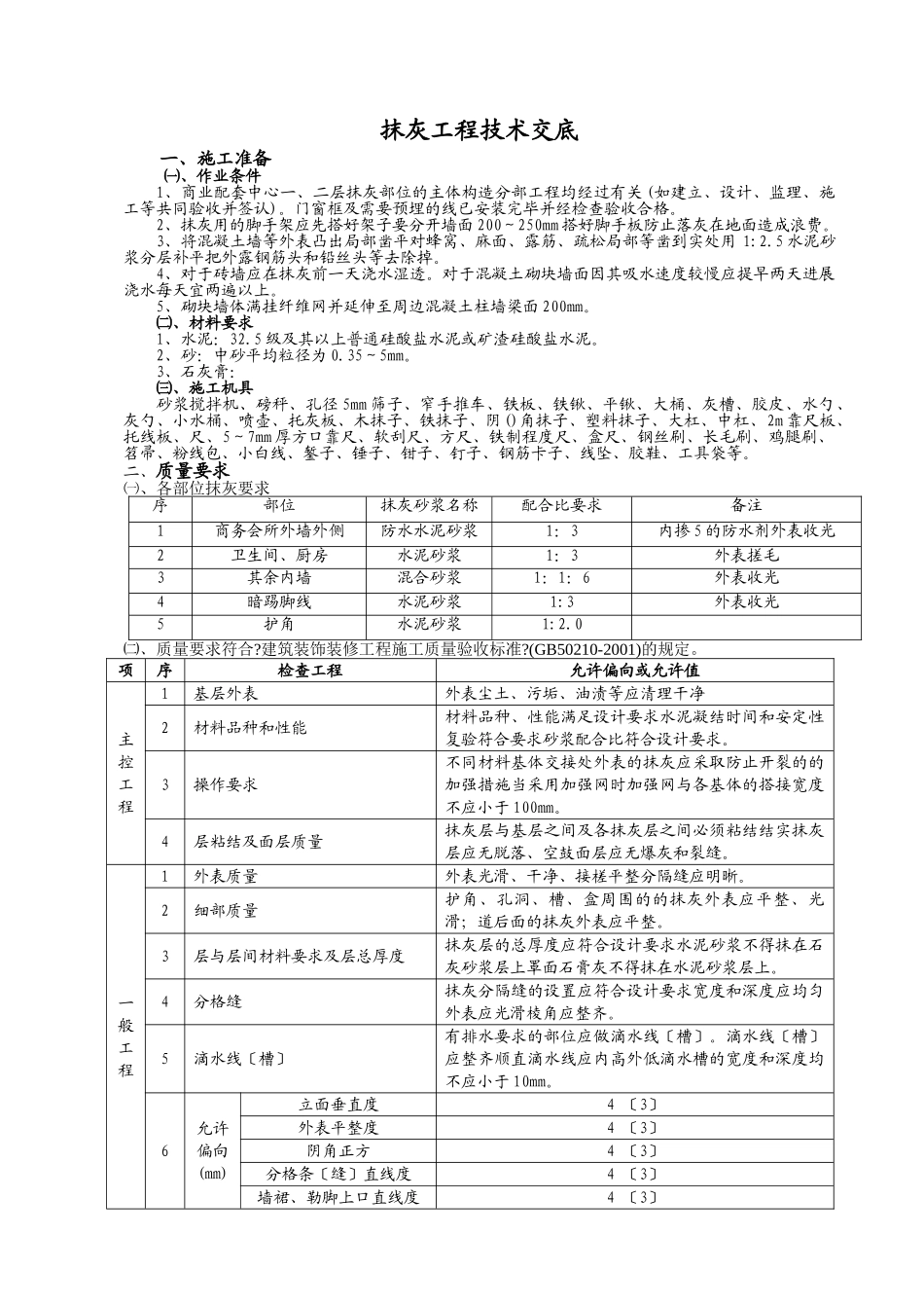
抹灰工程技术交底一、施工准备㈠、作业条件1、商业配套中心一、二层抹灰部位的主体构造分部工程均经过有关(如建立、设计、监理、施工等共同验收并签认)。门窗框及需要预埋的线已安装完毕并经检查验收合格。2、抹灰用的脚手架应先搭好架子要分开墙面200~250mm搭好脚手板防止落灰在地面造成浪费。3、将混凝土墙等外表凸出局部凿平对蜂窝、麻面、露筋、疏松局部等凿到实处用1:2.5水泥砂浆分层补平把外露钢筋头和铅丝头等去除掉。4、对于砖墙应在抹灰前一天浇水湿透。对于混凝土砌块墙面因其吸水速度较慢应提早两天进展浇水每天宜两遍以上。5、砌块墙体满挂纤维网并延伸至周边混凝土柱墙梁面200mm。㈡、材料要求1、水泥:32.5级及其以上普通硅酸盐水泥或矿渣硅酸盐水泥。2、砂:中砂平均粒径为0.35~5mm。3、石灰膏:㈢、施工机具砂浆搅拌机、磅秤、孔径5mm筛子、窄手推车、铁板、铁锹、平锹、大桶、灰槽、胶皮、水勺、灰勺、小水桶、喷壶、托灰板、木抹子、铁抹子、阴()角抹子、塑料抹子、大杠、中杠、2m靠尺板、托线板、尺、5~7mm厚方口靠尺、软刮尺、方尺、铁制程度尺、盒尺、钢丝刷、长毛刷、鸡腿刷、笤帚、粉线包、小白线、錾子、锤子、钳子、钉子、钢筋卡子、线坠、胶鞋、工具袋等。二、质量要求㈠、各部位抹灰要求序部位抹灰砂浆名称配合比要求备注1商务会所外墙外侧防水水泥砂浆1:3内掺5的防水剂外表收光2卫生间、厨房水泥砂浆1:3外表搓毛3其余内墙混合砂浆1:1:6外表收光4暗踢脚线水泥砂浆1:3外表收光5护角水泥砂浆1:2.0㈡、质量要求符合?建筑装饰装修工程施工质量验收标准?(GB50210-2001)的规定。项序检查工程允许偏向或允许值主控工程1基层外表外表尘土、污垢、油渍等应清理干净2材料品种和性能材料品种、性能满足设计要求水泥凝结时间和安定性复验符合要求砂浆配合比符合设计要求。3操作要求不同材料基体交接处外表的抹灰应采取防止开裂的的加强措施当采用加强网时加强网与各基体的搭接宽度不应小于100mm。4层粘结及面层质量抹灰层与基层之间及各抹灰层之间必须粘结结实抹灰层应无脱落、空鼓面层应无爆灰和裂缝。一般工程1外表质量外表光滑、干净、接槎平整分隔缝应明晰。2细部质量护角、孔洞、槽、盒周围的的抹灰外表应平整、光滑;道后面的抹灰外表应平整。3层与层间材料要求及层总厚度抹灰层的总厚度应符合设计要求水泥砂浆不得抹在石灰砂浆层上罩面石膏灰不得抹在水泥砂浆层上。4分格缝抹灰分隔缝的设置应符合设计要求宽度和深度应均匀外表应光滑棱角应整齐。5滴水线〔槽〕有排水要求的部位应做滴水线〔槽〕。滴水线〔槽〕应整齐顺直滴水线应内高外低滴水槽的宽度和深度均不应小于10mm。6允许偏向(mm)立面垂直度4〔3〕外表平整度4〔3〕阴角正方4〔3〕分格条〔缝〕直线度4〔3〕墙裙、勒脚上口直线度4〔3〕注:1、普通抹灰阴角方正可不检查;2、顶棚抹灰外表平整度可不检查但应平顺;3、括内数据为高级抹灰允许偏向。三、工艺流程基层处理→吊直、套方、找规矩、贴灰饼→墙面冲筋(设置标筋)→做护角→抹水泥窗台板→抹底灰→抹中层灰→抹水泥砂浆罩面灰(包括水泥踢脚板、墙裙等)→抹墙面罩面灰→养护四、操作工艺1、基层处理:吊直套方打墩墙面冲筋抹底层灰和中层灰用1:1:4水泥混合砂浆涂抹并用磨板搓平带毛面。在砂浆凝固之前外表用扫帚扫毛或用钢抹子每隔一定间隔穿插画出斜线。2、抹水泥砂浆面层:中层砂浆抹后第二天用1:1:4水泥混合浆抹面层厚度为5~8mm。操作时先将墙面潮湿然后用砂浆薄刮一遍使其与中层灰粘牢紧跟着抹第二遍到达要求的厚度用压尺刮平找直待其收身后用灰匙压实压光。为防止出现墙面花施工过程中对于材料的配合比应注意水灰比不能过大要按交底控制水灰比。3、大面积外墙抹次施工在施工前必须先吊线四个大角及长度大于6m的大墙面上下不平处先剔凿同时程度方向也要求挂通线在每一层楼面进展分缝防止外墙面抹灰的收缩裂缝(外窗框与墙体间缝隙一定要在大面积抹灰前填堵好防止空鼓及渗水)。罩面抹灰时用力要轻重一致用抹子先圆弧形抹然后上下抽拉要求方向一致这样不易留下抹纹。五、应注意的质量问题1、粘结不牢、空鼓、裂缝:混凝土墙面抹灰最常...

1、当您付费下载文档后,您只拥有了使用权限,并不意味着购买了版权,文档只能用于自身使用,不得用于其他商业用途(如 [转卖]进行直接盈利或[编辑后售卖]进行间接盈利)。
2、本站所有内容均由合作方或网友上传,本站不对文档的完整性、权威性及其观点立场正确性做任何保证或承诺!文档内容仅供研究参考,付费前请自行鉴别。
3、如文档内容存在违规,或者侵犯商业秘密、侵犯著作权等,请点击“违规举报”。

碎片内容

抹灰工程技术交底3

您可能关注的文档

确认删除?
VIP
微信客服
  • 扫码咨询
会员Q群
  • 会员专属群点击这里加入QQ群
客服邮箱
回到顶部