电脑桌面
添加小米粒文库到电脑桌面
安装后可以在桌面快捷访问

塔吊施工方案_secretVIP免费

塔吊施工方案_secret_第1页
1/10
塔吊施工方案_secret_第2页
2/10
塔吊施工方案_secret_第3页
3/10
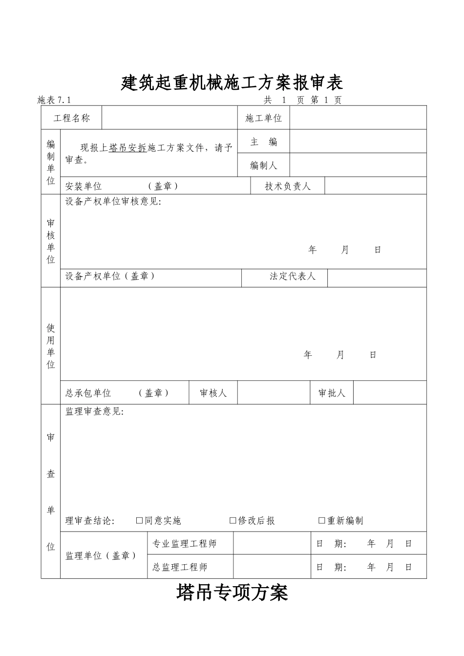
永春县医院新建项目(一期)门急诊、医技楼塔吊安拆方案使用单位:安装单位:厦门金仕达设备租赁有限公司2011年4月10日建筑起重机械施工方案报审表施表7.1共1页第1页工程名称施工单位编制单位现报上塔吊安拆施工方案文件,请予审查。主编编制人安装单位(盖章)技术负责人审核单位设备产权单位审核意见:年月日设备产权单位(盖章)法定代表人使用单位年月日总承包单位(盖章)审核人审批人审查单位监理审查意见:理审查结论:□同意实施□修改后报□重新编制监理单位(盖章)专业监理工程师日期:年月日总监理工程师日期:年月日塔吊专项方案一、工程概况:本工程为永春县医院新建项目(一期)门急诊、医技楼,建筑面积29594.3m2,地上五层,建筑主体高度为20.85m,工程基础、主体结构施工期间垂直运输主要采用一台湖南长沙中联重科机械有限公司生产的QTZ80(5610)塔式起重机,其回转半径为56米,由福建省振安建筑工程有限公司总承包,由厦门市金仕达设备租有限公司负责安装,起重设备安装工程为三级。塔吊分部安装在2-1至2-6边后浇带交2-A至3-F轴及1-A至1-J交1-1至1-7轴为一施工段、1-8至1-15交1-A至1-J及2-A至3-F交2-6边后浇带至2-12轴为一施工段、2-13至2-20交2-D至3-F及1-16至1-22交1-A至2-D为一施工段,离墙4.5米。二、塔吊结构及安装:1、人员组织及分工由有资质的专业公司进行安拆。在整个施工过程中由塔机安装施工员赵朝玉负责,塔机安装电工黄坤杰,塔机安装工张永刚、刘志强、陈仲平、苏惠勇等,塔吊起重工叶金章同志和水电施工员林国栋配合,安全员郑永彬同志负责监督。2、塔吊基础:本塔吊基础为采用C35混凝土:5.5m×5.5m×1.35m,下做10cm厚C15砼垫层。根据塔吊出厂使用说明书,安装绑扎钢筋。并制作同条件养护试块进行试验。钢材、水泥有合格证及复检报告,水泥有安定性试验报告。基础结构见附图,承载力验算如下:塔吊基础需进行稳定性及强度计算,计算简图如下:Fg=5.5×5.5×1.35×25=1021KNFv=25T=250KN考虑动荷载,Fv=250×1.4=350KNFh=CWpwA=1.2×1.1×1.65×32×0.4=27.8KN(取CW=1.2,基本风压pw=1.1,A=ωA1,ω=0.4)M=18×48-12×4×7=528KN.Mh=1.35mB=5.5M1)稳定性验算e=(M+Fh×H)/(Fv+Fg)=565.53/1271=0.445M<5.5/3=1.83M2)地基强度验算根据地质资料,取地面允许压应力[p]=420Kpap=2(Fv+Fg)/3A=2542/90.75=28.01Kpa<200Kpa满足要求三、塔吊安装详施工组织方案。四、拆卸阶段的安全为了使拆卸期间不发生安全事故或事故降低到最低程度,现强调以下安全要求。1、拆除过程:1)、拆除与安装顺序相似,以先安装的后拆,后安装的先拆的原则进行。2)、拆除顺序为:拆除钢丝绳、配电箱——司机室——配重——吊臂——平衡臂——塔帽、回转支承底架。2、责任施工现场的负责人对拆卸期间的所有安全问题负责,所有拆卸工作均应按国家、地方法律、法规和条例以及常规安全措施进行。凡是参加拆卸工作人员,在工作前,均仔细阅读“塔吊的拆除”和“安装”的详细内容。3、拆卸前的安全措施1)、始终要确保地面上有足够大的地方作为拆卸场地。2)、始终要确保所有使用的起重设备适合于要起吊的荷载。3)、始终要确保拆卸开始前,整套装置处于安全状况,并通过日常安全检查。4、拆卸期间安全措施。1)、在拆卸期间,不准许与拆卸工作无关的人员使用搭吊。2)、不允许在风速大于13米/秒和雷雨、下雪的恶劣气候条件下进行拆卸工作。3)、不让任何人站在悬吊物下。4)、在进行拆卸工作时,将加节按钮盒的防止失误动作,开关板至停机位置或按下操作盒上的紧急停机按钮。5)、决不能让不称职的人进行电气拆卸工作,且在进行电气拆卸工作时,必须确保切断总电源。6)、除非总电源已安全切断,否则不能让任何人在地面围栏内、围栏顶部或靠伏在围栏上以及在搭吊通道内、导体立柱内和附墙架等不安全区域内活动。五、塔式起重机安全使用要求1、进行空车运转,检查行走、起重、变幅等各机构的制动、安全限位及防护装置、确认无误后提交验收,经验收合格后方可正式作业。2、严格进行“十不吊”,不违章作业;塔吊司机、指挥、安装拆除人员都必须持证上岗。3、必须有完好的接地...

1、当您付费下载文档后,您只拥有了使用权限,并不意味着购买了版权,文档只能用于自身使用,不得用于其他商业用途(如 [转卖]进行直接盈利或[编辑后售卖]进行间接盈利)。
2、本站所有内容均由合作方或网友上传,本站不对文档的完整性、权威性及其观点立场正确性做任何保证或承诺!文档内容仅供研究参考,付费前请自行鉴别。
3、如文档内容存在违规,或者侵犯商业秘密、侵犯著作权等,请点击“违规举报”。

碎片内容

塔吊施工方案_secret

您可能关注的文档

确认删除?
VIP
微信客服
  • 扫码咨询
会员Q群
  • 会员专属群点击这里加入QQ群
客服邮箱
回到顶部