电脑桌面
添加小米粒文库到电脑桌面
安装后可以在桌面快捷访问

智能建筑弱电系统知识培训VIP免费

智能建筑弱电系统知识培训_第1页
1/40
智能建筑弱电系统知识培训_第2页
2/40
智能建筑弱电系统知识培训_第3页
3/40
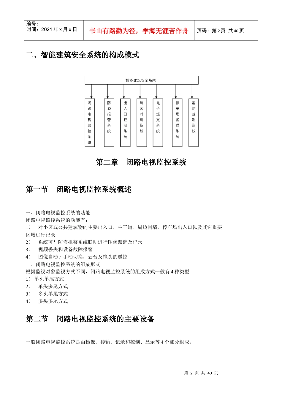
第1页共40页编号:时间:2021年x月x日书山有路勤为径,学海无涯苦作舟页码:第1页共40页智能建筑弱电系统知识培训第一章智能建筑安全系统概述一智能建筑安全系统的概念1、安全防范的概念所谓安全,就是没有危险、不受侵害、不出事故;所谓防范,就是防备、戒备。安全防范系统是以维护社会公共安全和预防、制止重大治安事故为目的,综合运用技防产品和其它相关产品所组成的电子系统或网络。安全防范系统包括入侵报警系统、视频监控系统、门禁控制系统、电子巡更系统、停车场控制系统、对讲系统、消防控制系统。2、安全防范的三种基本防范手段安全防范是包括人力防范(人防)、实体防范(物防)、技术防范(技防)人防:是指指行安全防范任务的具有相应素质人员或人员群体的一种有组织的防范行为(包括人、组织和管理等)。主要有保安站岗、人员巡更、报警按纽等物防:是指用于安全防范目的、能延迟风险事件发生的各种实体防护手段(如周界的栅栏、围墙、入口门栏等)技防:指利用各种电子信息设备组成系统或网络以提高安全防范的手段(如监控系统、红外线报警系统等)3、安全防范的三个基本要素安全防范的三个基本要素是:探测、延时和反应探测是指感知显形和隐性风险事件的发生并发出报警延时是指延长和推延风险事件发生的进程反应是指组织力量为制止风险事件的发生所采取的快速行动。第2页共40页第1页共40页编号:时间:2021年x月x日书山有路勤为径,学海无涯苦作舟页码:第2页共40页二、智能建筑安全系统的构成模式第二章闭路电视监控系统第一节闭路电视监控系统概述一、闭路电视监控系统的功能闭路电视监控系统的功能有:1)对小区或公共建筑物的主要出入口,主干道、周边围墙、停车场出入口以及其它重要区域进行记录2)系统可与防盗报警系统联动进行图像跟踪及记录3)视频丢失和设备故障报警4)图像自动/手动切换,云台及镜头的遥控二、闭路电视监控系统的组成形式根据监视对象监视方式不同,闭路电视监控系统的组成方式一般有4种类型1)单头单尾方式2)单头多尾方式3)多头单尾方式4)多头多尾方式第二节闭路电视监控系统的主要设备一般闭路电视监控系统是由摄像、传输、记录和控制、显示等4个部分组成。第3页共40页第2页共40页编号:时间:2021年x月x日书山有路勤为径,学海无涯苦作舟页码:第3页共40页一、摄像部分摄像部分是闭路电视监控的前端,是整个系统的“眼睛”,其作用是将所监视目标的光信号变为电信号。一般由摄像机、镜头、云台、防护罩、解码器等组成。1、摄像机摄像机是将被摄物体的光图像转变为电信号——视频信号,为系统提供信号源,它是系统最重要的设备之一。摄像机的分类:1)按器件类型分为电真空摄像管、CCD(电荷耦合器)摄像机和CMOS(互补性金属氧化物半导体)摄像机。2)按颜色分有黑白摄像机和彩色摄像机3)按图像信号处理方式分:a:模拟式摄像机b:数字视频(DV)格式的全数字式摄像机4)按摄像机结构分:a:普通单机型(镜头需另配)b:机板型(摄像机部件和镜头全部在一块印制电路板上)c:针孔型d:一体机型(其摄像机内建可变倍、自动聚焦、光圈镜头)e:球型(指将摄像机、镜头还有云台和解码器组合在一起的球型或半球型的防护罩里)5)按摄像机分辨率分:a:摄像像素在25万像素左右、彩色分辨率在330线、黑白分辨率在400线左右的低档型b:摄像像素在25~38万像素间、彩色分辨率在420线、黑白分辨率在500线左右的中档型第4页共40页第3页共40页编号:时间:2021年x月x日书山有路勤为径,学海无涯苦作舟页码:第4页共40页c:摄像像素在38万像素以上、彩色分辨率大于或等于480线、黑白分辨率在600线以上的高档型6)按摄像机灵敏度分a:普通型正常工作所需要照度为1~3Lux。b:月光型正常工作所需要照度为0.1Lux左右。c:星光型正常工作所需要照度为0.01Lux以下。d:红外照明型原则上可以为零照度,采用红外光源成像参考环境照度:夏日阳光下100,000Lux阴天室外10,000Lux电视台演播室1000Lux距60W台灯60cm桌面300Lux室内日光灯100Lux黄昏室内10Lux20cm处烛光10-15Lux夜间路灯0.1Lux7)按摄像机的靶面大小分为:1/2’、1/3’、1/4’等。8)按扫描制式分为:PA...

1、当您付费下载文档后,您只拥有了使用权限,并不意味着购买了版权,文档只能用于自身使用,不得用于其他商业用途(如 [转卖]进行直接盈利或[编辑后售卖]进行间接盈利)。
2、本站所有内容均由合作方或网友上传,本站不对文档的完整性、权威性及其观点立场正确性做任何保证或承诺!文档内容仅供研究参考,付费前请自行鉴别。
3、如文档内容存在违规,或者侵犯商业秘密、侵犯著作权等,请点击“违规举报”。

碎片内容

智能建筑弱电系统知识培训

您可能关注的文档

中小学教育精品资料+ 关注
实名认证
内容提供者

中小学教育资料,优质文档创作者

确认删除?
VIP
微信客服
  • 扫码咨询
会员Q群
  • 会员专属群点击这里加入QQ群
客服邮箱
回到顶部