电脑桌面
添加小米粒文库到电脑桌面
安装后可以在桌面快捷访问

造价员考试案例培训范本VIP免费

造价员考试案例培训范本_第1页
1/29
造价员考试案例培训范本_第2页
2/29
造价员考试案例培训范本_第3页
3/29
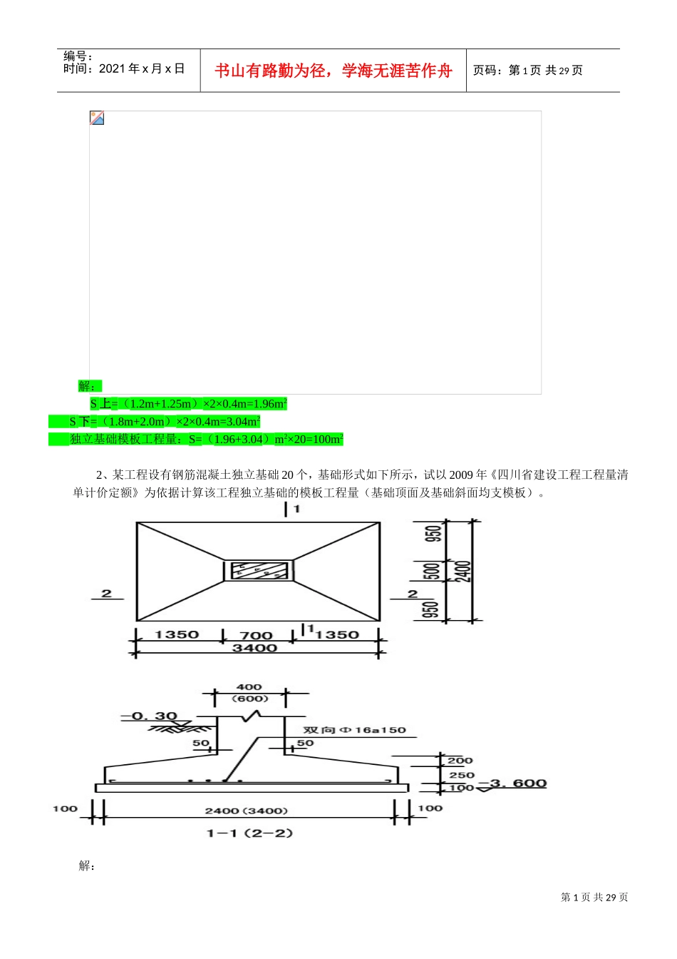
第0页共29页编号:时间:2021年x月x日书山有路勤为径,学海无涯苦作舟页码:第0页共29页全国造价员培训《土建专业》工程计量与计价(案例)教师:陈胜明教师:陈胜明2010-8-212010-8-21案例一:(模板工程量计算案例)1、某工程设有钢筋混凝土独立基础20个,基础形式如下所示,试以2009年《四川省建设工程工程量清单计价定额》为依据计算该工程独立基础的模板工程量。第1页共29页编号:时间:2021年x月x日书山有路勤为径,学海无涯苦作舟页码:第1页共29页解:S上=(1.2m+1.25m)×2×0.4m=1.96m2S下=(1.8m+2.0m)×2×0.4m=3.04m2独立基础模板工程量:S=(1.96+3.04)m2×20=100m22、某工程设有钢筋混凝土独立基础20个,基础形式如下所示,试以2009年《四川省建设工程工程量清单计价定额》为依据计算该工程独立基础的模板工程量(基础顶面及基础斜面均支模板)。解:第2页共29页编号:时间:2021年x月x日书山有路勤为径,学海无涯苦作舟页码:第2页共29页S下=(2.4m+3.4m)×2×0.25m=2.90m2S上=[0.5×0.7-0.4×0.6]+(0.5+2.4)×(1.352+0.22)1/2×2/2+(0.7+3.4)×(0.952+0.22)1/2×2/2=0.11+3.96+3.98=8.05m2独立基础模板工程量:S=(2.90+8.05)m2×20=219m23、梁模板工程量计算:(略。当梁与柱子连接并以柱子作为支座时,模板长度算至柱侧面,计算面积时不计算梁上表面,只算两个侧面和一个底面,同时扣掉梁与柱子相交处面积;当梁以墙作为支座时,模板长度仅扣掉支座宽度,计算面积时计算梁沿宽度方向两个侧面积和除支座宽度以外的梁底面积,同时还要计算沿着长度方向的两个端面面积)案例二(关于基础土方工程量计算及综合单价计算)背景资料:一、设计说明1、某工程+0.000以下的柱及独立基础平面、剖面图详见下图,此独立基础及柱共计20个。2、基础垫层为非原槽浇筑,垫层考虑支模,混凝土强度等级为C一五(中砂、砾石5-40mm),独立基础及柱子混凝土强度等级为(中砂、5-40mm砾石)C20。基础及垫层混凝土均考虑为现场搅拌。3、本工程建设方已经完成三通一平,基础土壤类别及填土均为三类土壤,均属于天然密实土壤,室内外高差300mm。二、其它要求1、本基础工程为非桩基工程,土方开挖为人工开挖、放坡,不考虑开挖时地表水排放及基底钎探,工作面为300mm,放坡系数为1:0.3。2、开挖的基础土方中有60%通过人力车运输、堆放在现场50m的地方。另外的一部分土壤堆放在基坑边。3、余土外运或取土回填,采用机械运输,场外运输距离为5km。4、回填仅有基础回填,考虑为人工夯填。问题:一、根据设计说明、其它要求、平面剖面图,审查以下分部分项工程量清单中+0.000以下的清单工程量(表一)及计算挖基础土方项目、基础土方回填项目工程量清单综合单价分析表中的综合单价(表二)、(表三)。二、审查要求及计算说明:1、根据《建设工程工程量清单计价规范》GB-50500-2008、2009年《四川省建设工程工程量清单计价定额》及其它相关文件、勘误、解释等审查以下分部分项工程量清单中的项目编码、项目名称、计量单位、工程数量、项目特征是否有误,将错误的内容、标注、数量、编号用“——”符号划去后,将正确的内容、、标注、数量、编号填写在下一行空行或空白处的相应栏目中,或增加相应内容。2、本清单中未计算基础钢筋。3、措施项目及规费等清单不计算,综合单价中定额项目综合单价(人工费、材料费、机械费、综合费)均不调整。4、工程量结果保留两位小数。5、清单编码后面注明*号的项目表示为须评审。第3页共29页编号:时间:2021年x月x日书山有路勤为径,学海无涯苦作舟页码:第3页共29页分部分项工程量清单与计价表(表一)工程名称:某基础工程标段:1第页共页序号项目编码项目名称项目特征描述计量单位工程量金额(元)综合单价合价其中:暂估价第4页共29页编号:时间:2021年x月x日书山有路勤为径,学海无涯苦作舟页码:第4页共29页1010101003001*挖基础土方1.土壤类别:三类土壤2.基础类型:独立基础3.垫层底面积:2400×34002600×36004.挖土深度:3.6m3.3m5.弃土运距:挖方量的60%现场内运输堆放,距离为50m。2.6.6×3.6××3.6×3.33.3××20=617.7620=61...

1、当您付费下载文档后,您只拥有了使用权限,并不意味着购买了版权,文档只能用于自身使用,不得用于其他商业用途(如 [转卖]进行直接盈利或[编辑后售卖]进行间接盈利)。
2、本站所有内容均由合作方或网友上传,本站不对文档的完整性、权威性及其观点立场正确性做任何保证或承诺!文档内容仅供研究参考,付费前请自行鉴别。
3、如文档内容存在违规,或者侵犯商业秘密、侵犯著作权等,请点击“违规举报”。

碎片内容

造价员考试案例培训范本

您可能关注的文档

中小学教育精品资料+ 关注
实名认证
内容提供者

中小学教育资料,优质文档创作者

确认删除?
VIP
微信客服
  • 扫码咨询
会员Q群
  • 会员专属群点击这里加入QQ群
客服邮箱
回到顶部