电脑桌面
添加小米粒文库到电脑桌面
安装后可以在桌面快捷访问

某中型制造业行政内勤岗位说明书及KPI指标VIP免费

某中型制造业行政内勤岗位说明书及KPI指标_第1页
1/5
某中型制造业行政内勤岗位说明书及KPI指标_第2页
2/5
某中型制造业行政内勤岗位说明书及KPI指标_第3页
3/5
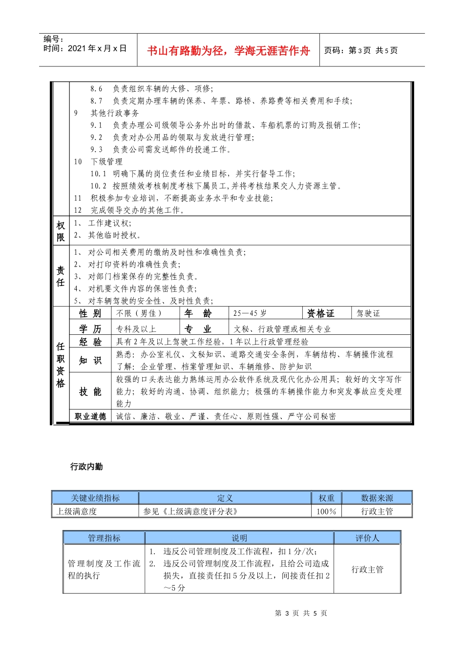
第1页共5页编号:时间:2021年x月x日书山有路勤为径,学海无涯苦作舟页码:第1页共5页*****有限责任公司工作说明书编号DW-JD-0105发布日期单位名称*****有限责任公司岗位名称行政内勤直接上级行政主管部门行政人事部直接下级下级人数主要工作职责负责公司车辆管理及日常行政事务工作第2页共5页第1页共5页编号:时间:2021年x月x日书山有路勤为径,学海无涯苦作舟页码:第2页共5页工作内容1制度的执行1.1贯彻执行公司的各项规章制度,严守公司秘密,维护公司利益;1.2严格执行本部门管理制度及业务流程。2文件的发放及接收2.1负责发送公司的特快专递;2.2按照各部门的发文要求,拟订文件初稿,经部门经理审核、相关部门签字及总经理批示后,打印并加盖公章,进行发文并归档;2.3每年一季度对去年的外来文及内发文进行编号装订。3资产维护3.1随时检查和维护公司所有的办公设备,当办公设备出现损坏,及时修理或联系相关技术人员进行维修;3.2随时检查和维护公司固定资产,发现固定资产损坏,及时维修或联系相关人员进行修理,并向部门经理报损;3.3建立维修人员的联系电话档案。4物资采购4.1负责根据员工填写和相关部门负责人签字的《物品申购单》,按要求购买后勤物资;4.2负责为员工订购饮用水,并随时检查水的卫生及质量情况4.3负责建立后勤物资供应商的档案,对其供货价格及供货质量进行比较。5费用交纳:5.1负责公司水电气费、厂房租金等费用的缴纳工作;5.2每月底按时为公司缴纳坐机及手机的费用,并随时办理相关通讯业务;5.3对异常偏高的话费进行核查及处理。6食堂管理6.1随时抽查员工食堂的饭菜质量及卫生、消毒情况,并采购粮油;6.2对食堂的日常支出进行记帐,并每日与食堂人员核对菜品价格;6.3每月统计、核对和分摊公司管理人员用餐费用。7员工宿舍管理7.1负责监督检查公司员工宿舍得卫生情况;7.2负责公司员工宿舍设备设施及就宿人员的管理;8车辆管理8.1负责按车辆调度安排出车并做好相关行车记录;8.2负责有礼有节接待客人8.3发生行车事故,除向附近交通部门报案外,须立即与公司行政部联络,并通知保险公司办理赔偿手续;8.4负责对车辆进行日常维护保养,按要求参加车辆年检。8.5负责其它部门车辆日常维护保养的检查监督;第3页共5页第2页共5页编号:时间:2021年x月x日书山有路勤为径,学海无涯苦作舟页码:第3页共5页8.6负责组织车辆的大修、项修;8.7负责定期办理车辆的保养、年票、路桥、养路费等相关费用和手续;9其他行政事务9.1负责办理公司级领导公务外出时的借款、车船机票的订购及报销工作;9.2负责对办公用品的领取与发放进行管理;9.3负责公司需发送邮件的投递工作。10下级管理10.1明确下属的岗位责任和业绩目标,并实行督导工作;10.2按照绩效考核制度考核下属员工,并将考核结果交人力资源主管。11积极参加专业培训,不断提高业务水平和专业技能;12完成领导交办的其他工作。权限1、工作建议权;2、其他临时授权。责任1、对公司相关费用的缴纳及时性和准确性负责;2、对打印资料的准确性负责;3、对部门档案保存的完整性负责。4、对机要文件内容的保密性负责;5、对车辆驾驶的安全性、及时性负责;任职资格性别不限(男佳)年龄25—45岁资格证驾驶证学历专科及以上专业文秘、行政管理或相关专业经验具有2年及以上驾驶工作经验,1年以上行政管理经验知识熟悉:办公室礼仪、文秘知识、道路交通安全条例,车辆结构、车辆操作流程了解:企业管理、档案管理知识、车辆维修、防护知识技能较强的口头表达能力熟练运用办公软件系统及现代化办公用具;较好的文字写作能力;较好的沟通、协调、组织能力;极强的车辆操作能力和突发事故应变处理能力职业道德诚信、廉洁、敬业、严谨、责任心、原则性强、严守公司秘密行政内勤关键业绩指标定义权重数据来源上级满意度参见《上级满意度评分表》100%行政主管管理指标说明评价人管理制度及工作流程的执行1.违反公司管理制度及工作流程,扣1分/次;2.违反公司管理制度及工作流程,且给公司造成损失,直接责任扣5分及以上,间接责任扣2~5分行政主管第4页共5页第3页共5页编号:时间:2021年x月x日书山有路勤为径,学海无...

1、当您付费下载文档后,您只拥有了使用权限,并不意味着购买了版权,文档只能用于自身使用,不得用于其他商业用途(如 [转卖]进行直接盈利或[编辑后售卖]进行间接盈利)。
2、本站所有内容均由合作方或网友上传,本站不对文档的完整性、权威性及其观点立场正确性做任何保证或承诺!文档内容仅供研究参考,付费前请自行鉴别。
3、如文档内容存在违规,或者侵犯商业秘密、侵犯著作权等,请点击“违规举报”。

碎片内容

某中型制造业行政内勤岗位说明书及KPI指标

您可能关注的文档

确认删除?
VIP
微信客服
  • 扫码咨询
会员Q群
  • 会员专属群点击这里加入QQ群
客服邮箱
回到顶部