电脑桌面
添加小米粒文库到电脑桌面
安装后可以在桌面快捷访问

某省建设工程竣工档案编制及报送规定VIP免费

某省建设工程竣工档案编制及报送规定_第1页
1/52
某省建设工程竣工档案编制及报送规定_第2页
2/52
某省建设工程竣工档案编制及报送规定_第3页
3/52
第1页共52页编号:时间:2021年x月x日书山有路勤为径,学海无涯苦作舟页码:第1页共52页湖北省建设工程竣工档案编制及报送规定(修订稿)第一章总则第一条为了统一建设工程竣工档案的编制、验收和报送工作,加强建设工程档案的管理,促进工程建设水平的提高,根据《建设工程质量管理条例》、《湖北省城市建设档案管理办法》、《科学技术档案案卷构成的一般要求》、《建设工程文件归档整理规范》和《建筑工程施工文件管理规范》(DB42/T503-2008)、《湖北省城镇道路工程施工管理统一用表》、《湖北省给水排水管道工程施工管理统一用表》、《湖北省城市桥梁工程施工管理统一用表》等有关规定,结合本省实际,制定本规定。第二条本规定所称建设工程是指在城市行政区域内(含经济技术及高新技术开发区)新建、改建、扩建的地上地下建筑及装饰工程,城镇道路、桥梁、地铁、隧道工程和城镇地下管道工程。本规定所称的竣工档案是指建设工程的准备、施工、竣工验收等阶段所形成的,具有保存价值的文字、图纸、图表、声像等各种文件材料。第三条各市、县城建档案管理机构按照《湖北省城市建设档案管理办法》的有关规定,负责竣工档案的收集、保管和利用的管理工作。第四条建设工程档案由建设单位负责收集。建设单位在办理报建手续时与城建档案馆(室)签订《建设工程档案建档及报送服务合同书》,并从建设工程立项起,对勘察、设计、施工和监理单位提出编制、报送建设工程档案的要求,做到建设工程档案材料的收集、编制与工程建设进度同步,保证建设工程档案材料的完整、准确、系统与安全。第五条勘察、设计、施工和监理单位应当按照建设单位的要求,认真收集、整理建设项目各个环节的档案材料,并在工程项目竣工时,分别向建设单位提供完整、准确的建设工程竣工档案材料。第六条城建档案馆要按照有关建设工程项目档案管理规定,对建设工程项目档案材料的收集、编制、报送工作进行业务指导,并对工程全过程的档案管理工作进行跟踪服务。第七条本规定适用于本省行政区域内所有建设工程竣工档案的编制、验收及报送工作。第二章竣工档案的内容及编制第八条竣工档案的内容必须要真实反映工程建设的全过程,与工程实际相符,不得随意涂改。竣工文件材料的内容详见附件《建设工程文件归档内容及顺序表》,采用新工艺、新技术、新材料的工程按有关要求据实增加。第九条竣工文件材料依照《建设工程文件归档整理规范》(国家标准GB/T50328-2001)进行编目,并做到完整、准确、签证完备。第2页共52页第1页共52页编号:时间:2021年x月x日书山有路勤为径,学海无涯苦作舟页码:第2页共52页第十条竣工文件材料编制应符合下列要求(一)文件材料的案卷组织案卷组织应遵循建设工程文件材料的形成规律,保持卷内文件材料的系统联系,并便于档案的保管与利用。案卷组织的基本要求:(1)一个建设工程由多个单位工程组成时,应按单位工程组织案卷;(2)文件材料和竣工图分别组织案卷;(3)每卷厚度在15mm以内。(二)文件材料的尺寸规格文件材料的尺寸规格为A4幅面(297mm×210mm),同一卷内同样规格。图纸宜采用国家标准图幅,不同幅面的工程图纸应按《技术制图复制图的折叠方法》(国家标准GB10609.3-89)统一折叠成A4幅面(297mm×210mm),图标栏露在外面。(三)文件材料的整理文件材料整理时要去掉金属物,小于标准尺寸规格的进行托裱,可将几张文件同时托裱在标准尺寸规格的白纸上,文件右边与白纸右边靠齐,托裱时使用化学浆糊。(四)文件材料的排列竣工文件材料按先批复后请示,先正文后附件,先文字材料后附图组织案卷。(五)文件材料的编目页号编写位置:单面书写的文件在右下角;双面书写的文件,正面在右下角,背面在左下角。折叠后的图纸一律在右下角。案卷内封面、卷内目录、备考表应采用80g以上白色书写纸并按要求填写。(六)文件材料的装订文字材料可采用装订与不装订两种形式。(七)文件材料的装具装具一般采用卷盒、卷夹两种形式,各城建档案管理机构应统一使用省建设厅监制的卷盒。卷盒、卷夹应采用无酸纸制作。第十一条竣工图编制应符合下列要求(一)竣工图的编制应在盖有出图章...

1、当您付费下载文档后,您只拥有了使用权限,并不意味着购买了版权,文档只能用于自身使用,不得用于其他商业用途(如 [转卖]进行直接盈利或[编辑后售卖]进行间接盈利)。
2、本站所有内容均由合作方或网友上传,本站不对文档的完整性、权威性及其观点立场正确性做任何保证或承诺!文档内容仅供研究参考,付费前请自行鉴别。
3、如文档内容存在违规,或者侵犯商业秘密、侵犯著作权等,请点击“违规举报”。

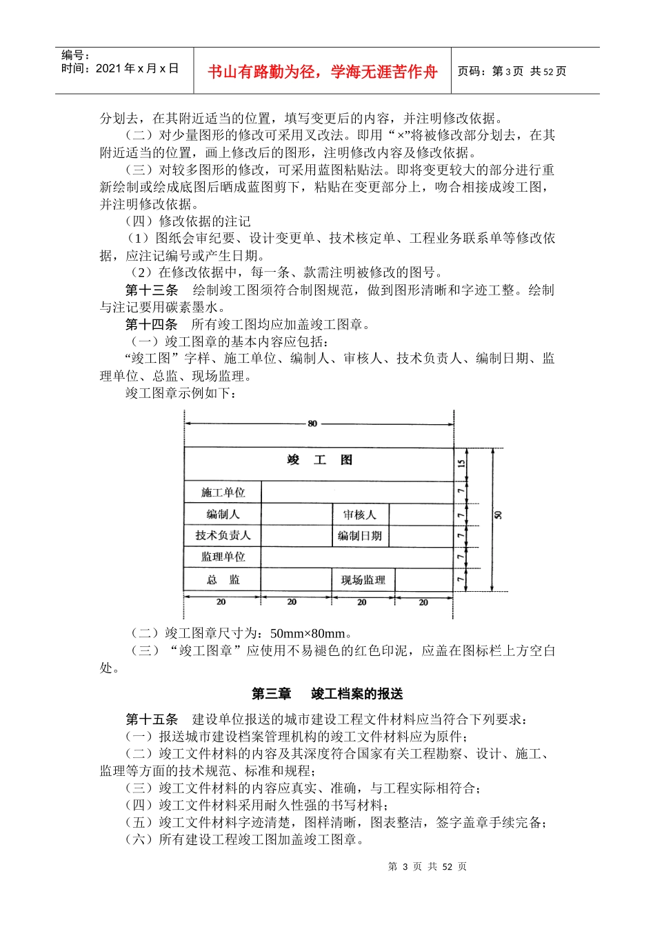
碎片内容

某省建设工程竣工档案编制及报送规定

中小学教育精品资料+ 关注
实名认证
内容提供者

中小学教育资料,优质文档创作者

确认删除?
VIP
微信客服
  • 扫码咨询
会员Q群
  • 会员专属群点击这里加入QQ群
客服邮箱
回到顶部