电脑桌面
添加小米粒文库到电脑桌面
安装后可以在桌面快捷访问

监理施工资料模版VIP专享VIP免费

监理施工资料模版_第1页
1/88
监理施工资料模版_第2页
2/88
监理施工资料模版_第3页
3/88
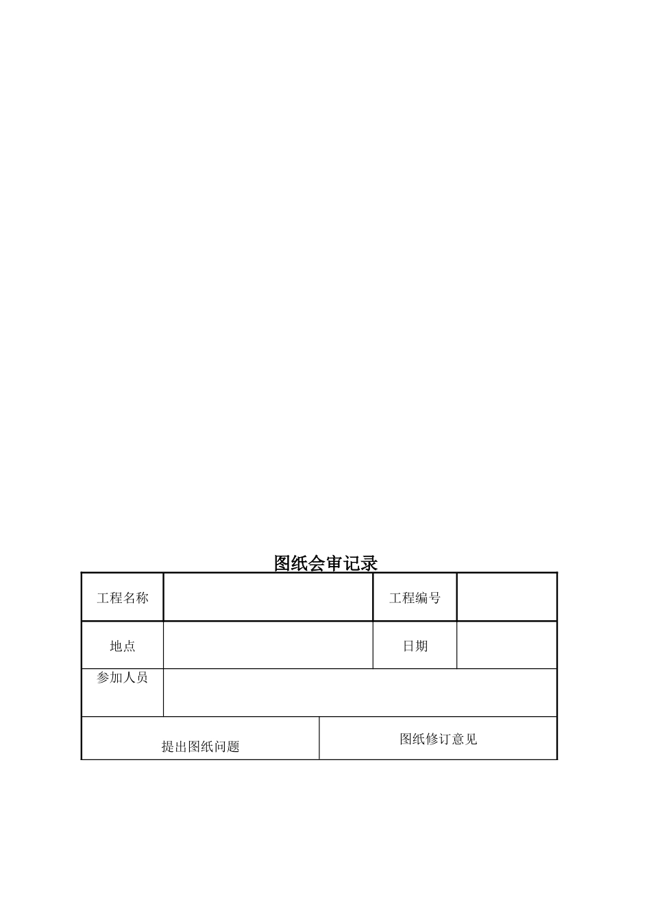
XX年度工程资料汇编XXX工程建设单位:XXXX公司设计单位:XXXXX公司施工单位:监理单位:XXXX公司工程施工资料目录一、施工资料1.图纸会审2.拆旧材料明细表(改造)3.项目管理实施规划报审表4.施工组织设计5.安全文明施工实施细则报审表6.安全文明实施细则7.施工技术方案措施报审表8.施工技术方案措施)9.施工进度计划报审表10.施工进度计划横道图11.工程开工报审表12.工程开工报告13.施工管理人员资格报审表14.管理人员证件复印件15.特殊工种/特殊工作人员报审表16.特殊工种人员证件复印件17.甲供设备材料需求计划报审表18.甲供设备材料计划表19.主要设备(材料/构配件)开箱申请表20.主要设备(材料、构配件)开箱记录表21.工程材料/构配件/设备进场报审表22.主要施工机械/工器具/安全用具报审表23.主要施工机械/工器具/安全用具检验报告复印件24.主要测量计量器具/试验设备检验报审表25.主要测量计量器具/试验设备检验报告复印件26.工程施工记录报审表27.设计变更通知单(如无变更可不加)28.工程施工验收及报审表29.工程质量中间验收申请表30.设备安装及调试记录31.工程三级验收记录32.工程初步竣工验收申请表33.缺陷整改记录34.工程改造前后照片35.竣工验收报告(含竣工报告)36.拆旧物资交接明细清单(改造)37.工程总结38.效益分析二、工程审计资料1、工程量签证2、竣工图3、决算书等单独成册图纸会审记录工程名称工程编号地点日期参加人员提出图纸问题图纸修订意见技术负责人:建设单位(章)技术负责人:监理单位(章)技术负责人:设计单位(章)技术负责人:施工单位(章)拆旧材料明细表工程名称:序号材料名称规格型号单位应退数量备注项目管理实施规划报审表工程名称:编号:致XXXX监理项目部:我方已根据施工合同的有关规定完成了工程项目管理实施规划(施工组织设计)的编制,并经我单位主管领导批准,请予以审查。附:项目管理实施规划(施工组织设计)施工项目部(章)项目经理:日期:监理项目部审查意见:监理项目部(章)总监理工程师:专业监理工程师:日期:建设管理单位审批意见:建设管理单位(章)项目经理:日期:注:本表一式份,由施工项目部填报,业主项目部、监理项目部各份,施工项目部存份。施工组织设计年月日批准:年月日审核:年月日编制:年月日施工组织设计第一章工程概况及特点第二章施工现场组织机构第三章施工现场总平面布置图第四章施工方案第五章工期及施工进度计划第六章质量目标、质量保证体系及技术措施第七章安全目标、安全保证体系及技术措施第八章环境保护及文明施工第九章计划、统计和信息管理第一章工程概况及特点1.1工程概况1.1.1工程简述本工程项目法人:XXX供电公司作为本工程项目法人,负责本工程的建设管理,公司安全领导小组负责本工程安全质量管理,本工程由XX负责本工程的设计工作,由开发区分公司负责本工程的施工,监理工作由XXX。1.1.2工程规模更换S11-M-50KVA变压器一台,改造高压线路0.173km,导线型号为JKLGYJ-10/50,改造低压线路0.757km,导线型号为JKLGYJ-1/50,更换表箱14块,户表改造28户,更换10米电杆5基,12米电杆18基。1.1.3地形、地质状况本工程地区属温带季风大陆性气候,全年主导风向为南风和北风,其次为东南风和东北风,平均频率为8%以上,四季主要受内陆气候影响,冬季寒冷干燥,夏季炎热多雨。工程地貌呈冲积平原,地貌类型为平地,地下水最高水位3米左右,地下水补给以大气降水为主,排泄方式以蒸发为主.线路段地质以亚黏土、轻亚黏土可塑为主。地层分布稳定,性质一般,适宜一般工程建设。1.1.4交通条件本工程交通条件为一般乡村公路。1.2工程特点1.2.1工程特点①本工程交通条件一般。1.2.2自然环境本工程沿线地形为平地,年平均气温为10度左右,本工程经过地区经济欠发达。第二章施工现场组织机构2.1施工现场组织机构本工程实行项目管理,成立项目总指挥部。图2-12.2管理职责及权限2.2.1项目总指挥项目总指挥是公司法人代表在本工程上全权委托代理人,是项目全部工作的总负责人,对外在授权范围内处理各项事务,是项目实施的最高责任者和组织者。2.2.1.1全面负责本工程计划、组织、控制、协调、信息反馈等工...

1、当您付费下载文档后,您只拥有了使用权限,并不意味着购买了版权,文档只能用于自身使用,不得用于其他商业用途(如 [转卖]进行直接盈利或[编辑后售卖]进行间接盈利)。
2、本站所有内容均由合作方或网友上传,本站不对文档的完整性、权威性及其观点立场正确性做任何保证或承诺!文档内容仅供研究参考,付费前请自行鉴别。
3、如文档内容存在违规,或者侵犯商业秘密、侵犯著作权等,请点击“违规举报”。

碎片内容

监理施工资料模版

确认删除?
VIP
微信客服
  • 扫码咨询
会员Q群
  • 会员专属群点击这里加入QQ群
客服邮箱
回到顶部